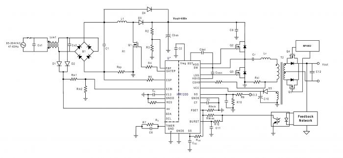
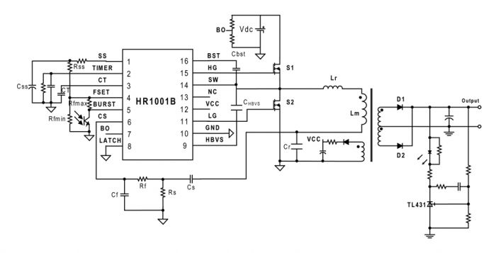
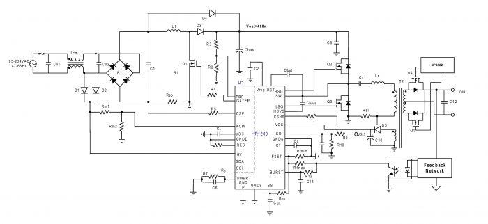
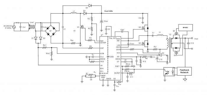
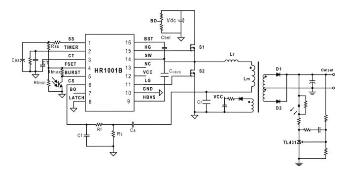
LLC 设计工具
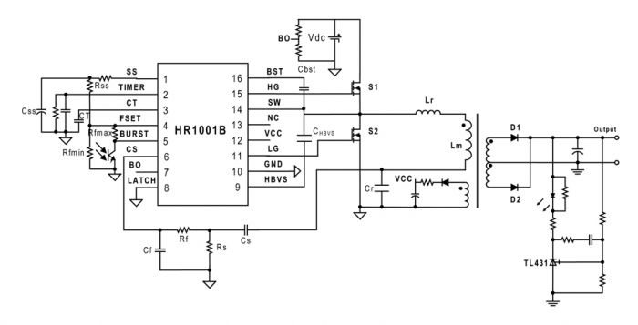
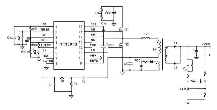
MPS LLC 设计工具可以帮助您确定谐振腔的参数值(包括 Lr, Cr和Lm),以确保变换器在准谐振范围内工作,从而实现软开关。该设计工具可以根据您选择的输入-输出规格,给出推荐的设计解决方案,用户还可以自行修改关键参数。
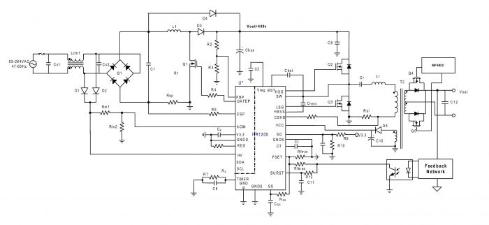
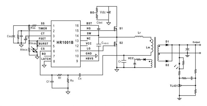
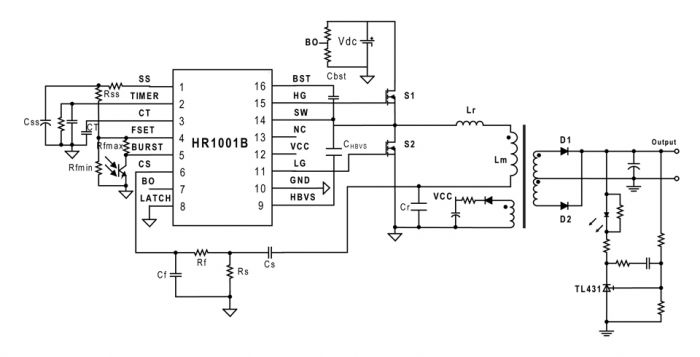
因为具备软开关特性,LLC可实现低功耗和高功率密度,从而变得越来越受欢迎。此种变换器中,最常用的是零电压开关 (ZVS)特性。设计人员必须保证一旦三极管有开关动作,其漏源电压 (Vds) 接近于零,这样开关损耗(即 Vds 与三极管电流的乘积)就可以得到大幅降低,但设计过程并非易事。欢迎使用MPS 的LLC设计工具,助力您加速设计LLC变换器!
如何使用该工具
-
定义变换器的工作限值。 最大和最小输入和输出电压。 根据设定规格,它将计算变压器的匝数比 (n) 以及谐振回路的最大和最小增益 (Mg)。然后使用最大峰值增益图形计算最大可获得的峰值。
-
考虑最大峰值增益,选择品质因数 (Q)和归一化电感系数(Ln) 的值。 Q 是用 Lr 和 Cr组成的谐振腔的品质因数,Ln (Ln=Lm/Lr) 是谐振电感 (Lr) 与变压器的励磁电感 (Lm) 之间的比率。
- Ln 调整:当降低Ln 值时,最大峰值会增加,但 Lm 值也会相应降低。这将有助于实现 ZVS 条件,但也会在输入电流中引入更高的纹波,从而导致更高的传导损耗。
- Q调整:值越大,带宽越窄,增益也越低。作为一般考虑,当我们增加 Q 值时,开关频率随之增加,会导致更大的增益变化。这对稳定响应来说并不利。所以Q越低系统越稳定。
- 用户必须选择一个大于系统所需最小增益的值,即红线值(Mgmax)。根据所选值,MPS 工具将计算出谐振电感值 (Lr) 和电容值 (Cr)。
- 下一步是查看选择的 Ln 和 Q 是否可以实现预期效果,同时为控制器定义一个操作窗口。用户必须检查是否可以在感性区域内的过载曲线上实现最大增益。增益响应图根据计算的 Q 给出不同的情况(Ioutmax、Voutmax、Ioutmin、Voutmin)。 Q 与等效电阻 (Vo / Io) 成反比
- 考虑以下设计约束,通过移动滑块选择归一化频率窗口:
- 变换器必须在感性区域
- 开关频率越接近谐振频率,效率越高。(fn = 1)。
- 谐振频率越低,元件体积越大
- 最低频率的增益(fn min)略高于最大增益点(Mgmax)
- 通过定义频率窗口,该工具将给出最小和最大开关频率。
术语表
| Ln | 归一化电感系数 |
| Lm | 励磁电感 |
| Lr | 谐振电感 |
| Q | 标称品质因数 |
| Cr | 谐振电容 |
| MG | 增益 |
| Fn | 归一化频率 |
| Fsw | 开关频率 |
| Fo | 谐振频率 |
Flow Chart
规格
定义您的输入和输出电路规格:
输入
输出
最大峰值增益
通过在图表中单击,选择 Mgmax 限制(红线)上方的 Ln 和 Q(一个点)的组合。
按照 如何使用该工具 部分(第 2 点)中描述的指南为每个应用选择最佳值.
Less Commutation losses
Less Conduction losses
Better Efficiency
Easy to stabilize
建议 n =
Qmin (10% Load) = | Qmax (Over Load) =
Gain Response
Choose a normalized frequency range, in where the converter will operate, by moving the slider. The gain response can be adjusted by changing Lr and Cr.
Notice that by doing so the Resonance Frequency and Nominal Quality Factor will change.
< Mgmax >
Mgmin <
Final Results
| Tank Design | |
|---|---|
| Lr | Cr |
| Transformer Design | |
|---|---|
| Lm | n |
| Frequency Range | |
|---|---|
| fsmin | fsmax |
| RMS Current Values | |
|---|---|
| Primary | Secondary |

直接登录
创建新帐号