MP9361
正在供货产品型号
MP9361DJ-LF-P MP9361DJ-LF-Z
P&Z的含义 
相关产品
EV9361DJ-00A 高性能稳压电荷泵评估板
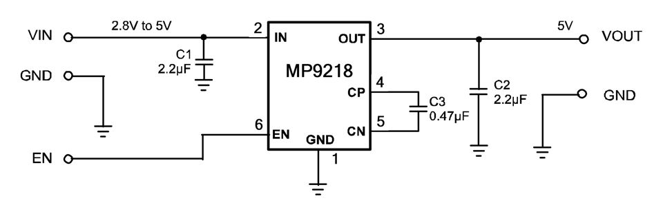
EV9361DJ-00A是用于演示MP9361性能的整装测试评估板,MP9361是一款高性能稳压电荷泵变换器。其宽输入电压范围为2.8V至VOUT。输出电压调节至 5V固定值。
MP9361无需外部电感,可使设计更简单、更紧凑。其内部软启动电路能有效减少启动和模式切换时的浪涌电流。
MP9361 采用TSOT23-6封装,提供非常紧凑的系统解决方案。
立即购买
直接登录
创建新帐号