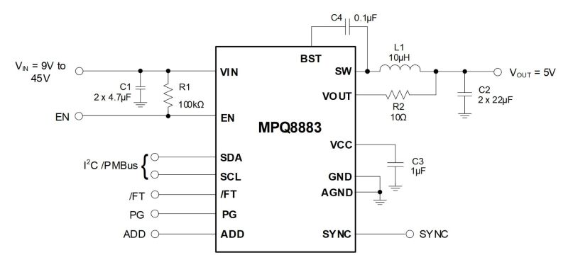
MPQ8883
正在供货产品型号
MPQ8883GQ-xxxx-Z MPQ8883GQ-xxxx-P MPQ8883GQ-0001-Z MPQ8883GQ-0001-P MPQ8883GQ-0002-Z MPQ8883GQ-0002-P
 P&Z的含义 
相关产品
 
                                                                                    Virtual Bench Pro 4.0 由 MPS 支持的图形用户界面(GUI),用于通过 I2C 接口配置和监控多个 MPS 数字电源解决方案
Virtual Bench Pro 4.0 是一款由 MPS 支持的图形用户界面(GUI),用于通过 I2C 接口配置和监控多个 MPS 数字电源解决方案。此 GUI 是一款直观型工具,可与 MPS 评估套件配合使用,有助于设计评估和测试。
硬件和软件要求:
- USB 转 I2C 通信设备 EVKT-USBI2C-02
- 运行 Windows 10 或更高版本的 PC
- .Net Framework 4.0 或更高版本
- 内存:2GB 可用内存
- CPU:任何现代 CPU
- 磁盘空间:2GB
- 显示器分辨率:1024x768
 
    
 
     
                   
                   
                   
                   
                                     
                                             
                                             
                                             了解更多我们的评估板套件
		了解更多我们的评估板套件			
	 
         
                         
                     
                 
                 
                
直接登录
创建新帐号