MP2460
正在供货产品型号
MP2460GJ-Z MP2460GJ-P
P&Z的含义 
相关产品
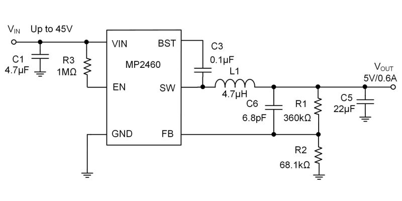
EVL2460-J-00A 45V、0.6A、1.7MHz同步降压变换器评估板
EVL2460-J-00A 评估板用于展示 MP2460 的功能。MP2460是一款集成上管 MOSFET (HS-FET) 和下管 MOSFET (LS-FET) 的高频降压开关稳压器。该器件通过电流模式控制提供高达 0.6A 的输出电流 (IOUT),以实现快速环路响应。
其4.5V 至 45V 的宽输入电压 (VIN) 范围适用于各种降压应用,而关断模式下的 1μA 静态电流 (IQ) 则使器件适用于电池供电应用。MP2460 还提供适用于低 VIN 条件的高占空比和低压差 (LDO) 模式。
MP2460 具有多项内置保护功能,例如逐周期限流、带打嗝模式的短路保护 (SCP) 和过温关断保护。 MP2460 采用高性价比的 TSOT23-6 封装。
立即购买
直接登录
创建新帐号