- MP8887
MP8887
65V, 9A, High-Efficiency Buck Converter with I2C Interface, Configurable Frequency, and Adjustable OCP
Session textval
Session Titefor popup
详情
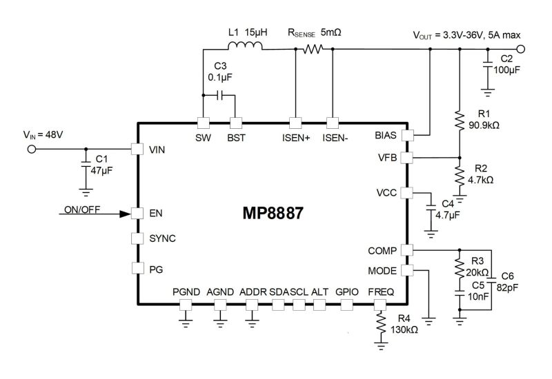
The MP8887 is a high-efficiency, synchronous, step-down converter with two integrated power MOSFETs. The device can regulate the output voltage (VOUT) across a wide input voltage (VIN) range with high efficiency. It can achieve up to 9A peak output current (IOUT), VOUT scaling, and an adjustable output average current limit for wireless charging, USB extended power range (EPR) power delivery (PD), and high-power DC supply applications.
VOUT can be controlled on the fly via the I2C serial interface. The voltage transition slew rate, switching current limit, output average current limit, and output over-voltage protection (OVP) can also be selected via the I2C interface.
Current mode provides fast transient response and eases loop stabilization. Full protection features include input under-voltage lockout (UVLO), input and output OVP, output over-current protection (OCP), and thermal shutdown.
The MP8887 supports one-time programmable (OTP) memory to provide flexible configurations.
The MP8887 offers a very compact solution with a minimal number of readily available, standard external components. It is available in a QFN-24 (4mmx5mm) package.
-
显示更多
显示较少
产品特性和优势
- Wide 4.5V to 65V Input Voltage (VIN) Range, with 70V Absolute Maximum Voltage
- Wide 1V to 65V Output Voltage (VOUT) Range
- 0V to 2.047V Feedback (FB) Reference Voltage Range, with 0.5mV/Step
- Up to 9A Peak Output Current (IOUT)
- Up to 97.67% Efficiency at 36V/5A Load
- 180µA Low Quiescent Current (IQ) at I2C Operation Off
- Configurable Peak/Valley Current Limit
- ±5% Output Constant-Current (CC) Limit Accuracy
- Automatic Advanced Asynchronous Modulation (AAM)/Pulse-Width Modulation (PWM) Mode, and Forced PWM Mode with Frequency Spread Spectrum (FSS) Selection
- Configurable 200kHz to 600kHz Switching Frequency (fSW) with Clock Synchronization
- Supports VCC BIAS Function to Improve Efficiency
- Configurable Line Drop Compensation
- Configurable Output Discharge Current
- Over-Voltage Protection (OVP), Over-Current Protection (OCP), Over-Temperature Protection (OTP), and Interrupt
- Power Good (PG) Indication
- Available in a QFN-24 (4mmx5mm) Package with Wettable Flanks
正在供货产品型号
MP8887GVE-xxxx-Z MP8887GVE-xxxx-P MP8887GVE-0000-Z MP8887GVE-0000-P MP8887GVE-0001-Z MP8887GVE-0001-P
以 P 和 Z 结尾的零件编号是相同的零件。P 和 Z 仅表示卷筒尺寸
P&Z的含义 
推荐电感
塑封电感 10µH
电感选择工具
MP8887 Resources
-
APPLICATION
低压储能应用 -
APPLICATION
健身设备应用健身器械可以作为医疗和保证身体健康的关键组成部分。最先进的医疗系统通常包括下一代用户界面、实时感测和生物识别技术,以及多标准连接。随着人们对医疗保健成本的关注不断增长,可靠性和成本对客户来说也是至关重要的因素。当然,为了帮助增强医疗保健从业人员的能力,健身器械还必须精确和准确,并尽可能减少诸如EMI之类的安全隐患。 MPS全面的解决方案涵盖了PFC&LLC控制器、同步整流器、降压和升压变换器、限流和USB开关、线性稳压器、终端稳压器、监控电路、步进和有刷直流电机驱动器、运算放大器、D类音频放大器和WLED驱动器。这些高度集成且高效的设备节省了设计时间、电路板空间与成本,帮助优化了健身器械的操作与使用寿命。 MPS创新的电源管理技术极具成本效益,可使新型健身器械的设计实现最先进的功能和最佳效率。
-
APPLICATION
便携式打印机应用便携式打印机将更多功能集成到小型轻巧的封装中。其新的设计有望提供更易用的无线连接,支持多种输入类型,具有易用的接口以及更长的电池运行时间。这种打印机必须能够快速打印出高质量的文档或照片副本,同时还能跟上节能的趋势,这种趋势增加了对超低待机功耗的需求并降低了能耗。 MPS提供广泛的解决方案组合,包括PMIC、开关充电器、降压变换器、降压-升压变换器、线性稳压器、步进电机和有刷直流电机驱动器、电流传感器以及电熔丝、USB和负载开关。这些设备使设计得以高度集成,便携式打印机比以往更加方便易用。这些器件可以实现出色的电机和速度控制,同时降低BOM与解决方案总成。 MPS的高效电源管理解决方案提供了设计可靠的尖端便携式打印机所需的一切。
-
APPLICATION
电动摩托车应用电动摩托车在大都市和快速发展的城市中迅速普及。它轻便、环保且方便,是一种两轮电池驱动的车辆,集成了用于增加动力的电机和控制器。当然,安全性、性能和成本是客户最关心的问题。此外,这种新兴的交通工具要求更短的充电时间、更轻的重量,以及更高的电池容量以实现更长的续航里程。因此,它需要更小、更节能的电源解决方案。 MPS高度集成、高能效且易用的解决方案为电动摩托车系统提供了小尺寸下的强大功率转换能力。我们提供广泛的产品组合,包括PMIC、电熔丝和USB开关、负载开关、稳压器、变换器、监控电路、BLDC和栅极驱动器、WLED和LED驱动器、D类音频放大器。MPS业界领先的电源管理产品可以帮助您实现下一代电动摩托车设计,并更快将其推向市场。
-
APPLICATION
USB 壁式电源插座应用USB壁式电源插座已成为智能家居和建筑中的流行配置。它能够将USB充电电缆直接插入壁式电源插座,为消费者提供了便利,快速为设备充电和供电。但是,正因为它是一种更直接的供电形式,可靠、安全、具有最佳额定功率和出色的ESD保护就变得更为重要。 MPS的控制器、整流器、变换器、PMIC和USB开关具有一流的保护功能,可提供最高效率,确保USB壁式电源插座能够安全、便捷地供电。我们提供高度集成的紧凑型组件,实现以小尺寸封装快速充电。智能家居和建筑中的USB壁式电源插座为人们带来便利和可靠的充电方式,MPS经济且高能效的电源解决方案为其设计提供了最佳选择。
-
APPLICATION
心电图(ECG)应用心电图(ECG或EKG)设备可根据心脏的电活动来测量心率。这种关键的医疗设备可用于家庭、急救人员和临床环境。新型ECG设计会融合一些附加功能,例如无线连接和创新的用户界面。当然,这种设备始终需要提供高度准确性和可靠的性能,同时具备低功耗与低成本。因此,选择合适的组件很重要。 MPS全面的解决方案套件包括控制器、稳压器、变换器、监控电路、充电器、LED驱动器和负载开关。这些器件均经过优化,以超小尺寸封装实现低功耗和高效率,从而降低了BOM成本与总体设计成本。它们同时还提供出色的散热管理和EMI性能。MPS高效可靠的解决方案为有效的心电图设备供电设计提供了所需的一切。
-
APPLICATION
扩展坞应用扩展坞(Docking Station)提供了一种便捷的方式,可将笔记本电脑与DVI、COM、USB或以太网等通用外设一站式连接。通常,扩展坞为特定的计算机模块而制造,它提供不同的扩展模式,使笔记本电脑可以如同台式电脑一样。随着对外围设备需求的不断增加,笔记本电脑也变得越来越复杂,扩展坞的电源设计成为确保其最高性能的关键步骤。MPS庞大的产品组合覆盖了大部分扩展坞设计的所有电源需求。这些全面的产品提供的电源解决方案可适用于USB Type-A、USB Type-C、Thunderbolt、以太网扩展控制器、辅助电源等。MPS的行业领先技术实现了全集成充电端口解决方案,它采用一体化封装实现降压、CLS和端口控制器。全集成升降压解决方案则包括用于高精度输出电压控制的 I2C 接口。MPS经济高效的设备简化了设计,并为系统供电提供所需的一切。
-
APPLICATION
可视门铃应用可视门铃为消费者提供了便利与安全感,已成为许多智能家居系统中的流行元素。家居系统和可视门铃设计越来越智能和先进,融合了很多新功能。现代创新的可视门铃要具备高品质的音频和视频流、无线连接、多设备接口能力、高级感测和超低功耗。可视门铃设备本身的性质则决定了它必须提供易用性、稳定的操作性以及对宽温度范围和极端天气条件的承受能力。此外,用户对数字安全问题的日益关注,催生了物联网采用嵌入式、基于硬件的安全性来保护用户数据。 MPS全面的解决方案套件包括反激、降压和线性变换器、电熔丝、限流开关、线性和开关充电器、稳压器、USB和负载开关、PMIC、运算放大器、WLED驱动器、音频放大器和监控电路。所有器件均采用小尺寸封装,提供出色的散热性能,而不会牺牲效率或安全性。我们的专业能力和领先的产品性能可以帮助您加快产品上市时间,并将新功能轻松集成到新的可视门铃设计中。MPS高度灵活、经济高效的解决方案...
-
APPLICATION
便携媒体播放器应用便携式媒体播放器(例如DVD/Blu-Ray播放器、MP3播放器等)市场流行度高,要求高质量的音频和视频播放以及便捷的用户交互界面。消费者期望的播放器应该要拥有较长的电池寿命、支持各种输入和连接选择。可视显示屏也朝着分辨率越来越高的小型化设备发展,同时还保持高性能的音频和低待机功耗。MPS全面的解决方案组合包括开关、驱动器、变换器、充电器和放大器。 每个器件的设计都以最小的封装尺寸实现最佳效率。我们的专业与创新为每种解决方案都提供出色的信噪比和电源抑制比,同时还可简化系统设计。MPS为下一代便携式媒体播放器设计中的整个信号链提供了经济高效的解决方案。
-
APPLICATION
IP 网络摄像机应用IP网络摄像机正在迅速超越传统的模拟监控摄像机网络。大多数IP网络摄像机的功能与模拟监控摄像机相同,但无需本地存储,并且已连接至用户的LAN网络,因此它是智能家居系统和安全性的重要组成部分。用户不断增长的期望值以及对数字和物理威胁的日益关注,意味着新型监控摄像机必须提供前所未有的高级功能和更高的集成度。除了能效、成本和低功耗以外,如今的高级功能还包括:- 高分辨率成像- 准确、可靠的运动感测- 更好的夜视能力- 更长的检测范围- 更好的运动控制- 无线连接- 防止误触发和极端天气- 紧凑、轻巧的整体解决方案- 大存储容量- 嵌入式安全功能以防止系统受损MPS广泛的解决方案组合包括半桥电机驱动器、步进电机驱动器、控制器、WLED驱动器、USB和负载开关、电熔丝、PoE PD接口、监控电路、看门狗计时器、稳压器、PMIC和变换器。这些器件的组合为设计高效、可靠、安全的IP网络摄像机并用于智能家...
-
APPLICATION
移动电源 USB应用移动电源是在旅途中为消费类电子产品充电的一种方式,近年来越来越流行。由于需要具备便携性,其设计应保持设备尺寸较小,并且易于最终用户使用。随着快速充电不断普及的行业趋势,移动电源需要尽可能快而安全的充电,同时散热最少,并支持多种电池类型;USB连接提供快速充电能力,并在多种充电协议中均能满足较高的额定功率要求。当然,移动电源还应保持长时间充电能力,才能成为移动设备可靠的备用电源。 MPS的移动电源设计解决方案包括负载和USB开关、电熔丝、电池充电器和变换器。这些器件均经过精心设计,能够以更小的占板面积实现高效率,同时有助于降低总体BOM成本。这些产品提供出色的散热管理和高功率密度,支持宽工作输入电压范围和高额定功率,可灵活应用以简化设计过程。MPS先进的电源管理解决方案为设计可靠、高效且极具成本效益的移动电源提供了所需的一切。
-
PRODUCT CATEGORY
VIN (MAX) > 48V产品类目 -
APPLICATION
电动自行车应用电动自行车(E-Bikes)在全球范围内的需求正在不断增长,越来越多的消费者将电动自行车视为长距离通勤和燃油价格上涨的环保解决方案。它是一种新型自行车,带有集成电机、电池和辅以增强推进力的控制器。这种新的设计需要更短的充电时间、更轻的重量以及更大的电池容量以适应更长的行驶距离,因而需要更小、更节能的电源解决方案。 MPS高集成度、高能效且方便易用的解决方案为电动自行车电源管理和电池管理系统提供了尺寸小巧但功能强大的电源转换能力。MPS提供广泛的产品组合,从角度位置传感器,到电源模块和电池充电控制器。 MPS的DC / DC电源模块可以为系统供电提供更小、更高效、更具成本效益的解决方案。
-
APPLICATION
机顶盒(STB)应用机顶盒(STB)和类似设备从各种输入源中接收信号,并将信号输出到电视机。随着娱乐技术变得越来越智能,也更加紧凑和高效,设备供应商希望通过用户友好且经济高效的设计实现长期的可靠性与低功耗。如今,智能设备的兴起和消费者不断提高的期望值,使得机顶盒中高效的电源管理比以往任何时候都更加重要。MPS广泛的解决方案涵盖了稳压器、变换器、驱动器、放大器、控制器和整流器。这些创新的器件提供了高功率密度与低损耗,可帮助优化信号链性能。搭配使用这些器件,可以简化设计过程,实现可靠、灵活的机顶盒设计,实现更佳性能。 MPS卓越的技术为系统供电提供了高效、节省空间和极具成本效益的解决方案。
-
APPLICATION
光模块应用光模块是用于高速数据传输的光收发器,可在需要发送和接收大量数据的任何地方应用。无论短距离还是长距离,光模块都是从数据中心到电信公司之间进行大型、高效数据传输的理想选择。光模块的大小和带宽范围不一,最新一代的光模块支持高达400GB/s的速度。这些收发器传送的数据量非常大,因此需要独特的电源解决方案来适应其高功率和小尺寸要求。MPS的单片设计在超小型封装中实现了高功率和超低功耗,简化了布局和散热设计,并使效率最大化,这对任何光学模块设计都至关重要。MPS提供广泛的产品组合,涵盖了光模块的电源部分,包括降压或升压变换器、控制器、电熔丝和负载开关,以及稳压器。这些产品包括EML驱动器,甚至包括TEC控制以改善热量管理。而对于核心电源,MPS提供了带或不带I2C的多种降压变换器作为分立或电源模块。MPS的产品提供先进的功率密度,可以满足大功率设备的需求,包括支持下一代光模块设计。
-
APPLICATION
超声波机(便携式)应用医学超声成像采用高频声波来查看人体内部结构,例如内部器官,血管以及子宫中正在发育的胎儿。与MRI或CT扫描等成像技术相比,超声技术是一种低创、更便宜的诊断方法。随着集成技术的进步,现如今还引入了可以提供快速和精准读数的便携式超声仪器。对于重症患者(比如危机生命的出血)而言,这种设置时间更短、更昂贵的医疗器械尤为重要。 我们的电源解决方案可以为医学超声系统提供小封装、低功耗、高效率的产品,可以实现更高的可靠性,更小的尺寸和更低的成本。随着医疗超声市场的发展,探头内压电式转换器的数量不断增加,我们的解决方案可以消除了电缆上高压直流线路带来的任何安全隐患,是医疗超声系统的理想之选。 MPS的DC / DC电源模块可以为系统供电提供更小、更高效、更具成本效益的解决方案。
-
APPLICATION
监视摄像机应用监控摄像机是联网智能家居网络中不可或缺的一部分。 用户不断增长的期望值以及对数字和物理威胁的日益关注,意味着新型监控摄像机必须提供前所未有更多的高级功能和更高的集成度。除了能效、成本和低功耗以外,如今的高级功能还包括:- 高分辨率成像- 准确、可靠的运动感测- 更好的夜视能力- 更长的检测范围- 更好的运动控制- 无线连接- 防止误触发和极端天气- 紧凑、轻巧的整体解决方案- 大存储容量- 嵌入式安全功能以防止系统受损MPS的整流器、变换器、步进电机驱动器、半桥电机驱动器和LED驱动器帮助您设计高效、可靠、安全的监控摄像机,应用于安全智能家居系统。这些器件均采用超小尺寸封装,提供出色的热保护功能和EMI性能,可实现整个信号链的高性能。它们为设计下一代高效、紧凑的联网监控摄像机提供所需的一切。MPS极具成本效益的电源解决方案可以实现安全、先进的监控摄像机设计,它简化了系统集成,可以缩短产品的...
-
APPLICATION
多功能打印机应用多功能打印机通常可在一个消费设备中提供打印、扫描和复印,甚至更多功能。新型喷墨打印机和激光打印机都将更多功能融入到设计中,如更方便的无线连接和更流畅的用户交互界面。这些多合一打印机必须能够快速打印或成像高质量的文档或照片副本,而且要求超低待机功耗并降低能耗,从而符合不断增长的节能趋势。MPS提供的LCD电源、WLED驱动器、变换器、整流器以及无刷、有刷和步进电机驱动器等产品,可以使设计高度集成、高效的多功能打印机比以往更加容易。这些器件可实现出色的电机和速度控制,同时降低BOM和解决方案总成。MPS广泛的解决方案组合能够为设计可靠且尖端的多功能打印机提供所需的一切。
-
PRODUCT
MP8880A产品带PMBus 接口的 60V、4.5A、高效率、数字、可配置、同步降压变换器
-
PRODUCT
MP4582产品100V、2A、8μA IQ、同步降压 DC/DC 变换器
-
PRODUCT
MP4583产品100V、3A、8μA IQ、同步降压 DC/DC 变换器
-
PRODUCT
MP9486A产品100V 输入, 3.5A, 峰值电流限降压转换器
-
PRODUCT
MP4570产品3A, 4.5V-55V 输入,频率可调的全集成同步降压变换器
-
PRODUCT
MPQ2459-AEC1产品0.5A、55V、480kHz 降压变换器,符合 AEC-Q100 认证
-
PRODUCT
MP2456产品0.5A, 50V, 1.2MHz 降压变换器,采用 TSOT23-6 封装
直接登录
创建新帐号