MP1530
正在供货产品型号
MP1530DM-LF-P MP1530DM-LF-Z MP1530DQ-LF-P MP1530DQ-LF-Z MP1530DM MP1530DM-LF MP1530DQ MP1530DQ-LF MP1530DQ-P MP1530DQ-Z
P&Z的含义 
相关产品
EV1530-Q-00A 适用于TFT偏置的三路输出升压充电泵
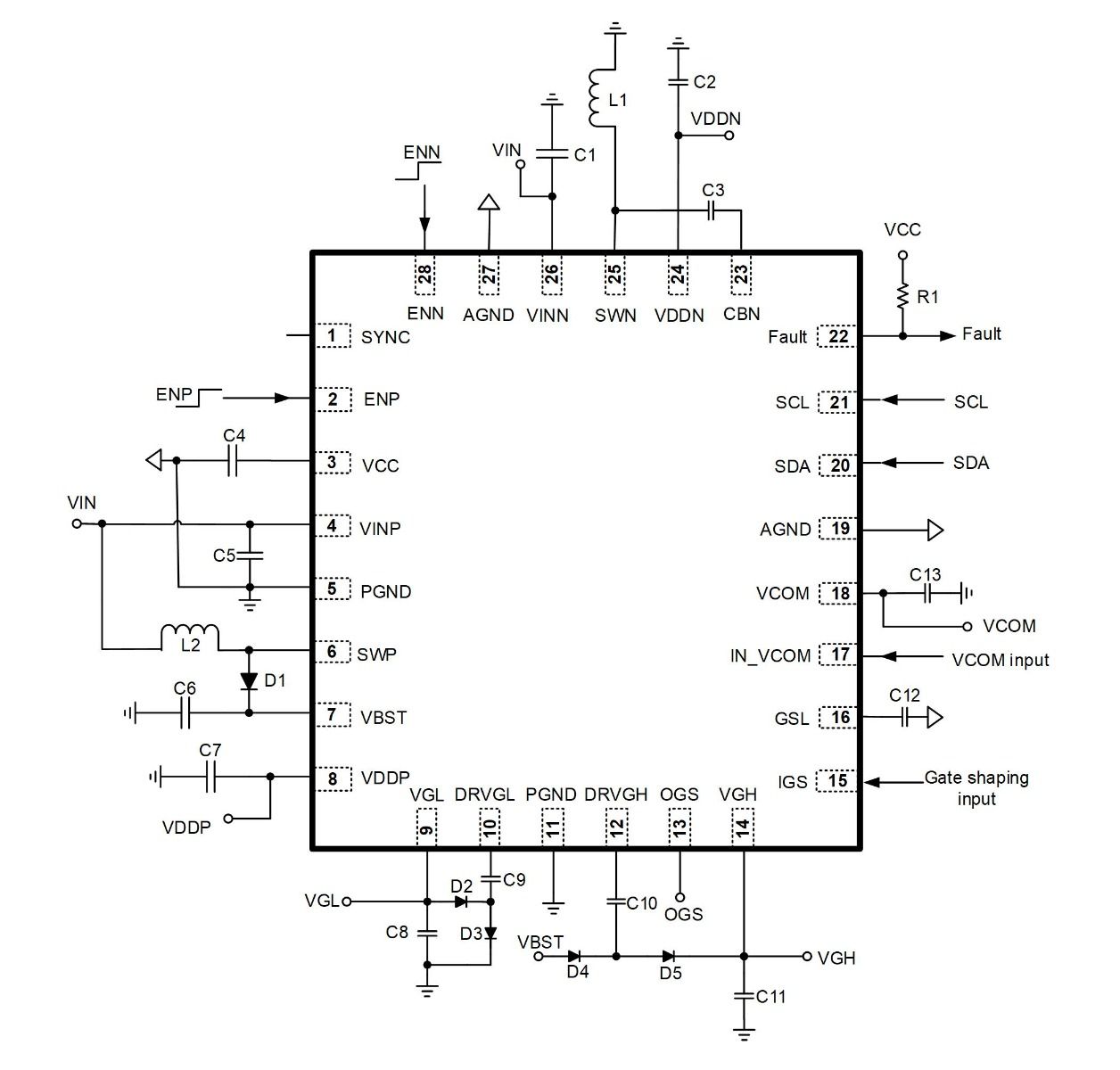
EV1530-Q-00A 是用来演示 MP1530 产品性能的评估板。MP1530 是一款三路输出升压变换器,可为3.3V/5V TFT面板供电。
MP1530 包含一个1.4MHz的定频升压变换器和一个正反向线性调节器。线性调节器由充电泵供电,而充电泵则由升压变换器开关节点(SW)驱动。
单个开启/关断控制可以使能所有3路输出。为方便使用,输出具有内部上下电时序。内部软启动功能可以防止启动时输入源过载。逐周期过流保护可以限制部件应力过大。
立即购买
直接登录
创建新帐号