- MPQ5613D-AEC1
MPQ5613D-AEC1
Session textval
Session Titefor popup
详情
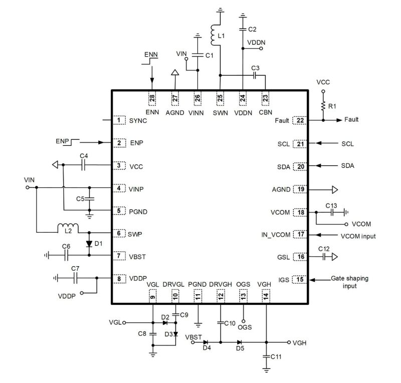
MPQ5613D-AEC1 是一款用于汽车 TFT LCD 偏置的集成型电源。该器件集成了升压变换器、同步升降压逆变器、可调节正电荷泵输出以及可调节负电荷泵输出,用于控制栅极电压。此外,它还集成VCOM 缓冲器和栅极电压整形功能,可最大程度地减少外部元件数量。该器件可采用 3.3V 或 5V 稳压电源或直接通过12V 电池为 TFT LCD 面板供电。
VDDP可输出最大21.8V电压,VDDN可输出最小-16.6V负电压,VGH输出最大35V电压,VGL输出最小-15.9V负电压。
MPQ5613D-AEC1 提供 I2C 接口,并具有可配置 VDDP、VDDN、VGH 和 VGL 上电序列,适用于多种不同的应用。
其内部软启动功能可防止启动时的输入过载。SWP 和 SWN 具有的逐周期限流保护还可降低元件应力。
MPQ5613D-AEC1强大的保护功能可确保设备安全的运行。具体保护功能包括输入欠压锁定 (UVLO)保护、SWP/SWN 逐周期限流保护、过温保护 (OTP)、VDDP/VDDN/VGH/VGL 欠压保护 (UVP)、VCOM 输出过流保护 (OCP) 以及 VDDP 输出限流保护。
MPQ5613D-AEC1 采用超小尺寸QFN-28 (4mmx5mm) 封装,且符合 AEC-Q100 等级1 认证。
-
显示更多
显示较少
产品特性和优势
- 2.7 至 12V 工作输入电压 (VIN) 范围
- 升压变换器具有 2A 电流限制
- 同步升降压逆变器具有 2.5A 电流限制
- 集成 250mΩ 下管 MOSFET (LS-FET) 用于升压,200mΩ 上管 MOSFET (HS-FET) 和 250mΩ LS-FET 用于同步升降压
- 提供 I2C 接口,以及用于寄存器的一次性可编程 (OTP) 存储器
- 高达 3MHz的可配置开关频率 (fSW),提供频谱扩展功能以实现更佳EMI性能
- 频率同步和交错(180°)升降压和升压控制,可实现更佳EMI性能
- 输入与输出断连功能
- 可配置 VDDP:2.7V 至 21.8V
- 可配置 VDDN:-0.7V 至 -16.6V
- VDDP 和 VDDN 支持最大 500mA 连续负载电流(受逐周期限流保护限制)
- 可配置 VGH:5V 至 35V,50mA
- 可配置 VGL:0V 至 -15.9V,50mA
- 可配置 VCOM 缓冲器:VDDN+2V 至 VDDP-2V,25mA
- 具有可配置下降时间和最小电平的栅极电压整形
- 高效率
- 可配置上电/下电顺序
- VIN 欠压锁定 (UVLO)保护
- VDDP/VDDN/VGH/VGL 欠压保护 (UVP)
- SWP/SWN 逐周期限流保护
- VCOM 过温保护 (OTP)和输出过流保护 (OCP)
- VDDP 输出限流保护
- 故障标志
- 符合 AEC-Q100 等级1认证
- 采用 QFN-28(4mmx5mm)封装
正在供货产品型号
MPQ5613DGVE-xxxx-AEC1-Z MPQ5613DGVE-xxxx-AEC1-P MPQ5613DGVE-0000-AEC1-Z MPQ5613DGVE-0000-AEC1-P
以 P 和 Z 结尾的零件编号是相同的零件。P 和 Z 仅表示卷筒尺寸
P&Z的含义 
MPQ5613D-AEC1 Resources
-
USE CASE
MPS推出车规级TFT LCD偏压驱动IC,可广泛适用多种车载显示屏场景应用案例近日,MPS芯源系统(NASDAQ代码:MPWR)发布车规级薄膜晶体管液晶显示器(TFT LCD)偏压驱动器——MPQ5613D-AEC1。该产品通过了AEC-Q100 Grade 1 可靠性认证,可广泛适用于汽车TFT LCD型仪表盘、中控台、抬头显示(HUD)等多种显示屏应用场景。 随着汽车智能化的飞速发展,车载显示行业也呈现出快速增长趋势。TFT LCD显示屏作为主流技术,在汽车显示屏应用中占比超过90%。MPQ5613D-AEC1作为一款专为汽车TFT LCD设计的偏压驱动器,集成了4路输出、VCOM缓冲器和栅极电压整形等功能。 MPQ5613D-AEC1输入电压支持2.7 – 12V,4路输出模块和VCOM缓冲器均支持电压可调,升压和升降压模块输出电流最大可支持500mA,正向和负向电荷泵模块输出电流可达50mA, VCOM缓冲器输出电流可达25mA。其升压模块支...
-
APPLICATION
显示(导航、抬头显示、仪表盘)应用汽车显示—包括中央显示器、平视显示器 (HUD) 和仪表盘—向驾驶员显示关键信息和交互式内容。中央信息显示器连接到主机,并提供导航和其他车内信息娱乐控制。汽车 HUD 和仪表仪表盘为驾驶员提供易于访问的信息。HUD 还可以在视线高度上从集群显示器中投射出关键指标,例如速度、温度和燃料用量。除了满足严格的散热要求、ISO26262 安全标准和 EMC 法规之外,这些高级显示器还要求高效率、易于集成和可扩展性的电源解决方案。 我们典型的电源管理解决方案组合包括降压和升压变换器、电源模块、低压差 (LDO) 稳压器、线性稳压器、USB 充电端口、负载开关、PMIC、背光 (WLED) 驱动器、直流有刷驱动和螺线管驱动器和直流无刷预驱动器。这些汽车级部件可实现高质量的显示,同时还满足重要的安全标准。 MPS 高效、可扩展的产品组合为您提供支持下一代汽车显示设计所需的一切。
-
PRODUCT CATEGORY
LCD偏置供电产品类目 -
PRODUCT
MPQ5613B产品带 I2C 接口和 VCOM 缓冲器的汽车 LCD TFT 偏置驱动器
-
PRODUCT
MPQ5613C产品带 I2C 接口的汽车 TFT LCD 偏置驱动器,符合 AEC-Q100 认证
-
PRODUCT
MPQ1530-AEC1产品适用于 TFT 偏置的三路输出升压线性调节器,符合 AEC-Q100 认证
-
PRODUCT
MP1531产品带电荷泵的低功耗三路输出升压变换器,用于为TFT提供偏置电源
-
PRODUCT
MP1530产品适用于TFT偏置的三路输出升压线性调节器
-
PRODUCT
MPQ1530产品适用于 TFT 偏置的工业级、三路输出升压线性调节器
-
PRODUCT
MP5610产品用于智能手机和平板电脑的 2.7V-5.5Vin、1.2MHz、双通道 LCD 偏置电源
-
PRODUCT
MPQ5893-AEC1产品60V Load Dump, 5A, Dual-Channel, Smart High-Side Switch, AEC-Q100 Qualified
-
PRODUCT
MPQ2933-AEC1产品36V, 2.2MHz, Low-IQ Buck Controller with Multiple Phases, AEC-Q100 Qualified
-
PRODUCT
MPQ4111-AEC1产品20V, 0.5A to 4A, Low Quiescent Current, Synchronous Step-Down Converter, AEC-Q100 Qualified
-
PRODUCT
MPQ20087-AEC1产品40V, 500mA, High-Accuracy, High-PSRR, Fixed-Output Linear Regulator, AEC-Q100 Qualified
-
PRODUCT
MPQ5856-AEC1产品42V, Smart High-Side Driver IC, AEC-Q100 Qualified
-
PRODUCT
MPQ2277A-AEC1产品6V, Dual 1A/1A, AAM Mode, 2.5MHz, Synchronous Step-Down Converter with Power Good and Soft Start, AEC-Q100 Qualified
-
PRODUCT
MPQ5858-AEC1产品80V, Front-End Battery-Conditioning IC, AEC-Q100 Qualified
-
PRODUCT
MPQ3447-AEC1产品80V Wide-Input, Current-Mode, Synchronous Boost Controller, AEC-Q100 Qualified
-
PRODUCT
MPQ2183-AEC1产品6V, 1A to 3A, 2.4MHz, Synchronous Step-Down Converter with Frequency Spread Spectrum, AEC-Q100 Qualified
-
PRODUCT
MPQ4110-AEC1产品Low Quiescent Current, Synchronous Step-Down Converter, AEC-Q100 Qualified
-
PRODUCT
MPQ2294-AEC1产品6V, 30A, Synchronous Buck Converter with ZDPTM, AEC-Q100 Qualified
-
PRODUCT
MPQ4373-AEC1产品36V, 6A to 11A, Low-EMI, Synchronous Step-Down Converter with ZDPTM, AEC-Q100 Qualified
-
PRODUCT
MPQ3445-AEC1产品具有低 IQ 旁路模式的宽输入范围、同步升压控制器,符合 AEC-Q100 认证
-
PRODUCT
MPQ20086-AEC1产品40V, 500mA, High-Accuracy, High-PSRR, Adjustable-Output Linear Regulator, AEC-Q100 Qualified
-
PRODUCT
MPQ5817-AEC1产品42V, 15A, Integrated Smart Diode with Reverse Protection, AEC-Q100 Qualified
直接登录
创建新帐号