MP2652
正在供货产品型号
MP2652GVT-xxxx-Z MP2652GVT-xxxx-P MP2652GVT-0000-Z MP2652GVT-0000-P MP2652GVT-0200-Z MP2652GVT-0200-P MP2652GVT-0300-Z MP2652GVT-0300-P MP2652GVT-0400-Z MP2652GVT-0400-P
P&Z的含义 
相关产品
MEZS7-PDPowerBank-MP2652 全集成升降压充电器解决方案模块,适用于带 2 至 5 节串联电池的双向 USB PD 移动电源
MEZS7-PDPowerBank-MP2652是采用MP2652和MPF52002这两款器件实现的双角色端口 (DRP) 应用完整充电器解决方案模块。
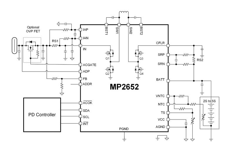
MP2652是一款专为 2 至 5 节串联电池组应用设计的升降压充电器IC,具有4V至22V宽输入电压 (VIN) 范围。在源模式下,该器件可通过 IN 引脚提供5V至21V的宽VIN范围,符合 USB PD规范,同时还提供高分辨率输出电流限制功能。
MPF52002 是一款高度集成的 USB PD 控制器,配备 32 位 ARM Cortex-M0 微控制器单元 (MCU),适用于 DRP 端口。它支持 DRP 应用的自动 DRP 切换,并符合 PD3.1 规范。该器件在源模式下支持 PD 3.1、BC 1.2、Apple 分压器模式、华为 FCP/SCP 以及 QC 2.0/3.0。
MEZS7-PDPowerBank-MP2652还配备一个支持 PD 3.1 和 BC 1.2 协议的DRP USB Type-C 端口。当插入适配器时,该端口将作为受电端口,以最大 6A 的充电电流为电池充电;当插入负载时,该端口作为供电端口,通过电池为 USB VBUS 供电。
I2C-Controlled, 2-Cell to 5-Cell Buck-Boost Charger with Reverse Source Mode Evaluation Board
USB 转 I2C/PMBus 通信接口设备,包含在产品评估套件中,也可单独购买
I2C 接口控制、2至4节电池升降压充电器IC,带NVDC 电源路径管理功能
推荐电感
MPL
薄型塑封电感 4.7µH
立即购买
直接登录
创建新帐号