从驱动到传感,MPS端到端方案:如何解决灵巧手高集成与小型化难题?

每月为您发送最具参考价值的行业文章

订阅

我们会保障您的隐私

在前阵子落下帷幕的世界机器人大会与世界人形机器人运动会上,机器人不仅大秀格斗、拳击、武术、舞蹈等酷炫技能,还在零售、工厂、餐饮等各种场景中上手干活,一场关于“机器人到底能帮人类做什么”的讨论也正在悄然升温。

机器人从能走会动进阶成能抓善握,灵巧手作为机器人与物理世界交互的末端执行器,正跃升为产业焦点。灵巧手的精度、灵活性与场景适配能力,是一台机器人能否完成真实世界任务的关键。

一只好用的手需要在体积、精度、寿命与成本之间找到一个平衡点,也正因此,如何造出既好用又成本合适的手,成了机器人企业在落地尝试时无法回避的问题。

国内已涌现出大批灵巧手玩家,既有只专注灵巧手研发的垂直玩家,也有机器人整机厂商、机器人零部件生产商参与,竞逐这片蓝海市场。

而MPS作为一家全球化的半导体公司,正在将其长期以来在电源管理、电机驱动、传感器等领域的深厚技术积累,以及EZmotion空心杯电机一体机等新产品,系统性地投入到灵巧手应用中。MPS所打造的灵巧手解决方案,从核心IC元件延伸至完整动力系统,以高集成度和小型化见长,正在帮助灵巧手产业从实验室加速走向商业化。

一、灵巧手市场规模增长快速,背后却面临三大瓶颈

灵巧手正处于高速增长期的黄金期,据QYResearch统计,2024年全球灵巧手规模达到了8.15亿美元,预计2031年全球灵巧手规模将达到103.22亿美元,年复合增长率为40.4%;在中国,2024 年灵巧手市场规模达到了2.55亿美元,预计 2031 年规模将达到37.39亿美元,年复合增长率达41.6%。

值得注意的是,在人形机器人整机 BOM 中,灵巧手通常占15%–20%。随着工业自动化、医疗机器人等领域对独立末端执行器需求的增长,其市场潜力还将进一步释放。

然而,看似广阔的市场背后,灵巧手的商业化落地仍受制于三大核心瓶颈。

在技术层面,复刻人手的复杂动作需要极高的工程精度。一只灵巧手,往往依赖数百个微型电机、驱动器和传感器协同工作,要在接近真实人手比例的体积里塞下这些部件,并保证它们互不干扰,对零部件的小型化、高度集成化提出了非常苛刻的要求。

另外,触觉反馈延迟、材料的稳定性以及多电机协同控制算法的优化,也是当前比较让厂商们头疼的问题。

而正是由于采用了大量精密零部件和复杂装配工艺,当前高端灵巧手的成本普遍在 10 万元以上,机器人BOM成本居高不下。

成本是制约商业化规模的核心要素,只有灵巧手成本下降,才有可能在现实场景中真正铺开。目前,高端灵巧手厂家的成本已经逐步降低,但规模化量产仍需突破。

场景适配性不足同样制约着灵巧手的发展,现有方案难以同时满足多场景需求。灵巧手当下多用于实验室或精密装配这样的高端工业场景,一旦面对复杂多变的商业、家庭场景,基本上还是比较笨拙缓慢。

对下游厂商而言,一款好用的灵巧手,不仅需要在性能上与场景深度适配,比如工业场景需高负载、精密场景需高定位精度,更要避免功能冗余,产品性价比要高。

这为上游零部件厂商带来新的挑战与机遇:如何通过技术创新,在微型化、高集成与低成本之间找到平衡点,成为决定企业竞争力的关键。MPS 的灵巧手解决方案就是朝这个目标出发,把半导体级的集成与量产能力投射到灵巧手的每一个关键节点上。

二、MPS高度集成的端到端方案,让开发更快、成本更低

灵巧手难就难在如何在小型化的空间体系里实现高自由度与精准控制,而这正是MPS的解决方案的优势所在。

MPS的EZmotion端到端方案以高集成度为核心,该方案把FOC矢量控制算法、位置/电流/速度三环控制、PID调节和磁编码器高度集成,形成一体化模组,能够极大地节省PCB布板尺寸和安装空间,降低系统集成复杂度。


目前,MPS提供8-16mm直径的空心杯电机一体化设计方案,集成磁编码器+驱动器+微型减速器+FOC算法+三环控制,有效降低手部主控MCU的要求。

MPS还与客户深度协同,推动产品快速进化。例如,有客户希望将电机直接集成到机器人手指内部,并且把电机直径控制在10mm以内,这就要求配套芯片进一步小型化。而MPS研发团队针对这一需求,研发了新一代改良芯片,将芯片面积缩小30%以上,实现了电机与手指的紧凑集成。

市面上普遍要求PCB电路板做到尽可能小型化,为此,MPS在CSP封装等方向上已经展开研发工作,通过将不同模块集中化处理,以满足客户对最终产品形态中超小尺寸的严格要求。

在缩短开发周期方面,MPS 的方案同样表现突出。灵巧手的开发涉及多电机布局、通讯排线、散热设计等复杂工程问题,传统方案的开发周期长,MPS的模组一体化方案,能够帮助客户缩短开发周期30%以上,同时极大提高了系统稳定性和调试的便易性。

从中长期来看,降本是灵巧手行业商业化的关键,MPS 则从零部件层面为客户提供了多重降本路径。

首先是设计优化,通过集成式驱动器减少 BOM 成本;其次是算法集成,MPS 提供的 FOC 控制算法 SDK,可减少客户 30% 的开发成本,避免重复投入。此外,MPS 还通过简化接线设计与集成工程、推动合作开发,降低客户的前期预研风险与后期生产制造成本。

三、从电机驱动、传感器到一体机,打造更好用的灵巧手

对一只灵巧手来说,控制、驱动、传动和感知是四大核心模块。如何实现它们之间的有效配合、确定主要的技术路线和相应方案,是MPS一直以来在思考的问题。

MPS的灵巧手解决方案覆盖了电机驱动、传感器、空心杯电机一体机等,形成了完整的产品矩阵,能够满足多种场景需求,帮助灵巧手厂商更快、更便捷地打造好用的灵巧手。

在电机驱动领域,MPS 推出了三款核心的三相无刷直流电机驱动器产品,可应用于工业机器人、无人机等。

MP6547A集成了由6个N -沟道功率MOSFET组成的三个半桥、预驱动器、栅极驱动电源。每个半桥具有独立的接地引脚,以支持外部电流采样。该器件可提供高达 6A 的峰值电流和 3A 连续输出电流。其每个半桥都有使能和PWM输入功能,它使用内部充电泵为高侧 MOSFET 栅极驱动供电,支持在100%占空比下工作。具有自动同步整流功能和输出故障提示,内部安全特性有欠压锁定保护、过压保护、过温关断保护和过流保护。该器件采用QFN-18 (3mmx4mm) 封装。


MP6543集成了由6个N -沟道功率MOSFET组成的三个半桥、预驱动器、栅极驱动电源、内置LDO稳压器和电流采样放大器。该器件可提供高达2A的连续电流,具有可调过流保护阈值。其每个半桥都有使能和PWM输入功能,它使用内部充电泵为高侧 MOSFET 栅极驱动供电,支持在100%占空比下工作。具有自动同步整流功能和输出故障提示,内部安全特性有过温保护、欠压锁定保护和过流保护。该器件采用QFN-24 (3mmx4mm)封装。


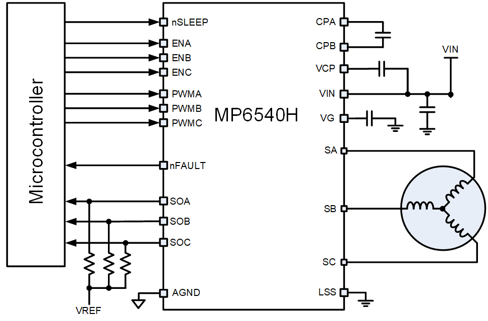
MP6540H集成了由6个N -沟道功率MOSFET组成的三个半桥、预驱动器、栅极驱动电源和电流采样放大器。该器件可提供高达 6A 的峰值电流和 5A 连续输出电流。其每个半桥都有使能和PWM输入功能,它使用内部充电泵为高侧 MOSFET 栅极驱动供电,支持在100%占空比下工作。具有自动同步整流功能和输出故障提示,内部安全特性有过温保护、欠压锁定保护和过流保护。该器件采用QFN-26 (5mmx5mm)封装。


在传感器领域,MPS 推出了两款核心产品,可用于电动助力转向、电子制动系统、多圈编码器、电机位置控制、机器人应用、工业控制与自动化等。

MA600A是一款高精度、高带宽的磁角度传感器,用于检测永磁体(通常为旋转轴上径向磁化的圆柱体)的绝对角度位置。MA600A 集成了高灵敏度 TMR 传感器,可实现高带宽和高精度(INL),是位置控制和机器人应用的理想解决方案。MA600A支持宽磁场强度与空间配置范围,并同时支持轴端(同轴)和侧轴(离轴)安装配置。MA600A 经过工厂校准,在全温工作范围内误差 (INL) 低于 0.6°。此外,用户还可通过可配置32 点校正表进行最终系统校准;用户校准后的最终误差 (INL) 可小于 0.1°。MA600A支持菊花链配置并通过 SPI 进行角度读取。该器件采用小尺寸 QFN-16 (3mmx3mm) 封装。


MA900是一款精密的非接触式磁性绝对角度位置传感器,其角度数据从传感器 IC 上多个位置的磁场差异中提取,这种差分法消除了寄生磁场的影响,对超过 4kA/m DC 或 5mT 的寄生杂散磁场不敏感,可提供零滞后的结果输出,非常适合传感器位于轴端的简单目标磁体。MA900 通过片上非易失性存储器存储设置参数,如参考零角度位置、ABZ 编码器设置和 UVW 仿真配置,其中 ABZ 正交编码器接口可配置每圈脉冲数,UVW 接口支持 1 到 8 极对仿真。该器件采用 QFN-16(3mmx3mm)封装。


在空心杯电机一体机领域,MPS推出的MMS1RH系列产品,不仅能够实现更简单、安全的高精度控制,还能有效减少部件和装配成本,提升整体经济性与性价比。


MMS1RH系列产品集成了伺服驱动器、位置编码器、永磁同步电机,SPI时钟频率8MHz。可独立实现转矩闭环控制,在提供的 C 语言 EasyFOC 库配合下可在速度和位置控制模式下运行。

EasyFOC库可通过 SPI 接口读取电机的角度、电流、电压反馈,并根据客户给定的控制模式计算对应指令,发送至 MMS1RH 以实现位置或速度闭环控制;其中,对实时性要求较高的 FOC 电流环部分,直接在 MMS1RH内部完成。


MMS1RH系列产品采用一体化电机驱动模组,集成空心杯电机+驱动器+磁编码器+减速机。基于FOC控制技术,产品可实现位置、速度和力矩闭环控制,可扩展力/位混合控制。产品集成17位角度传感器,可实现精准位置控制,可通过MCU C语言代码库拓展电机控制功能。并且还用总线连接方式减少线束,简化系统接线,具有外部角度、力、扭矩传感器拓展接口。

为进一步完善灵巧手驱动解决方案,MPS还推出了电机驱动板MMP1RH,该器件具备 FOC 控制功能,集成了角度传感器,拥有超小尺寸(直径 9mm、厚度 6.5mm),输入电压范围为 5V-18V,最大2A相电流,支持最大转速 60000rpm,配备 RS485 接口,具备UVLO/OCP保护功能,可编程开关频率高达80kHz,角度传感器分辨率为14bits,电流采样ADC分辨率为 10bits。


四、具备丰富的量产、本土化经验,正大力推进生态合作

单靠技术与样品无法完成产业化;真正考验企业能力的是把样品做成可复制的产线与服务体系。MPS 并非灵巧手赛道新玩家,其在汽车电子领域的深厚积累,为切入灵巧手赛道奠定了坚实基础。

MPS的汽车电子与人形机器人的产品线重叠度高,例如,MPS 在汽车领域广泛应用的MP(Q)6543H三相BLDC驱动芯片、MA(Q)600 TMR 角度传感器,以及电源管理DCDC、AFE 产品等,与灵巧手对高精度电机驱动、微型化传感器、高可靠性电源的需求高度契合。这种技术复用性不仅降低了MPS的研发成本,还使其具备天然的量产优势,可满足灵巧手厂商快速上量的需求。

为更好地服务中国市场,MPS正在大力推进供应链本地化。这样做的优势在于,能让 MPS 更深入地了解客户的实际痛点,以更快的响应速度、更低的成本、更高的定制化满足率服务客户。

同时,MPS 还在强化本土化支持网络,在成都设有研发与生产中心,在上海、杭州、深圳设有研发与销售中心,在北京、西安、广州、南京、武汉、厦门、青岛等多个城市均有办事处,形成了一套完整的“研发 + 生产 + 支持”体系,使得方案能更精准地匹配国内市场需求。

目前,国内大部分灵巧手公司都采用了 MPS 的电源管理芯片、电机驱动芯片和位置传感器等产品。而一体化电机作为衍生产品,已进入Top10人形机器人及灵巧手厂商的样品测试阶段。

生态合作是 MPS 推动灵巧手行业发展的另一重要举措。MPS 不将自己定位为单纯的零部件供应商,还希望通过联合开发,与客户共同推动行业发展。MPS正在与多家人形机器人、灵巧手厂家开展深度合作与联合开发,并针对这些合作方向进行产品应用规划和配套研发投入。

对MPS来说,灵巧手是一项高增长战略业务。未来 3-5 年,MPS还将投入更多资源在该领域,包括扩大研发团队、拓展生态合作伙伴等,目标是占据全球高端灵巧手控制与驱动市场更高的市场份额。

结语:灵巧手走向规模应用,需技术、成本与场景同时发力

灵巧手要实现从实验室到规模应用的跨越,仍需在技术收敛、成本突破、场景落地三方面同时发力。

MPS的资深工程师表示,技术层面,需形成主流技术路线(如空心杯电机 + 微型丝杠 + 腱绳传动),攻克多电机协同控制、触觉反馈延迟等难题;成本层面,需将单手成本降至 5 万元以下,打破商业化的价格壁垒;场景层面,则需推动灵巧手从高端工业场景向医疗、家庭服务等领域延伸。

在这一过程中,MPS将长期积累的电机驱动、传感器、电源管理技术,转化为面向灵巧手的端到端解决方案,既能解决零部件微型化、高集成的技术痛点,又能通过一体化设计和本地化供应链帮助客户降本,加速行业技术普及与生态收敛。

这种 “技术+本地化+生态” 的组合优势,让 MPS 不仅是零部件供应商,更有望成为推动灵巧手行业变革的关键上游力量之一。

想要了解更多MPS机器人解决方案,请访问此页面

_______________________

您感兴趣吗? 点击订阅,我们将每月为您发送最具价值的资讯!

获取技术支持