- MPQ6547A-AEC1
 
MPQ6547A-AEC1
Session textval
Session Titefor popup
详情
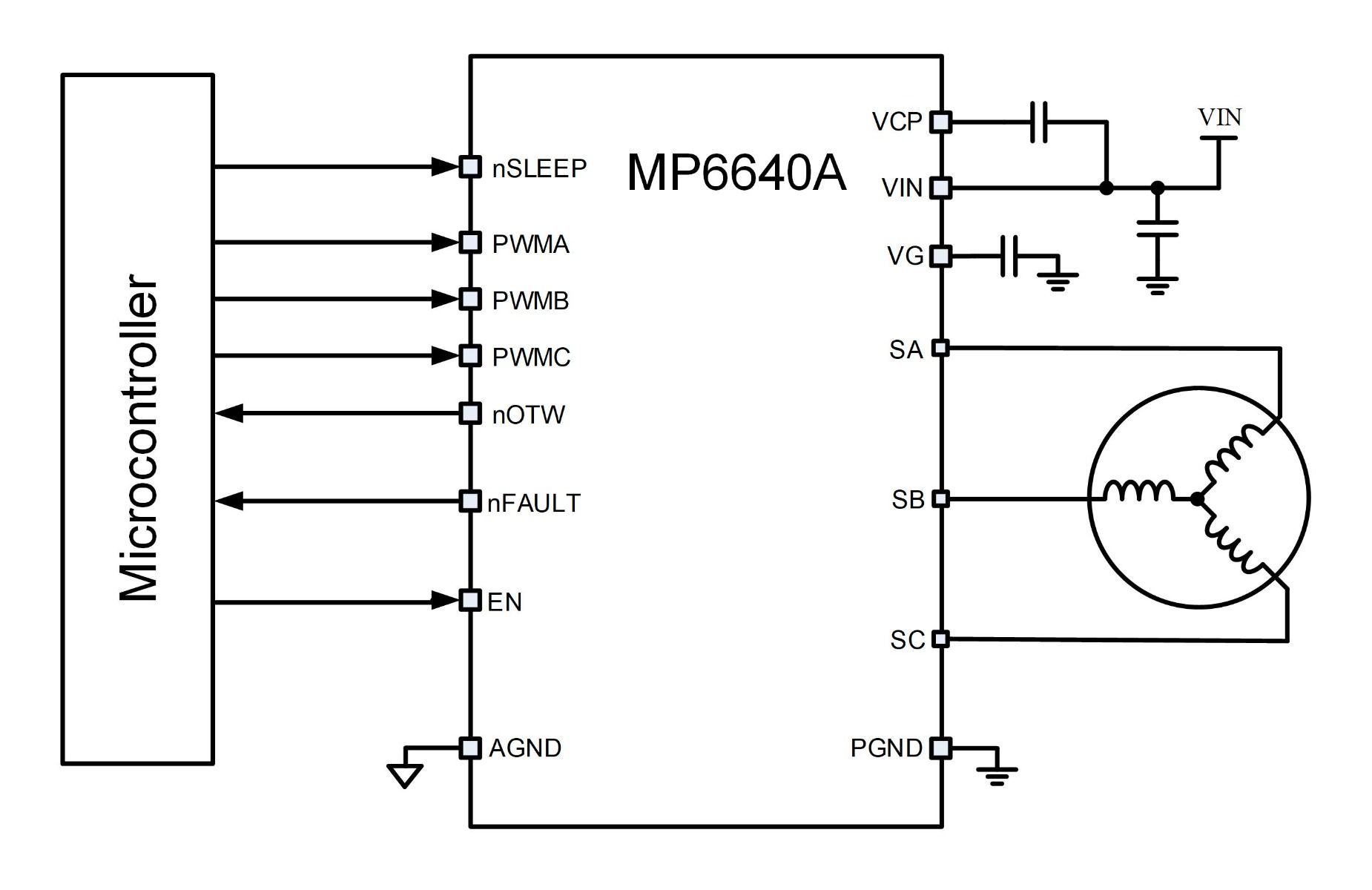
MPQ6547A-AEC1是一款三相无刷直流 (BLDC) 电机驱动器。它集成了由 6 个 N 沟道功率 MOSFET 组成的三个半桥,同时集成预驱动器和栅极驱动电源。
在适当散热和 PCB 布局条件下,MPQ6547A-AEC1可提供高达5.5A的峰值电流。它利用内部电荷泵为上管 MOSFET(HS-FET)生成栅极驱动供电电压,并通过涓流充电电路维持充足的栅极驱动电压,以实现 100% 占空比工作。
MPQ6547A-AEC1为每个半桥提供独立的接地引脚,从而实现通过外部分流电阻进行电流测量,以满足不同的应用需求。
该器件的内部安全功能包括过温关断保护、欠压锁定(UVLO)保护和过流保护(OCP)。
MPQ6547A-AEC1采用QFN-18( 3mmx4mm )封装,符合 AEC-Q100 等级1 认证。
- 
            显示更多
            显示较少
            
         
产品特性和优势
- 4V至32V工作电压范围
 - 三个集成型半桥驱动器
 - 5.5A峰值电流
 - 低 MOSFET 导通电阻:(HS-FET:50mΩ,LS-FET:40mΩ)
 - 脉宽调制 (PWM) 输入和使能 (EN) 输入
 - 内部电荷泵支持 100% 占空比运行
 - 自动同步整流
 - 欠压锁定 (UVLO) 保护和过温关断保护
 - 输出故障标志
 - 过流保护(OCP)
 - 采用侧面镀锡的QFN-18(3mmx4mm)封装
 - 符合 AEC-Q100 等级1 认证
 
        正在供货产品型号
MPQ6547AGLE-AEC1-Z MPQ6547AGLE-AEC1-P
以 P 和 Z 结尾的零件编号是相同的零件。P 和 Z 仅表示卷筒尺寸
 P&Z的含义 
MPQ6547A-AEC1 Resources
- 
            
                ARTICLE
                                        
从驱动到传感,MPS端到端方案:如何解决灵巧手高集成与小型化难题?技术文章在前阵子落下帷幕的世界机器人大会与世界人形机器人运动会上,机器人不仅大秀格斗、拳击、武术、舞蹈等酷炫技能,还在零售、工厂、餐饮等各种场景中上手干活,一场关于“机器人到底能帮人类做什么”的讨论也正在悄然升温。 机器人从能走会动进阶成能抓善握,灵巧手作为机器人与物理世界交互的末端执行器,正跃升为产业焦点。灵巧手的精度、灵活性与场景适配能力,是一台机器人能否完成真实世界任务的关键。 一只好用的手需要在体积、精度、寿命与成本之间找到一个平衡点,也正因此,如何造出既好用又成本合适的手,成了机器人企业在落地尝试时无法回避的问题。 国内已涌现出大批灵巧手玩家,既有只专注灵巧手研发的垂直玩家,也有机器人整机厂商、机器人零部件生产商参与,竞逐这片蓝海市场。 而MPS作为一家全球化的半导体公司,正在将其长期以来在电源管理、电机驱动、传感器等领域的深厚技术积累,以及EZmotion空心杯电机一体机等新产...
 - 
            
                ARTICLE
                                        
MPS人形机器人解决方案:“芯片+算法+系统”三位一体的创新驱控技术文章10月15日, MPS人形机器人解决方案发布会在上海顺利举办。MPS模拟产品线的总监瞿松带大家纵览人形机器人从技术萌芽到智能革命的演进历程,深度剖析当前机器人应用面临的动态平衡、环境感知与实时决策、能耗与制造成本等核心挑战,同时揭晓了MPS针对人形机器人应用难题推出的高性能电机驱动、高精度传感器、驱控一体式电机等多款新产品,并详细解析产品特性与技术优势。 21世纪以来,人形机器人进入了快速发展阶段。波士顿动力公司推出以高动态运动能力为特征的Atlas机器人。特斯拉公司研发出Optimus人形机器人,计划应用于工业生产等领域。Figure AI 机器人首个搭载通用视觉-语言-行动(VLA)模型,能够实现自然语言控制、多机器人协作、快速学习等功能。 国内市场也表现出了很强的活力。宇树科技的R1、G1、H1等人形机器人具有较强的运动能力,同时集成了语音、图像多模态大模型,具有较强的交互能...
 - 
            
                APPLICATION
雨刮器控制应用雨刮器控制系统可智能管理雨刮器速度、间歇设置并提供自动雨量感应功能,在各种天气条件下都为驾驶员提供最佳的视野。现代雨刮器控制装置注重安全性和便利性,从基本的雨刮器调整,到复杂的雨量感应功能,雨刮器控制技术可确保在恶劣天气下驾驶时也实现最佳功能和安全性。 MPS 的解决方案组合包含了多种产品,包括电机驱动器、电流传感器、位置传感器、LDO、看门狗定时器和监控电路,能够满足现代雨刮器控制系统的复杂要求。这些组件不仅能够提供高效率的电源管理,还支持自适应速度控制和精确定位等高级功能。 我们卓越的解决方案组合为下一代雨刮器控制系统供电提供了所需的一切。
 - 
            
                APPLICATION
座椅舒适性控制应用座椅舒适性控制技术让用户能够精确调节并个性化汽车座椅的舒适度设置,从而确保最佳的乘坐体验。无论是调节腰部支撑、座椅加热还是调节通风,座椅舒适控制系统都能提供无缝、灵敏的响应,提升用户在车内的整体舒适度。 MPS 的座椅舒适控制系统全套产品包括了电机驱动器、电流传感器、位置传感器、LDO、看门狗定时器和监控电路。从基本座椅调节到复杂的舒适功能,这些组件能够为所有功能供电,并在座椅舒适度控制的各个方面都实现高效率、高可靠性和高精度,为卓越的驾驶体验做出贡献。 MPS独特的解决方案组合为实现下一代座椅舒适控制系统供电提供了所需的一切。
 - 
            
                APPLICATION
尾门控制应用尾门控制提供了一种无缝、高效的尾门操作方法,它结合智能控制机制,可在各种汽车应用场景中提高用户的便利性与安全性。尾门控制是为满足汽车尾门系统不断发展的需求而提供的一种先进解决方案。 MPS 卓越的电源解决方案中包含了全套半导体元件,包括电机驱动器、传感器、LDO、看门狗定时器和监控电路。这些器件在优化尾门系统的性能、可靠性和能效方面发挥着关键作用。 MPS 无可比拟的全套电源解决方案提供了尾门控制应用所需的一切。我们的产品可无缝集成到汽车系统中,提供卓越性能的同时兼具精准控制、低功耗和坚固耐用等优势。
 - 
            
                PRODUCT CATEGORY
集成 BLDC 电机驱动器产品类目 - 
            
                APPLICATION
显示(导航、抬头显示、仪表盘)应用汽车显示—包括中央显示器、平视显示器 (HUD) 和仪表盘—向驾驶员显示关键信息和交互式内容。中央信息显示器连接到主机,并提供导航和其他车内信息娱乐控制。汽车 HUD 和仪表仪表盘为驾驶员提供易于访问的信息。HUD 还可以在视线高度上从集群显示器中投射出关键指标,例如速度、温度和燃料用量。除了满足严格的散热要求、ISO26262 安全标准和 EMC 法规之外,这些高级显示器还要求高效率、易于集成和可扩展性的电源解决方案。 我们典型的电源管理解决方案组合包括降压和升压变换器、电源模块、低压差 (LDO) 稳压器、线性稳压器、USB 充电端口、负载开关、PMIC、背光 (WLED) 驱动器、直流有刷驱动和螺线管驱动器和直流无刷预驱动器。这些汽车级部件可实现高质量的显示,同时还满足重要的安全标准。 MPS 高效、可扩展的产品组合为您提供支持下一代汽车显示设计所需的一切。
 - 
            
                APPLICATION
信息娱乐系统应用汽车车载信息娱乐系统越来越多地由软件驱动,以增强安全性和整体驾驶体验。现代汽车将驾驶和环境信息、乘客娱乐、无线连接和导航集成到一个集中的信息娱乐系统架构中。然而,随着复杂的车载信息娱乐系统的兴起,汽车设计师还面临着越来越多的系统复杂性,例如高级驾驶辅助系统 (ADAS) 以及对连接性和舒适性的考虑,以及符合 ISO26262 安全标准和 EMI 法规。 我们卓越的车规级组件套件包括降压和升压变换器、电源模块、低压降 (LDO) 稳压器、USB 充电端口、负载开关、模拟开关、PMIC、背光 (WLED) 驱动器、直流有刷和螺线管驱动器和直流无刷预驱动器。这些部件旨在以紧凑的封装尺寸简化系统设计,并确保符合严格的安全要求。 MPS 可靠、高效的电源解决方案为下一代信息娱乐系统设计供电提供了所需的一切。
 - 
            
                PRODUCT CATEGORY
集成式直流无刷电机驱动器产品类目 - 
            
                PRODUCT
                                        
MPQ6635-AEC1产品35V, 3-Phase, Sensorless BLDC Motor Driver with Configurable Gate Driver
 - 
            
                PRODUCT
                                        
MP6549产品22V、10A 3 相功率级
 - 
            
                PRODUCT
                                        
MP6543H产品支持 ENBL 和 PWM 输入的 22V/2A 3 相功率级
 - 
            
                PRODUCT
                                        
MP6546产品带 1MHz 数字接口的 22V、3A 峰值电流、三相直流无刷(BLDC)驱动 IC
 - 
            
                PRODUCT
                                        
MPQ6634-AEC1产品35V、2A 峰值、三相、无传感器 BLDC 电机驱动器,符合 AEC-Q100认证
 - 
            
                PRODUCT
                                        
MPQ6653A-AEC1产品集成霍尔传感器的35V/1.2A、单相 BLDC 电机驱动器,采用 TSOT23-6-SL或TSOT23-6 封装,符合 AEC-Q100 认证
 - 
            
                PRODUCT
                                        
MPQ6653-AEC1产品具有嵌入式霍尔传感器的 35V 单相 BLDC 电机驱动器,符合 AEC-Q100 认证
 - 
            
                PRODUCT
                                        
MPQ6631H-AEC1产品35V输入、3A 峰值相电流、三相 BLDC 电机驱动器,符合AEC-Q100认证
 - 
            
                PRODUCT
                                        
MP6541产品具有 PWM 和 ENBL输入的 40V、8A、三相功率级
 - 
            
                PRODUCT
                                        
MP6541A产品具有 高边(HS )和 低边(LS) 输入的 40V、8A、三相功率级
 - 
            
                PRODUCT
                                        
MP6545产品45V、2.5A、简易的三相功率级 IC
 - 
            
                PRODUCT
                                        
MP6545A产品带电流测量功能的 45V、2.5A、简单3相功率级
 - 
            
                PRODUCT
                                        
MPQ6541A-AEC1产品支持 HS 和 LS 输入的 40V、8A、三相功率级,符合 AEC-Q100 认证
 - 
            
                PRODUCT
                                        
MPQ6541-AEC1产品支持 PWM 和 ENBL 输入的 40V、8A、三相功率级,符合 AEC-Q100 认证
 - 
            
                PRODUCT
                                        
MP6543C产品集成三个半桥的 22V、1.2A、三相直流无刷电机驱动器
 - 
            
                PRODUCT
                                        
MP6543H-A产品支持高侧和低侧输入的22V/2A 3 相功率级
 
    
    
                  
                                    
                                            
                                            
                                            
        
                
            
                
                
直接登录
创建新帐号