- MP29540
MP29540
Session textval
Session Titefor popup
详情
The MP29540 is a digital controller that supports high-current, multi-phase voltage regulators (VRs). The MP29540 works together with external power stages to make a hybrid buck or standard multi-phase VR solutions. The MP29540 can sense the current via the inductor's DC resistance (DCR).
The MP29540 can be configured with up to 8-phase operation to support 4 blocks of hybrid buck topology with an external AND gate, or up to 6-phase operation to support 3 blocks of hybrid buck topology with an internal AND gate (PWMx_xN pins).
The MP29540 provides on-chip non-volatile memory (NVM) to store and restore device configurations. Device configurations and fault parameters can be easily configured or monitored via the PMBus/I2C interface.
The MP29540 is based on a unique, digital, multi-phase, nonlinear control to provide a fast transient response to the load transient with minimal output capacitors. With only one power loop control method for both steady state and load transient response, the power loop compensation is very easy to configure.
The MP29540 is available in a TLGA-40 (5mmx5mm) package.
-
显示更多
显示较少
产品特性和优势
- Up to 8-Phase, Digital Controller
- PMBus/I2C Compliant (800kHz Bus Speed)
- Pin Configurable for PMBus Address
- Built-In Non-Volatile Memory (NVM) to Store Configurations
- 120kHz to 1.5MHz Switching Frequency (fSW)
- Up to 3 Parts Work with Internal AND Gate
- Up to 4 Parts Work with External AND Gate
- Automatic Slope Compensation
- Selectable Open-Loop or Closed-Loop Control
- VFLYCAP Under-Voltage (UV) Monitor
- Supports Multi-Configuration for 6 Different Applications
- Active Current Sharing Between Modules
- Flexible Output Current (IOUT) Sense via Inductor's DC Resistance (DCR)
- Phase-to-Phase Active Current Balancing with Configurable Offsets for Thermal Balance
- Input Voltage (VIN), Output Voltage (VOUT), Current, and Power Monitoring
- VIN Under-Voltage Lockout (UVLO), VOUT Over-Voltage Protection (OVP)/Under-Voltage Protection (UVP), Fast Over-Current Protection (OCP), Slow OCP, and Over-Temperature Protection (OTP)
- Auto-Record Voltage Regulator (VR) Fault Types to the NVM
- Digital Load-Line Regulation
- Overclocking Mode by Adding Offset to VOUT
- Password Lock to Access Registers
- Available in a TLGA-40 (5mmx5mm) Package
正在供货产品型号
MP29540GLUT-xxxx-Z MP29540GLUT-xxxx-P MP29540GLUT-0000-Z MP29540GLUT-0000-P
以 P 和 Z 结尾的零件编号是相同的零件。P 和 Z 仅表示卷筒尺寸
P&Z的含义 
MP29540 Resources
-
APPLICATION
5G 电源解决方案应用 -
APPLICATION
NIC 电源解决方案应用 -
APPLICATION
MPS电子开关解决方案应用 -
PRODUCT CATEGORY
控制器产品类目 -
APPLICATION
服务器(DDR5电源)应用DDR5 SDRAM(同步动态随机存取内存)是最新一代的 DDR 内存。它是 DDR4 的后代产品,在速度、容量和能效方面都有显著的改进。DDR5 内存模块专为个人计算机、工作站和服务器而设计。DDR5 内存模块的主要优点包括: 速度更快:DDR5 内存模块的运行速度可达 8400MT/s,而 DDR4 仅为 3200MT/s。对游戏、视频编辑和 3D 渲染等任务来说,这无疑可显著改善性能。 容量更大:DDR5 内存模块的容量高达 128GB,而 DDR4 仅为 16GB。因此它能够提供更大的数据存储量,并能够同时运行高要求的应用。 功耗更低:DDR5 内存模块的运行电压 (1.1V) 低于 DDR4 内存模块 (1.2V)。低电压运行有助于降低计算机功耗并节省电费。 纠错能力更强:DDR5 内存模块具有片上 ECC(纠错码)功能,有助于防止数据损坏。 MPS...
-
APPLICATION
服务器(核供电)数据中心解决方案应用云计算、人工智能(AI)、机器学习以及其他一些革命性技术正在整个行业中扩展开来,并已融入了消费者的日常生活中。然而,要满足这些技术不断增长的数据和处理需求,服务器和数据中心需要具备前所未有的速度。在不降低效率或可靠性的前提下,不断缩小的占板空间内需要容纳史无前例的高功率密度。核心电压轨必须能够提供卓越的速度、保护功能和灵活性,以跟上不断增长的需求。 MPS多样化的解决方案在保证效率的同时,能保持较低的整体系统成本。其散热管理专为高密度、高耗电的服务器而设计,能够节约能源并优化输出。MPS专有的Intelli-PhaseTM技术可保持并提高每个新设计的性能。这些可扩展的解决方案还提供了热插拔功能和先进的FET技术,可帮助简化设计,实现节省空间的封装。MPS创新的产品实现了强大的功能、速度与效率,可充分满足您的服务器设计需求。
-
PRODUCT CATEGORY
处理器核心电源控制器产品类目 -
PRODUCT
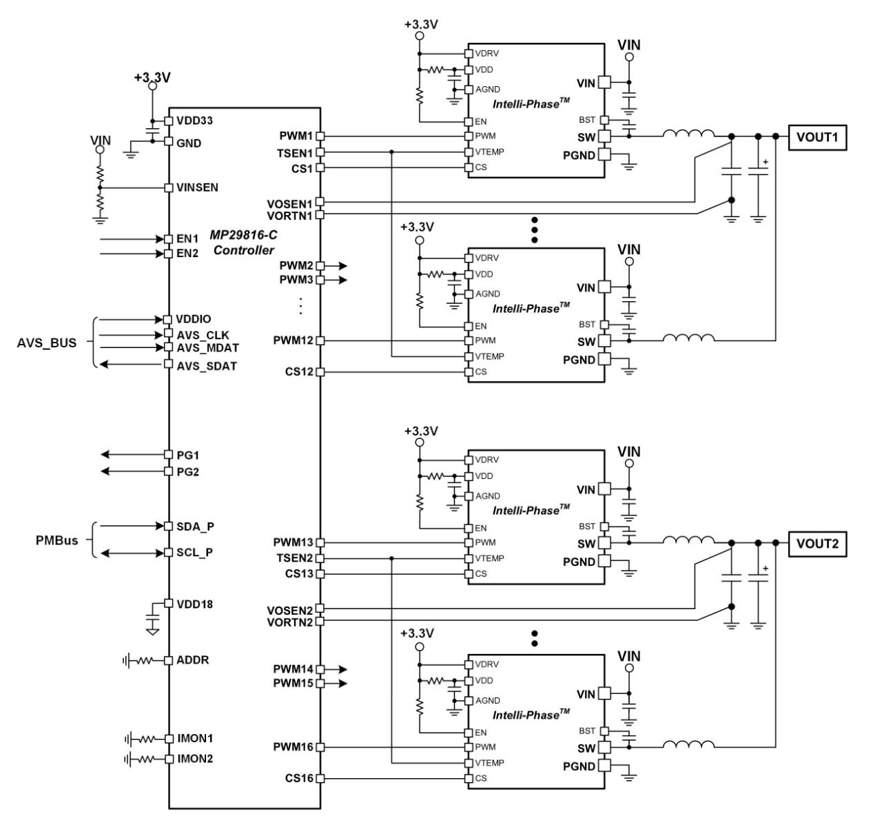
MP29816-C产品Dual-Loop, Digital, 16-Phase Controller with PMBus and AVSBus Interface
-
PRODUCT
MP2869A产品用于AMD的双环路数字 16 相控制器,带SVI3接口
-
VIDEO
MPS电源小课堂:多相电源-这就是电源界的“动车组列车”视频多相电源由一个多相电源控制器和多个功率半桥构成,为输出端芯片提供高质量的电能。它就像是我们今天经常乘坐的动车组列车,每一个功率半桥都是一个“动力车厢”,而多相电源控制器则是火车的“控制系统”,控制着整个列车的方向和速度,同时也保障各个“动力车厢”的协同运行。 更多精彩电源小课堂视频,敬请期待---> 联系我们 多相控制器&Intelli-Phase|芯源系统|MPS 处理器核心电源控制器| 多相控制器&Intelli-Phase|MPS|芯源系统 MP2891:面向业界领先GPU产品的双路输出、数字、16 相控制器,带有 PWM-VID 接口 MP86956:集成 HS-FET/LS-FET 和驱动器的Intelli-PhaseTM 解决方案,采用 LGA 和 TLGA (5mmx6mm) 封装 如何为多相电源系统设计热平衡...
-
VIDEO
MPS电源小课堂:COT控制方式如何保证多相电路均流视频均流对于多相供电系统来说至关重要,它不仅关系到系统的稳定性和可靠性,还直接影响到电源模块的寿命和效率。本视频给大家介绍一下通过COT控制方式如何来保证多相电路均流。 更多精彩电源小课堂视频,敬请期待---> 联系我们 多相控制器&Intelli-Phase|芯源系统|MPS 处理器核心电源控制器| 多相控制器&Intelli-Phase|MPS|芯源系统 MP2891:面向 NVIDIA 产品的双路输出、数字、16 相控制器,带有 PWM-VID 接口 MP86956:集成 HS-FET/LS-FET 和驱动器的Intelli-PhaseTM 解决方案,采用 LGA 和 TLGA (5mmx6mm) 封装 恒定导通时间(COT)控制的过去与现在 DC/DC 变换器中恒定导通时间控制(COT)的优势 文章:使用数字多相控制...
-
PRODUCT
MP2927产品三路输出数字多相控制器,兼容用于AVSBus的PMBus 接口
-
PRODUCT
MP2880产品单路输出、20 相数字控制器, 兼容用于AVSBus 的 PMBus 接口
-
PRODUCT
MP2882产品双路输出、16 相数字控制器, 兼容用于SVI2/AVSBus 的 PMBus 接口
-
PRODUCT
MP2891产品双路输出、数字、16 相控制器,带有 PWM-VID 接口
-
PRODUCT
MP2926产品带PMBus 接口的三环路数字多相控制器
-
PRODUCT
MP2855产品带 PMBus 接口的双环路数字多相控制器,可为AMD SVI2供电
-
PRODUCT
MP2886A产品多相数字 PWM 控制器,支持 PMBus 和 PWM-VID 协议
-
PRODUCT
MP2884A产品多相数字 PWM 控制器,支持 PMBus 和 PWM-VID 协议
-
PRODUCT
MP2853产品集成 PMBusTM 接口的双路数字多相控制器,主要用于 AMD SVI2
-
PRODUCT
MP2965产品集成 PMBus 接口的双路数字多相控制器,主要用于 VR13.HC 和 AVSBus
-
PRODUCT
MP2888A产品多相数字 PWM 控制器,支持 PMBus 和 PWM-VID 协议
-
PRODUCT
MP2953B产品集成 PMBus 接口的 6 相数字多相控制器,支持 VR12.5标准
-
PRODUCT
MP2935产品4相PWM控制器,用于 VR12.5 应用v
-
PRODUCT
MP2932产品6相PWM控制器,具有针对VR10和VR11的8位DAC代码
直接登录
创建新帐号