- MPC22175-130
MPC22175-130
Session textval
Session Titefor popup
详情
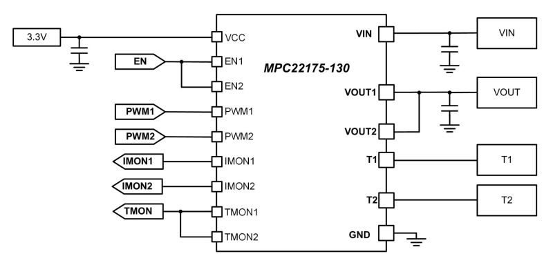
The MPC22175-130 is a dual-phase, non-isolated, high-efficiency step-down, transinductor voltage regulator (TLVR) power module. This Intelli-ModuleTM integrates Quiet SwitcherTM Technology (QSTTM), as well as driver MOSFETs (DrMOS) and TLVR inductors. All of this enables high efficiency and excellent transient performance in a small footprint, which is ideal for AI and server applications.
The MPC22175-130 has two outputs. Its pinout is compatible with a traditional 2-phase voltage regulator (VR) common footprint module. It can easily achieve several ICs in parallel layout and operation with the TLVR footprint, and can achieve up to 130A (65A/phase) of output current (IOUT) across a wide input voltage (VIN) range.
The device offers many features to simplify system design. It works with tri-state pulse-width modulation (PWM) signal controllers, has Accu-SenseTM current-sensing to monitor the inductor current (IL), and has temperature sensing to report the junction temperature (TJ).
The MPC22175-130 is available in an LGA-72 (9mmx9.9mmx4.75mm) package.
-
显示更多
显示较少
产品特性和优势
- Quiet SwitcherTM Technology (QSTTM) Limits Peak Switching Voltages
- Wide 4V to 16V Input Voltage (VIN) Range
- Up to 130A of Output Current (IOUT)
- Excellent Transient Performance
- Footprint Compatible with a 2-Phase Voltage Regulator (VR) Module
- Accu-SenseTM Current Sense (CS)
- Temperature Sense
- Compatible with Tri-State Pulse-Width Modulation (PWM) Signals
- Over-Current Protection (OCP)
- Over-Temperature Protection (OTP)
- Fault Reporting
- Typical Weight: 2.3g
- Available in an LGA-72 (9mmx9.9mmx4.75mm) Package
正在供货产品型号
MPC22175-130-T
MPC22175-130 Resources
-
APPLICATION
MPS电子开关解决方案应用 -
PRODUCT CATEGORY
处理器内核供电 INTELLI-MODULE (DRMOS + 电感)产品类目 -
PRODUCT CATEGORY
INTELLI模块产品类目 -
APPLICATION
服务器(核供电)数据中心解决方案应用云计算、人工智能(AI)、机器学习以及其他一些革命性技术正在整个行业中扩展开来,并已融入了消费者的日常生活中。然而,要满足这些技术不断增长的数据和处理需求,服务器和数据中心需要具备前所未有的速度。在不降低效率或可靠性的前提下,不断缩小的占板空间内需要容纳史无前例的高功率密度。核心电压轨必须能够提供卓越的速度、保护功能和灵活性,以跟上不断增长的需求。 MPS多样化的解决方案在保证效率的同时,能保持较低的整体系统成本。其散热管理专为高密度、高耗电的服务器而设计,能够节约能源并优化输出。MPS专有的Intelli-PhaseTM技术可保持并提高每个新设计的性能。这些可扩展的解决方案还提供了热插拔功能和先进的FET技术,可帮助简化设计,实现节省空间的封装。MPS创新的产品实现了强大的功能、速度与效率,可充分满足您的服务器设计需求。
-
PRODUCT
MPC24180-260产品260A, Four-Phase Intelli-ModuleTM with Quiet SwitcherTM Technology
-
PRODUCT
MPC22157-A-130产品130A, Dual-Phase, High-Efficiency Intelli-ModuleTM
-
PRODUCT
MPC22166-D-130产品采用 Quiet SwitcherTM 技术的5mm、130A、双相 Intelli-ModuleTM 电源模块
-
PRODUCT
MPC22158-130产品采用 Quiet SwitcherTM技术的130A、8mmx8mmx3.8mm、双相 Intelli-ModuleTM电源模块
-
PRODUCT
MPC24380-260产品采用Quiet SwitcherTM技术的260A、4相 Intelli-ModuleTM 电源模块
-
PRODUCT
MPC22164-A-130产品9mmx9.9mmx10mm、130A、2 相、高功率密度电源模块
-
PRODUCT
MPC22165-A-170产品170A、2相、高功率密度 Intelli-ModuleTM电源模块,具有合规高电流密度和9mm x 9.9mm x 10mm小尺寸
-
PRODUCT
MPC22157-130产品拥有双面冷却能力的130A、8mm、双相 Intelli-ModuleTM电源模块
-
PRODUCT
MPC22166-B-130产品拥有双面冷却能力的130A、双相 Intelli-ModuleTM电源模块
-
PRODUCT
MPC22166-A-130产品采用 Quiet SwitcherTM 技术的130A、两相 Intelli-ModuleTM
-
ARTICLE
面向AI和HPC应用的MPS 开放式加速器模块 (OAM) 电源系统技术文章可持续发展是未来世界的必然趋势,能够降低碳排放的节能解决方案需求也随之不断增长,即使人工智能 (AI) 等新兴领域也不例外。为了顺应节能解决方案的发展趋势,MPS一直致力于提供效率更高的电源解决方案。我们的方案能够帮助客户实现人工智能和高性能计算(HPC)领域日益紧迫的节能减排目标。 MPS电源产品遵循模块化和智能化的方向,旨在打造效率高、性能稳的绿色节能数据中心。图 1 显示了 MPS 的 48V 开放式加速器模块 (OAM) 电源系统。 AI OAM电源系统采用智能调节、节能管理、实时监控等多种电源管理技术,能够满足AI技术和HPC应用的需求。 功能特性: MPC22167-130是一款能为处理器核心轨供电的两相 Intelli-ModuleTM器件。该器件专门针对 HPC 应用进行了优化,例如 OAM 外形尺寸的 AI 处理器、FPGA和ASI...
-
USE CASE
INTELLI-MODULE 用例:OAM 形态AI 处理器应用案例本用例将介绍MPC22167-130符合开放加速器模块 (OAM) 外形规格的 AI 处理器应用(见图 1)。 多个 MPC22167-130 器件可与第一级电源模块配合使用,以支持端到端的电源解决方案,同时满足开放加速器模块形态AI 处理器的高功率要求。 超级计算机被越来越多地应用于自动驾驶、自动化客服操作以及预测性维护等新应用,应用方法也越来越复杂。为了应对这种局面,人们对AI计算的兴趣日趋高涨。这些新应用对超级计算机的功率要求越来越高,而随着 CPU 和 GPU 电流需求的不断增加,留给设计人员在电路板上安装多相稳压器 (VR)的空间不断被压缩。 两相降压电源模块MPC22167-130是MPS Intelli-ModuleTM系列的最新产品。该器件将 DrMOS、电感和其他无源元件集成到单个封装中,不仅占位面积小,功率密度还提高了2.5 倍。而且,它允许将 VR ...
-
PRODUCT
MPC22168-170产品采用 Quiet SwitcherTM 技术的16V、170A、双相 Intelli-ModuleTM 电源模块
-
PRODUCT
MPC22165-170产品采用 Quiet SwitcherTM 技术的 170A、两相 Intelli-ModuleTM电源模块
-
PRODUCT
MPC22167-130产品采用 Quiet SwitcherTM 技术的 16V、130A 双相 Intelli-ModuleTM
-
PRODUCT
MPC22164-130产品130A双相 Intelli-PhaseTM电源模块,采用Quiet SwitcherTM技术
-
PRODUCT
MPC22163-130产品采用 Quiet SwitcherTM技术的130A、双相Intelli-ModuleTM电源模块
-
PRODUCT
MPC22161-120产品采用 Quiet SwitcherTM 技术的 120A、双相 Intelli-ModuleTM
-
PRODUCT
MP87294产品100A, Intelli-PhaseTM DrMOS Solution in TLGA-34 (4mmx6mm) Package with Quiet SwitcherTM Technology
-
PRODUCT
MP87550产品Intelli-PhaseTM DrMOS Solution in TLGA-30 (4mmx5mm) Package
-
PRODUCT
MP87120产品20A, Intelli-PhaseTM DrMOS Solution in TLGA-27 (4mmx5mm) Package with Quiet SwitcherTM Technology
直接登录
创建新帐号