显示(导航、抬头显示、仪表盘)

显示(导航、抬头显示、仪表盘) 内容

详情

汽车显示—包括中央显示器、平视显示器 (HUD) 和仪表盘—向驾驶员显示关键信息和交互式内容。中央信息显示器连接到主机,并提供导航和其他车内信息娱乐控制。汽车 HUD 和仪表仪表盘为驾驶员提供易于访问的信息。HUD 还可以在视线高度上从集群显示器中投射出关键指标,例如速度、温度和燃料用量。除了满足严格的散热要求、ISO26262 安全标准和 EMC 法规之外,这些高级显示器还要求高效率、易于集成和可扩展性的电源解决方案。

我们典型的电源管理解决方案组合包括降压和升压变换器、电源模块、低压差 (LDO) 稳压器、线性稳压器、USB 充电端口、负载开关、PMIC、背光 (WLED) 驱动器、直流有刷驱动和螺线管驱动器和直流无刷预驱动器。这些汽车级部件可实现高质量的显示,同时还满足重要的安全标准。

MPS 高效、可扩展的产品组合为您提供支持下一代汽车显示设计所需的一切。

显示更多 显示较少

框图

选择元器件以获得下图表中更多产品信息

System Power
System Power
Reverse Battery Protection
[Not supported by viewer]
HV Buck
HV Buck
HV Buck-Boost
HV Buck-Boost
HV Boost
HV Boost
HV LDO
HV LDO
LV Buck
LV Buck
LV Boost
LV Boost
PMIC
PMIC
Processor
Processor
LV LDO
LV LDO
Backlight LED Driver
Backlight LED Driver
Motor Driver
Motor Driver
Video Buffer
Video Buffer
TFT Bias
TFT Bias
Display: Navigation, Heads-Up, and Cluster
[Not supported by viewer]
HV Load Switch
[Not supported by viewer]
VBATT
[Not supported by viewer]

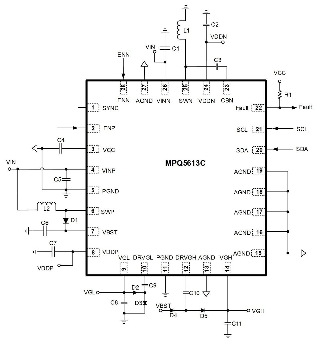
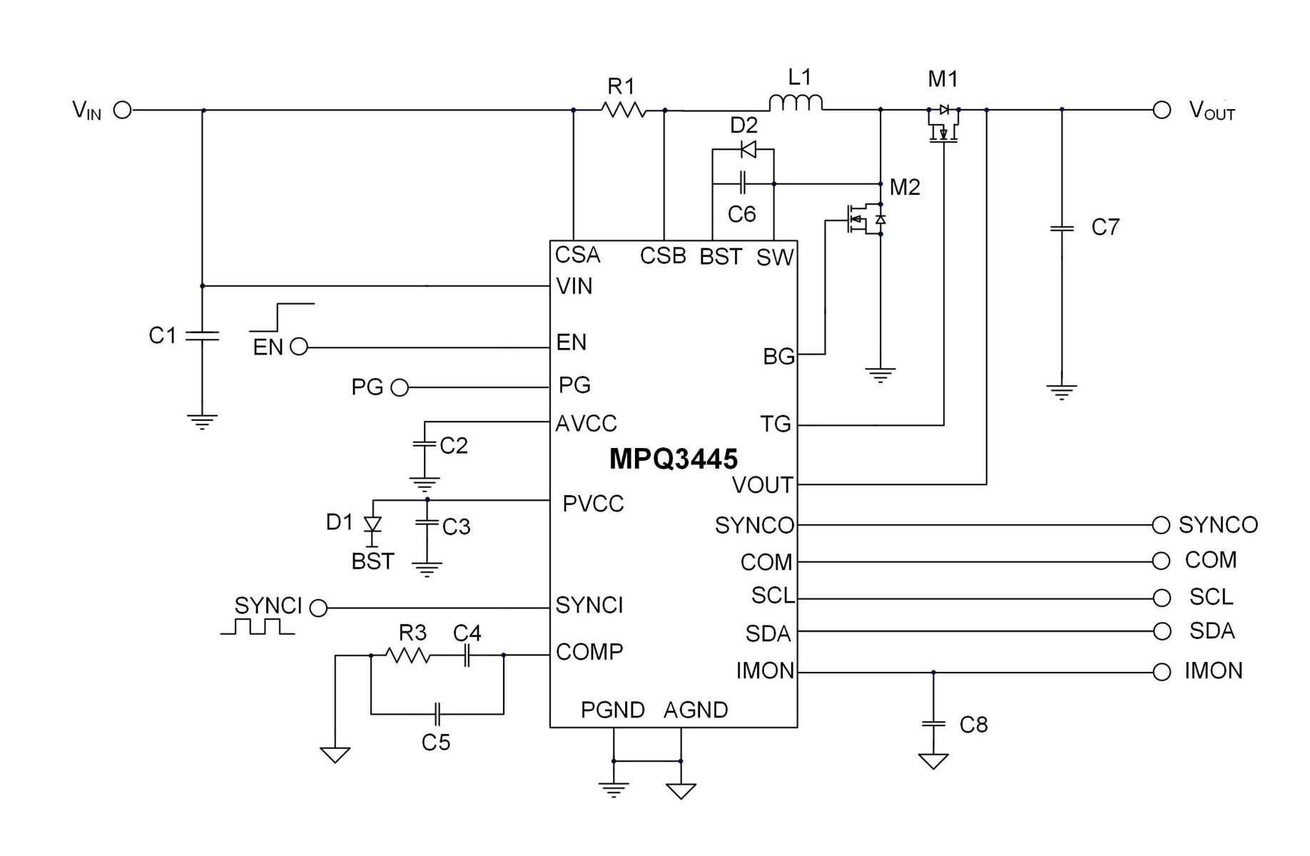
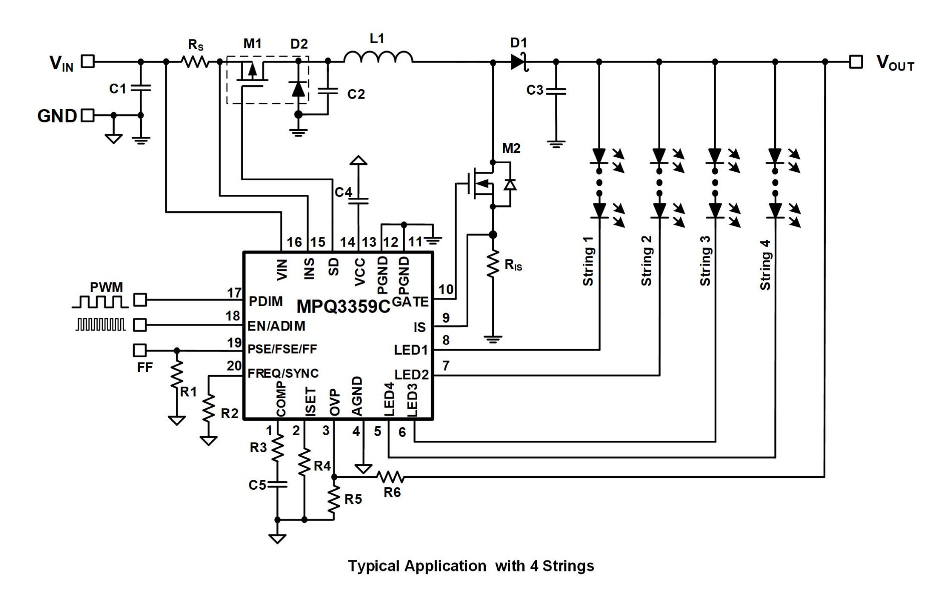
组件列表

获取技术支持