- MPQ9846-AEC1
 
MPQ9846-AEC1
Session textval
Session Titefor popup
详情
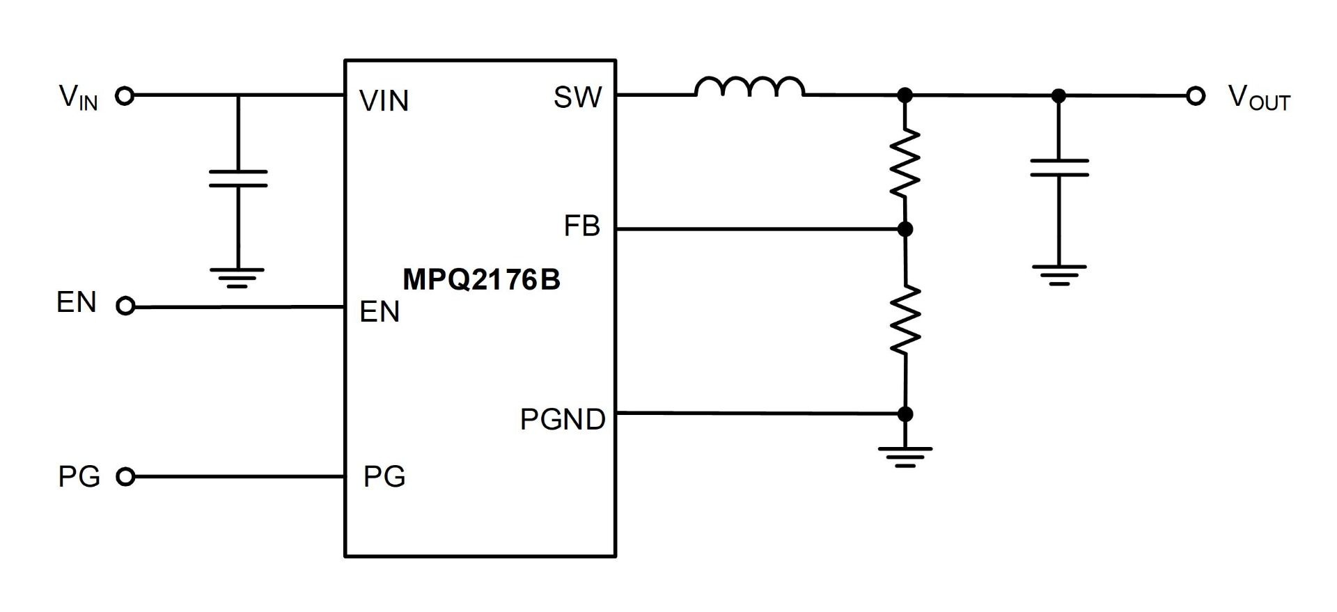
MPQ9846 是一款内置功率 MOSFET 的高频同步整流降压开关变换器。它提供了非常紧凑的解决方案,在 3.3V 至 36V 的宽输入范围内可实现 0.6A 的连续输出电流,具有极好的负载和线性调整率。开关频率可在 350kHz 至 2.5Mhz 范围内编程或与外部时钟同步。同步操作和超低的 14μA 休眠模式静态电流可在输出电流负载范围内提供高效率,因此 MPQ9846 适合广泛的降压应用、汽车输入环境和电池供电应用。
峰值电流控制模式提供快速瞬态响应,并使环路更易稳定。MPQ9846 具备出色的低压差性能,适用于高占空比应用。
全方位保护功能包括过流保护(OCP)、短路保护(SCP)和过温关断保护。漏级开路结构的电源正常输出指示(PG)引脚,可指示输出电压是否在正常范围的 10% 内。MPQ9846 采用节省空间的 QFN-16(3mmx4mm)封装。
- 
            显示更多
            显示较少
            
         
产品特性和优势
- 2μA 低关断供电电流
 - 14μA 空载静态电流
 - 内部集成 125mΩ 上管和 115mΩ 下管 MOSFET
 - 350kHz 至 2.5MHz 可配置开关频率
 - 电源正常(PG)输出指示引脚
 - 外部软启动(SS)功能
 - 最小导通时间为 80ns
 - 轻载条件下采用 AAM 模式
 - 低压差模式
 - 打嗝过流保护(OCP)功能
 - 采用 QFN-16(3mmx4mm)封装
 - 符合 AEC-Q100 等级 1 认证
 
        正在供货产品型号
MPQ9846GL-AEC1-P MPQ9846GL-AEC1-Z
以 P 和 Z 结尾的零件编号是相同的零件。P 和 Z 仅表示卷筒尺寸
 P&Z的含义 
MPQ9846-AEC1 Resources
- 
            
                APPLICATION
逆变器系统应用电动汽车 (EV) 的普及持续呈指数级增长,传统引擎的轰鸣声渐成过去。随着牵引逆变器也从电池中获取电力,街道上汽车发出的唯一声音将只有EV电机的嗡嗡声。牵引逆变器能够帮助将高压电池 (400V/800V) 中的能量转换为三相交流能量,以驱动汽车电机。它通常由六个单通道隔离栅极驱动器组成,具有先进的保护功能以确保电机正常运行。其系统专为 20kW 至 400kW 应用而设计,可为插电式混动全电动汽车的电机提供瞬时扭矩。 MPS 的大型隔离解决方案组合包括了隔离栅极驱动器、隔离栅极驱动器电源、数字隔离器、霍尔效应电流传感器和非隔离 DC/DC 变换器。这些组件可用于偏置和驱动 SiC/IGBT,并通过将变压器集成到芯片级封装中来提供高功率密度。这些方案通过采用容性隔离来实现高 CMTI 和磁噪声抗扰度,能够满足最严格的高功率规范。 MPS 强大的隔离解决方案能够为下一代牵引...
 - 
            
                APPLICATION
车载充电模块(OBCM)应用电动汽车 (EV) 日益普及,其应用已呈指数级增长。车载充电 (OBC) 模块作为电动汽车的一个重要组成部分,决定了车辆连接交流充电器时的最大可能充电速率。全电动汽车的最大充电能力通常在 6.6kW 至 22kW 之间,插电式混动汽车的最大充电能力通常在 3.3kW 至 7.2kW 之间。 MPS 的大型汽车级隔离解决方案中包括了隔离式栅极驱动器、隔离式栅极驱动器电源、数字隔离器、霍尔效应电流传感器和非隔离式 DC/DC 变换器。这些解决方案通过容性隔离来实现高 CMTI 和磁噪声抗扰度,能够满足最严格的高功率规范。 MPS 强大的隔离解决方案可以为下一代车载充电器供电提供所需的一切。
 - 
            
                APPLICATION
12V 至 48V 双向变换器系统应用 - 
            
                APPLICATION
直流快速充电站应用随着电动汽车的普及,直流快速充电站也越来越常见。充电站作为主要高速公路沿线和人口稠密郊区基础设施的重要组成部分,可确保电动汽车在长途旅行和日常驾驶期间及时充电。充电站系统通常由多个25kW至75kW的模块组成,可以创建快速充电系统,提供150kW至400kW的功率,并可在最快20分钟内将电动汽车的电池电量从10%充至90%。 MPS 的大型隔离解决方案组合包括了隔离栅极驱动器、隔离栅极驱动器电源、数字隔离器、霍尔效应电流传感器和非隔离 DC/DC 变换器。这些组件可用于偏置和驱动 SiC/IGBT,并通过将变压器集成到芯片级封装中来提供高功率密度。MPS解决方案通过容性隔离来实现高 CMTI 和磁噪声抗扰度,能够满足最严格的高功率规范。 MPS 强大的隔离解决方案能够为下一代直流快速充电站供电提供所需的一切。
 - 
            
                APPLICATION
低功率内外部汽车照明应用随着汽车 LED 驱动器取代传统车灯,低功率外部和内部照明系统的运行变得越来越先进。外部照明包括转向灯、侧标志、后组合灯 (RCL) 和雾灯。内部照明包括按钮背光、仪表盘以及顶灯和环境灯。虽然改进的外部和内部照明的低功耗操作可实现更好的道路安全、高效率和耐用的基本照明,但这些系统还需要复杂的稳压器和微控制器。它们还必须具有可扩展性,并且能够集成移动、可见性和可变强度的高级功能。与所有汽车应用一样,所有照明系统还必须满足严格的热要求、ISO26262 安全标准和 EMC 法规。 我们广泛的电源管理解决方案组合包括 LED 驱动器、电源模块、降压和升压变换器以及 USB 充电端口。这些部件旨在确保在符合温度和 EMI 标准的基础上,以最小的封装尺寸获得最佳性能和可扩展性。 MPS 的高效、紧凑型解决方案提供了为下一代低功率外部和内部照明系统设计供电所需的一切。
 - 
            
                APPLICATION
全LED灯应用汽车 LED 照明系统由前灯、车内灯、尾灯、小灯、LED 像素灯控制器和 DC/DC LED 驱动器组成。随着集成灵活控制、动画和能源效率的越来越动态和准确的 LED 照明功能,包括供应、控制、传感、驱动和通信在内的关键功能也变得越来越复杂。这些高级功能需要可靠地控制 LED 电流和单个 LED,以及跨功率级、通信接口和微控制器的可扩展前灯系统。现代 LED 照明系统还包括滞后控制、热关断和电流过载保护等保护措施,并需要符合 ISO26262 安全标准和 EMC 法规。 我们出色的汽车级零件目录包括 LED 驱动器、电源模块、降压和升压变换器以及 USB 充电端口。除了满足严格的温度和 EMI 要求外,这些组件还以紧凑的封装尺寸提供高效率和可扩展性。 MPS 灵活、可靠的产品目录为您提供支持下一代 LED 照明系统设计所需的一切。
 - 
            
                APPLICATION
中央网关应用随着车辆继续集成电子控制单元 (ECU) 网络以实现尖端功能,汽车中央网关控制器在桥接和管理跨各种协议(例如 CAN、FlexRay、LIN、以太网和 ISO-9141)的数据传输方面发挥着核心作用。 中央网关实现了 ECU 网络之间的物理隔离,以及协议之间的可移植性,以支持车辆不同功能域之间的通信。 这些功能对于网络安全和新兴的物联网 (IoT)、无线软件更新 (SOTA) 和汽车共享等服务是不可或缺的。 除了满足 ISO26262 安全标准和 EMC 法规之外,现代中央网关控制器还需要强大的处理能力和安全性。 我们全面的电源解决方案组合包括电源模块、看门狗定时器、低压差 (LDO) 稳压器、降压和升压变换器以及 USB 充电端口。 这些组件经过精心设计,可确保在小型封装中实现强大、可靠的中央网关控制器,同时还符合严格的温度和 EMI 要求。 MPS 高效、可扩展的解决方案可...
 - 
            
                APPLICATION
显示(导航、抬头显示、仪表盘)应用汽车显示—包括中央显示器、平视显示器 (HUD) 和仪表盘—向驾驶员显示关键信息和交互式内容。中央信息显示器连接到主机,并提供导航和其他车内信息娱乐控制。汽车 HUD 和仪表仪表盘为驾驶员提供易于访问的信息。HUD 还可以在视线高度上从集群显示器中投射出关键指标,例如速度、温度和燃料用量。除了满足严格的散热要求、ISO26262 安全标准和 EMC 法规之外,这些高级显示器还要求高效率、易于集成和可扩展性的电源解决方案。 我们典型的电源管理解决方案组合包括降压和升压变换器、电源模块、低压差 (LDO) 稳压器、线性稳压器、USB 充电端口、负载开关、PMIC、背光 (WLED) 驱动器、直流有刷驱动和螺线管驱动器和直流无刷预驱动器。这些汽车级部件可实现高质量的显示,同时还满足重要的安全标准。 MPS 高效、可扩展的产品组合为您提供支持下一代汽车显示设计所需的一切。
 - 
            
                APPLICATION
抬头显示(中端)应用汽车抬头显示设计已经从传统的硬件接口演变为提供各种车内功能的复杂信息娱乐系统。这些功能包括导航、无线连接、乘客娱乐、手势识别和语音控制。随着消费者对信息娱乐功能的期望不断提高,制造商面临着设计挑战,例如减少驾驶员分心、防止互联环境中的网络安全威胁以及满足充电和数据传输需求。除了符合 ISO26262 安全标准和 EMI 抑制之外,中档主机还提供具有成本效益的简化技术,以增强中央接口的功能和性能。 我们出色的汽车级部件产品组合包括低压差 (LDO) 稳压器、降压和升压变换器、电源模块、负载开关、模拟开关和 PMIC。这些部件满足温度和 EMI 要求,同时还有效地最大限度地减小了总解决方案尺寸。 MPS 可靠、经济高效的电源管理解决方案为您提供为下一代中端抬头显示设计供电所需的一切。
 - 
            
                APPLICATION
抬头显示(高端)应用汽车抬头显示设计已经从传统的硬件接口演变为提供各种车内功能的复杂信息娱乐系统。这些功能包括导航、无线连接、乘客娱乐、手势识别和语音控制。随着消费者对信息娱乐功能的期望不断提高,制造商面临着设计挑战,例如减少驾驶员分心、防止互联环境中的网络安全威胁以及满足充电和数据传输需求。除了符合 ISO26262 安全标准和 EMI 抑制要求外,高端主机单元还提供强大的尖端技术,以实现直观、无缝的驾驶体验。 我们广泛的电源管理解决方案目录包括降压和升压变换器、电源模块、低压差 (LDO) 稳压器、降压转换器、负载开关、模拟开关和 PMIC。这些组件旨在确保以最小的封装尺寸实现最佳性能,同时满足温度和 EMI 安全要求。 MPS 优质、高效的产品目录为您提供支持下一代高端抬头显示设计所需的一切。
 - 
            
                APPLICATION
激光雷达应用激光成像、检测和测距 (LiDAR) 是汽车高级驾驶辅助系统 (ADAS) 应用的快速扩展市场。自动驾驶汽车感知传感是 ADAS 技术的一项前沿功能,随着新车将雷达与摄像头和 LiDAR 系统集成,该功能将继续发展。 LiDAR 使用光脉冲的实时测量来提供比雷达更高带宽的环境感知。 LiDAR 提高了距离分辨率和精度,并实现了小尺寸的解决方案,从而降低了 BOM 尺寸和成本。然而,除了符合 ISO26262 安全标准和 EMI 缓解之外,这些卓越的功能还需要更高的技术复杂性。 我们高效、强大的汽车级零件目录包括降压变换器、升压变换器、升压变换器、降压电源模块、低压差 (LDO)、监控电路和看门狗定时器。这些组件旨在简化 LiDAR 系统的设计并降低成本,还旨在最大限度地减少 EMI 并确保符合安全要求,因此消费者和制造商可以对他们的车辆充满信心。 MPS 高度紧凑、精确的电源管理解决方...
 - 
            
                APPLICATION
信息娱乐系统应用汽车车载信息娱乐系统越来越多地由软件驱动,以增强安全性和整体驾驶体验。现代汽车将驾驶和环境信息、乘客娱乐、无线连接和导航集成到一个集中的信息娱乐系统架构中。然而,随着复杂的车载信息娱乐系统的兴起,汽车设计师还面临着越来越多的系统复杂性,例如高级驾驶辅助系统 (ADAS) 以及对连接性和舒适性的考虑,以及符合 ISO26262 安全标准和 EMI 法规。 我们卓越的车规级组件套件包括降压和升压变换器、电源模块、低压降 (LDO) 稳压器、USB 充电端口、负载开关、模拟开关、PMIC、背光 (WLED) 驱动器、直流有刷和螺线管驱动器和直流无刷预驱动器。这些部件旨在以紧凑的封装尺寸简化系统设计,并确保符合严格的安全要求。 MPS 可靠、高效的电源解决方案为下一代信息娱乐系统设计供电提供了所需的一切。
 - 
            
                APPLICATION
后置摄像头(汽车电池供电)应用后置摄像头是高级驾驶辅助系统 (ADAS) 中最常见的摄像头子系统。越来越多的汽车将其作为标准配置提供。要实现对车辆后方可能存在的危险进行精确、实时的监控,并将信息直接传送到通常位于驾驶舱头部的 LCD 显示器,后置摄像头子系统必须具有高集成度和快速的数据处理速度。为了实现消费者更高的安全性与便利性,这些高级安全功能需要满足 ISO26262 安全标准和 EMI 缓解措施之外,也增加了工程师的设计复杂度与额外的考量因素。 MPS 可靠且可扩展的电源管理解决方案组合包括电源模块、降压变换器和线性稳压器。这些汽车级器件可满足严格的温度与 EMI 要求,同时还能简化系统设计并最大限度地减小整体解决方案尺寸。 MPS 高效、高性价比的产品组合为下一代后置摄像头供电设计提供了所需的一切。
 - 
            
                APPLICATION
后置摄像头(同轴电缆供电)应用后置摄像头是高级驾驶辅助系统 (ADAS) 中最常见的摄像头子系统。越来越多的汽车将其作为标准配置提供。要实现对车辆后方可能存在的危险进行精确、实时的监控,并将信息直接传送到通常位于驾驶舱头部的 LCD 显示器,后置摄像头子系统必须具有高集成度和快速的数据处理速度。为了实现消费者更高的安全性与便利性,这些高级安全功能需要满足 ISO26262 安全标准和 EMI 缓解措施之外,也增加了工程师的设计复杂度与额外的考量因素。 MPS 可靠且可扩展的电源管理解决方案组合包括电源模块、降压变换器和线性稳压器。这些汽车级器件可满足严格的温度与 EMI 要求,同时还能简化系统设计并最大限度地减小整体解决方案尺寸。 MPS 高效、高性价比的产品组合为下一代后置摄像头供电设计提供了所需的一切。
 - 
            
                APPLICATION
前置摄像头(汽车电池供电)应用前置摄像头是一种日益流行的摄像头子系统,用于高级驾驶辅助系统 (ADAS) 。越来越多的汽车将其作为标准配置提供,因此,无电池摄像头系统必须高度集成并提供快速数据处理,从而对车辆前方可能存在的危险进行准确、实时的监测,同时为车道保持和碰撞避免等集成系统提供辅助。在提高驾驶员安全性和便利性的同时,这些高级功能也增加了设计的复杂性,但仍需要符合 ISO26262 安全标准和 EMC 规范。 MPS高效紧凑的电源管理解决方案组合包括电源模块、PMIC、升压和降压变换器、升降压控制器、负载开关、监控电路、线性稳压器和终端稳压器。 这些汽车级部件可帮助您在不影响安全性的情况下简化系统设计并缩短上市时间。 MPS 可靠且可扩展的产品系列为下一代前置摄像头(汽车电池供电)供电设计提供了所需的一切。
 - 
            
                APPLICATION
前置摄像头(同轴电缆供电)应用前置摄像头是一种日益流行的摄像头子系统,用于高级驾驶辅助系统 (ADAS) 。越来越多的汽车已配置或预期配置这种系统。这些摄像头系统必须高度集成并提供快速数据处理,从而对车辆前方可能存在的危险进行准确、实时的监测,同时为车道保持和碰撞避免等集成系统提供辅助。在提高驾驶员安全性和便利性的同时,这些高级功能也增加了设计的复杂性,但仍需要符合 ISO26262 安全标准和 EMC 规范。 MPS可靠而高效的电源管理解决方案组合包括电源模块、升压和降压变换器、PMIC、线性稳压器、负载开关和监控电路。这些汽车级部件可帮助您简化系统设计并缩小解决方案尺寸,同时仍将安全性放在首位。 MPS 紧凑且可扩展的产品系列为下一代前置摄像头(同轴电缆供电)设计提供了所需的一切。
 - 
            
                APPLICATION
USB TYPE-C 功率传输应用USB Type-C 供电 (PD) 接口在各种应用和市场(包括汽车领域)中越来越流行。USB 端口早已是大多数汽车型号的预期标准接口,而且通常同时具备充电和数据功能。USB Type-C改进了之前的USB设计,提供了一种更小且可反插的端口。它更容易插入,而且还将 USB 3.0 的传输速度提高了一倍。采用USB PD 协议的USB Type-C 通常可提供高达100W的功率,从而加速了新产品的普及。但是,汽车 USB Type-C设计还必须满足严格的汽车安全标准,例如 EMC 和散热法规。新车型的每一项新功能都会增加设计的复杂性,另外,为确保驾驶员和乘客的舒适性和便利性,所占空间也更加重要。 MPS的顶级汽车级产品组合包括 USB PD 控制器、电源模块、升降压控制器和变换器,以及降压变换器。这些部件均符合 AEC-Q100 标准,并以超小封装尺寸提供先进的集成功能,可以简化设计过...
 - 
            
                APPLICATION
无线车充应用无线车充已成为新车型中越来越受欢迎的功能。它为用户提供了便利,想要为智能手机或其他便携式设备充电,只需将其放置在中控台托盘等指定区域即可,无需物理连接设备或插入充电槽。充电功能现在已是大多数汽车型号的预期标配,其设计目标是在提升效率的同时遵守严格的汽车安全标准,如EMC和散热要求。但每个新功能都会增加设计的复杂性,为确保驾驶员和乘员的舒适性和便利性,空间利用变得尤为重要。 MPS高效且可扩展的产品组合包括符合AEC-Q100标准的降压变换器和线性稳压器。这些组件同时支持感应式和谐振式无线充电拓扑。而且将耗散的热量降至最低,并有效防止电磁干扰(EMI),始终将安全性放在首位。 MPS紧凑而可靠的电源管理解决方案为驱动下一代无线车充提供了所需的一切。
 - 
            
                APPLICATION
驾驶员监控系统应用驾驶员监控系统是汽车安全的最新技术之一。作为整体人机界面(HMI)的一部分,驾驶员监控系统可以跟踪生命体征参数和驾驶员的注意力,能在驾驶员无法操作车辆的情况下,为其提供帮助。当然,高级的新功能会增加设计的复杂性和工程设计的额外注意事项。但安全始终是头等大事,因此这些组件必须满足严格的EMI和温度要求,这样消费者和制造商才会对改善舒适性和便利性充满信心,还能最大程度地减少驾驶员分心。 我们的汽车级解决方案结合了高性能的电源模块,PMIC,降压变换器和线性稳压器。这些组件将顶级的灵活性和效率整合到一个小型封装中,大大节省了成本和电路板空间,缩短了上市时间。 MPS可靠、经济高效的电源管理解决方案可为您提供下一代驾驶员监控系统所需的一切。
 - 
            
                APPLICATION
360°环视摄像头应用360°环视摄像头可以为驾驶员提供汽车的鸟瞰图,它通过会将影像显示在机舱头部的LCD显示器上,帮助消除驾驶员的盲点。其影像图出自布置在车辆周围的多个摄像头(通常至少四个)共同创建的合成图像。作为后视摄像头的下一代产品,360°环视摄像头系统正随着高级驾驶员辅助(ADAS)功能的兴起而日益普及,以提高消费者的安全性和便利性。这些环视摄像头系统具有高集成度和快速数据处理能力,以实现最先进的安全功能,例如车道偏离和碰撞警告,移动物体检测以及交通标志识别功能等。高级的新功能不仅需要符合ISO26262安全标准及EMI标准外,同时也增加了设计的复杂性和额外的注意事项。 我们卓越的电源管理解决方案组合包括降压和升压变换器,线性稳压器,终端调节器和降压开关。这些汽车级产品可满足严格的温度和EMI要求,同时可简化系统设计并最小化整体解决方案尺寸。 MPS 高度紧凑、高效的产品组合为您提供了市面上最...
 - 
            
                APPLICATION
传感器融合域控制器应用感知传感系统是新型车辆中流行的高级驾驶辅助系统(ADAS)。随着雷达与摄像头、甚至激光雷达(LIDAR)系统的集成,感知传感系统也将更进一步发展。但是,每一种传感器都有其优势和局限性,而这正是传感器融合出现的契机。通过融合所有汽车感知系统的输入,驾驶员可以更好地获取信息,从而准确获知车辆周围的物体或潜在危险。但是,这些令人印象深刻的功能除了必须符合ISO26262安全标准和EMI要求之外,还意味更高的设计复杂性。 MPS可靠的汽车级电源管理解决方案组合包括电源模块、降压变换器和线性稳压器。这些器件均经过精心设计,以更小封装尺寸实现了更佳效率与性能,同时最大程度降低了EMI并确保符合安全性要求。制造商可以对自己设计的车辆充满信心,而消费者则可放心使用。 MPS可靠且可扩展的解决方案为下一代传感器融合供电设计提供了所需的一切。
 - 
            
                APPLICATION
远程信息处理 (TELEMATICS/E-CALLS)应用远程信息处理和紧急呼叫系统可以监测车辆状况,并在发生碰撞事故时,帮助驾驶员或向紧急救援人员直接发出警报,从而提高车辆的安全性。这些嵌入式车载工具可以监测和诊断,并提供一系列功能诸如车辆追踪、道路救援通信和紧急呼叫通信等。但新功能将使设计更复杂,更具挑战性。像所有汽车部件一样,这些汽车级部件必须满足严格的EMI和温度要求,消费者和制造商都希望其设计在提高舒适性和便利性的同时,仍然保证安全,并最大程度地避免影响驾驶员。 MPS提供了广泛的电源管理解决方案组合,包括电源模块、降压和升压变换器、LDO和线性稳压器,以及D类音频放大器。这些高度可靠的产品可满足严格的温度和EMI要求,同时可简化系统设计并缩小整体解决方案尺寸。 MPS可靠、高效的解决方案可为下一代汽车远程信息处理和紧急呼叫设计提供所需的一切。
 - 
            
                APPLICATION
77GHZ 雷达应用77GHz雷达在汽车高级驾驶辅助系统(ADAS)中迅速普及。感知系统是ADAS技术中不断增长的市场,随着新汽车将雷达与摄像头甚至LIDAR系统集成在一起,感知系统也将继续扩张。汽车成像雷达被用作感测车辆周围物体或潜在危险的附加方式。77GHz雷达改进了其24GHz的前身,通过提供更大带宽实现了更大范围的分辨率和精度;而且,由于更高的频率意味着应用中使用的传感器可以更小,77GHz雷达还实现了更小的解决方案尺寸。但是,这些令人印象深刻的功能也意味设计更加复杂,除了要符合ISO26262安全标准和EMI规范以外,还要做更多考虑。 MPS的汽车级组件提供顶级的产品组合,包括电源模块和降压/升压变换器。所有这些器件均经过专门设计,能够以最小封装尺寸提供最佳效率和性能。这些器件还可以最大程度地降低EMI,确保符合安全要求,令消费者和制造商对车辆充满信心。 MPS可靠且高性价比的解决方案可以为...
 - 
            
                PRODUCT CATEGORY
降压转换器产品类目 - 
            
                PRODUCT
                                        
MPQ2285-AEC1产品6V、10A、可配置、高频同步降压变换器,采用 ZDPTM 且符合 AEC- Q100认证
 
    
    
立即购买
                  
                                    
                                            
                                            
                                            
        
                        
                    
                
                
                
直接登录
创建新帐号