驾驶员监控系统
驾驶员监控系统 内容
详情
驾驶员监控系统是汽车安全的最新技术之一。作为整体人机界面(HMI)的一部分,驾驶员监控系统可以跟踪生命体征参数和驾驶员的注意力,能在驾驶员无法操作车辆的情况下,为其提供帮助。当然,高级的新功能会增加设计的复杂性和工程设计的额外注意事项。但安全始终是头等大事,因此这些组件必须满足严格的EMI和温度要求,这样消费者和制造商才会对改善舒适性和便利性充满信心,还能最大程度地减少驾驶员分心。
我们的汽车级解决方案结合了高性能的电源模块,PMIC,降压变换器和线性稳压器。这些组件将顶级的灵活性和效率整合到一个小型封装中,大大节省了成本和电路板空间,缩短了上市时间。
MPS可靠、经济高效的电源管理解决方案可为您提供下一代驾驶员监控系统所需的一切。
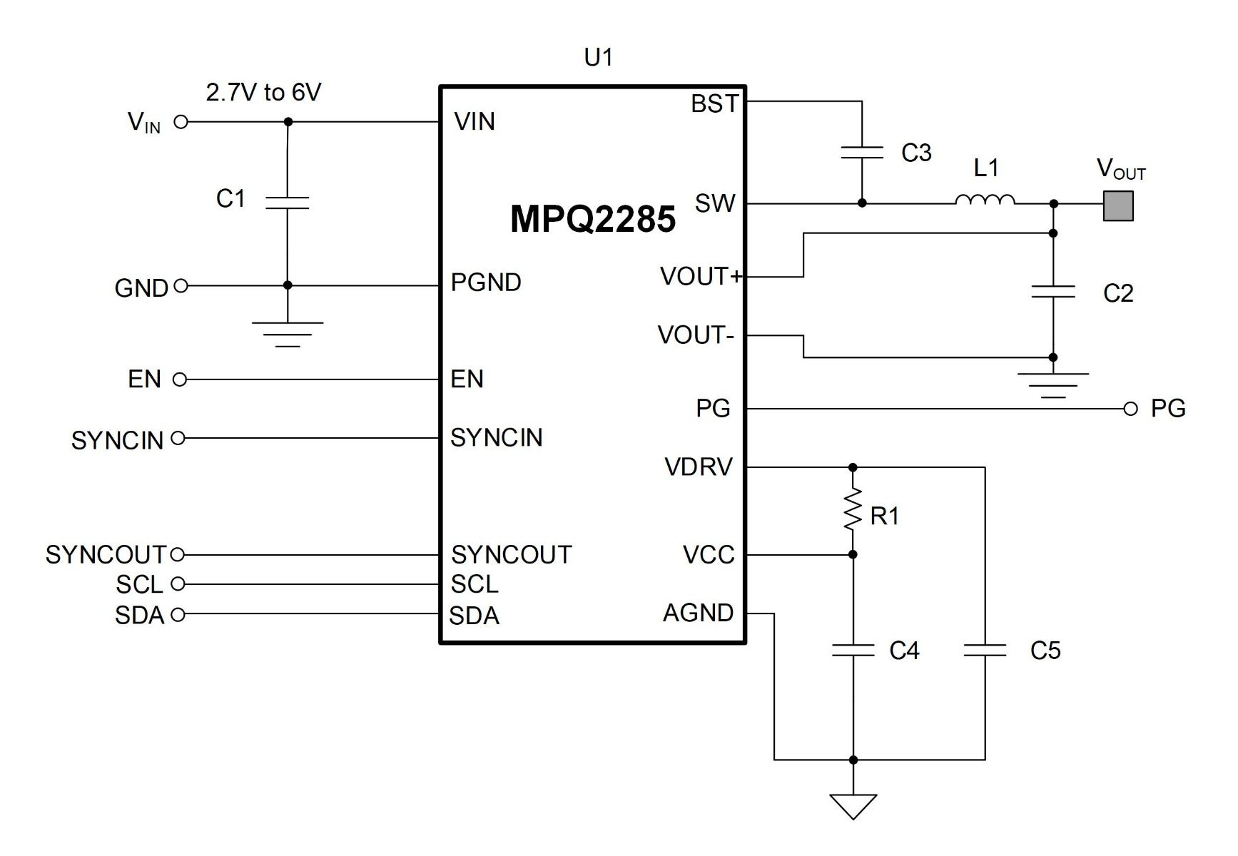
框图
选择元器件以获得下图表中更多产品信息
组件列表
技术论坛
MPS 工程师24小时内回复您!
                                                            
                            
                                    【邀请函】MPS 工业电源技术研讨会(广州站)                                
                                
                                    MPS 工业电源技术研讨会(广州站) 工业4.0正在引领工业生产走向网络化,自动化。无处不在的传感器来进行数据...                                
                                
                                                                                                                                                                                                        
                                            活动发布
                                                                                                                                                        
                                
                                    步进电机驱动器在制造与工业设备中的应用                                
                                
                                    ...https://www.monolithicpower.cn/products/motor-drivers-and-motor-controllers/mp6602.html MP6602 在制造与工业设备中的应用。 MP6602 的...                                
                                
                                                                                                                                                                                                        
                                            市场应用解决方案
                                                                                                                                                                                                                                                         工业
                                            
                                            
                                            工业
                                                                                                            
                                
                                    【应用分析】工业-数字标牌                                
                                
                                    点击下方标题或框图查看完整应用 https://www.monolithicpower.cn/cn/applications/industrial/digital-signage.html 工业-数字标牌 https...                                
                                
                                                                                                                                                                                                        
                                            市场应用解决方案
                                                                                                                                                                                                                                                         工业
                                            
                                            
                                            工业
                                                                                                            
                                 
    
 
     
                                         
                                         
                                         
                                         
                                         
                                         
                                         
                                         
                                         
                                         
                                         
                                         
                                         
                                         
                                         
                                         
                                         
                                         
                                         
                                         
                                         
                                         
                                         
                                        
直接登录
创建新帐号