NVDC 降压充电器IC用例:便携式数码相机
 
每月为您发送最具参考价值的行业文章
我们会保障您的隐私
MP2722开关模式电池管理器件集成了 USB Type-C 双角色电源 (DRP) 模式检测功能,可以实现更快的充电速度并增强便携式数码相机的功能,例如通用充电、双向充电/放电以及为外部设备供电的能力。
便携式数码相机有限的电池容量和续航时间严重损害用户体验,用户需要携带笨重的外部充电器或者频繁充电。随着便携式数码相机电源需求的不断增长,设计人员需要开发出强大的电池管理系统,以便在不影响效率和紧凑外形尺寸的情况下,提供可靠的电源以延长相机的使用时间。除此之外,设计人员还需要解决电池过热的问题,以避免相机内部组件损坏或存储卡损坏。
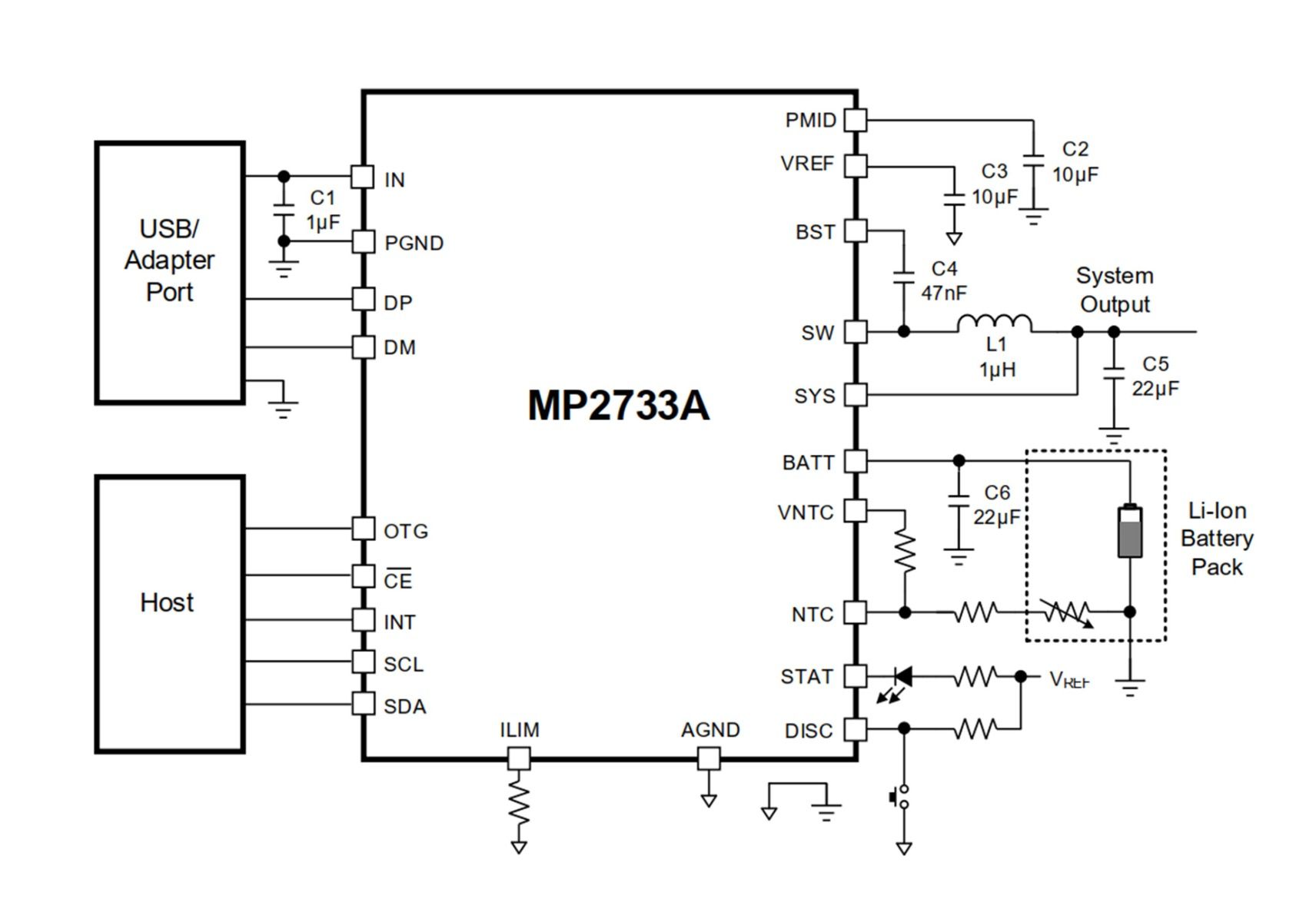
MP2722开关模式电池管理器件集成了 USB Type-C 双角色电源 (DRP) 模式检测,可以实现更快的充电速度并增强便携式数码相机的功能,例如通用充电、双向充电/放电以及为外部设备供电的能力。该器件高度集成的窄电压直流 (NVDC) 电源管理结构可优化充电效率并缩短电池充电时间。此外,其可配置输出电流 (IOUT) 限制环路(最高3A)可防止电流消耗过度,帮助维持稳定的电源。该器件采用小尺寸 QFN-22 (2.5mmx3.5mm) 封装。
MP2722还具有以下功能:
- 兼容 USB Type-C 1.3 标准
- 全集成 CC 控制器,具有双角色电源 (DRP) 模式和自主或手动模式
- 支持Try.SNK 和 Try.SRC 模式
- 支持 USB BC1.2 和非标适配器
- 26V输入耐受电压(VIN)
- 通过串行接口可配置 80mA 至 5A 充电电流(ICC)
- 通过串行接口可配置 100mA 至 3.2A 输入电流限制 (IIN_LIM)
- 最小VIN环路,用于实现最大适配器功率跟踪
- 全面的安全功能:
- 全定制 JEITA 配置文件
- 附加负温度系数 (NTC) 热敏电阻输入
- 60°C 至 120°C可配置芯片温度调节范围
- 完整的充电和预充电安全定时器
- 看门狗安全定时器
- 可锁存充电参数寄存器
- 750kHz 至 1.5MHz可配置开关频率 (fSW)
- 集成 15mΩ 低 RDS(ON) 电池 MOSFET,具有运输模式和复位模式
- 运输模式下具有8.5μA 超低电池放电电流
- 低至 30mA 的截止电流设置,适用于可穿戴应用
- 用于灵活设置系统参数并报告状态的串行接口
- 用于源模式和 USB On-The-Go (OTG)的可配置升压变换器:
- 输出过流保护 (OCP)
- 为高达 2mF 的大电容负载供电
- 5V 至 5.35V 可配置输出电压(VOUT)
- 精度:
- ±0.5% 电池浮动电压调节精度 (VBATT_REG)
- ±5% ICC
- ±5% IIN_LIM
- 用于快速充电的远程电池采样
- 升压模式下具有 ±2% 输出调节精度
欲了解更多详细信息,请浏览 MPS 丰富的 单电池充电器 IC 产品。
 
    
 
     
             
 
                                         
                                         
                                         
                                         
                                         
                                         
                                         
                                         
                                         
                                         
                                        
直接登录
创建新帐号