MP2617A
正在供货产品型号
MP2617AGL-P MP2617AGL-Z
 P&Z的含义 
相关产品
 
                                                                                    EV2617A-L-00A 3A, 单节4.35V 锂离子电池开关充电器,带 NVDC 电源路径管理
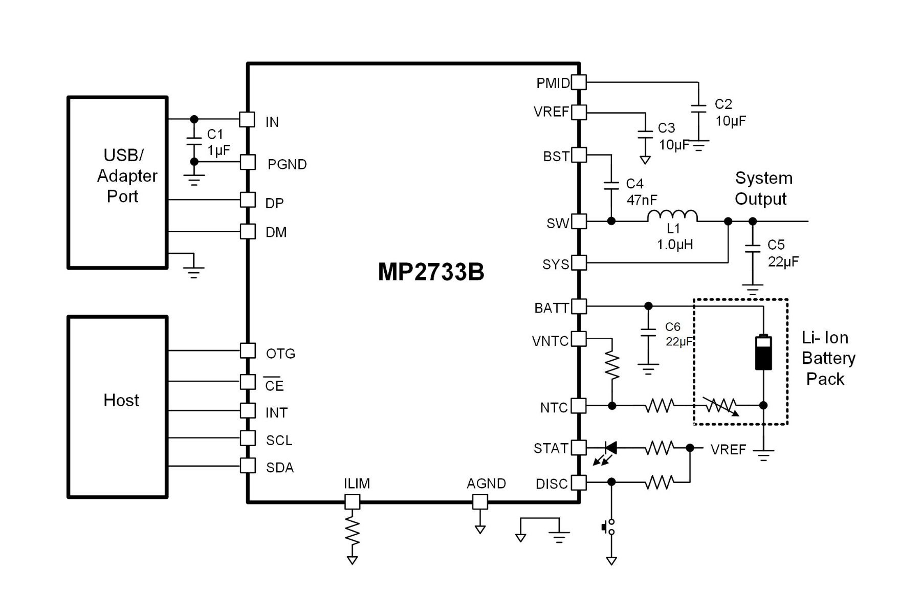
EV2617A-L-00A 是MP2617A的评估板。MP2617A是一款带电源路径管理的3A/1.6MHz单节电池开关充电器。它集成了同步降压调节器,为系统输出提供稳定电压,同时给电池充电。
在 USB 模式下,输入电流限可通过逻辑引脚调至 450mA 或 825mA,以支持 USB2.0 和 USB3.0 规范。当连接适配器时,输入电流会被限制在允许范围内以免适配器过载。输入电流限最高可调至 3A。MP2617A调节系统电压以为外部负载供电,同时为电池充电。当达到输入电流限阈值时,首先满足系统负载电流需求,然后充电器将剩下的电流用于电池充电。
另外,智能电源路径控制提供电池到系统的内部连接通路,以便在系统功率需求超过输入功率限或输入被移除的情况下,电池向负载补充额外的功率。
 
    
 
     立即购买
立即购买 
                   
                                         
                                         
                                         
                                         
                                         
                                         
                                         
                                         
                                         
                                         
                                         
                                         
                                         
                                         
                                         
                                     
                                             
                                             
                                             
                             
         
                         
                     
                 
                 
                
直接登录
创建新帐号