- MP29608-A
MP29608-A
Session textval
Session Titefor popup
详情
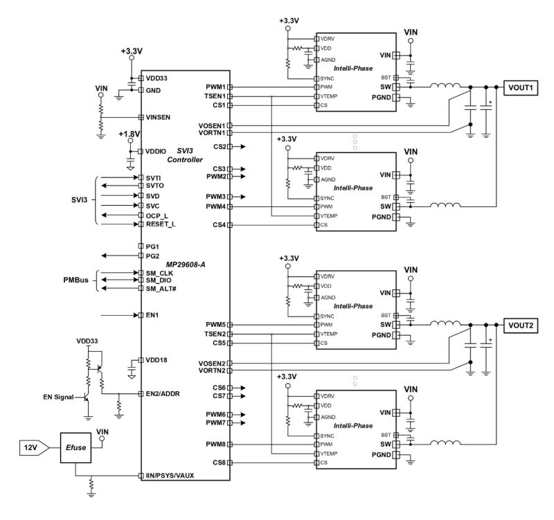
The MP29608-A is a dual-rail, digital, multi-phase controller that provides power for SVI3 core power. The device can work with MPS’s Intelli-PhaseTM products to complete the multi-phase voltage regulator (VR) solution with minimum external components. It can be configured to maximum 8-phase operation for rail 1 and a maximum 4-phase operation for rail 2.
The controller provides an on-chip non-volatile memory (NVM) to store and restore device configurations. Device configurations and fault parameters can be easily configured or monitored via the PMBus/I2C interface. The MP29608-A can monitor and report the output current (IOUT) by sensing the current-sense output of the Intelli-PhaseTM devices.
It is based on a unique, digital, multi-phase, nonlinear control to provide fast transient response with minimal output capacitors. With only one power-loop control method for both steady state and load transients, power-loop compensation is very easy to configure.
The MP29608-A is available in a TLGA-40 (5mmx5mm) package.
-
显示更多
显示较少
产品特性和优势
- Up to 8-Phase, 2-Output, Digital Controller
- SVI3 (Version 2) Compliant
- PMBus/I2C Compliant (1MHz Bus Speed)
- Pin-Configurable PMBus Address
- Built-In Non-Volatile Memory (NVM) to Store Configurations
- 200kHz to 3MHz Switching Frequency (fSW)
- Automatic Loop Compensation
- Supports Multi-Configuration for 6 Different Applications
- Flexible Pulse-Width Modulation (PWM) Assignment for 2 Rails
- Automatic Phase-Shedding (APS) to Improve Overall Efficiency
- Phase-to-Phase Active Current Balancing with Configurable Offsets for Thermal Balance
- Input (VIN) and Output Voltage (VOUT), Current, and Power Monitoring
- Regulator Temperature Monitoring
- VIN Under-Voltage Lockout (UVLO), Output Over-Voltage Protection (OVP)/Under-Voltage Protection (UVP), Over-Current Protection (OCP), Over-Temperature Protection (OTP) with No Action, Latch-Off, or Hiccup Options
- Intelli-PhaseTM Fault Diagnosis
- Voltage Regulator (VR) Auto-Records Fault Type to the NVM
- Digital Load-Line Regulation
- Overclocking Mode by Adding Offset to VOUT
- Available in a TLGA-40 (5mmx5mm) Package
正在供货产品型号
MP29608-AGLUT-xxxx-Z MP29608-AGLUT-xxxx-P MP29608-AGLUT-0000-Z MP29608-AGLUT-0000-P
以 P 和 Z 结尾的零件编号是相同的零件。P 和 Z 仅表示卷筒尺寸
P&Z的含义 
MP29608-A Resources
-
APPLICATION
5G 电源解决方案应用 -
APPLICATION
NIC 电源解决方案应用 -
APPLICATION
MPS电子开关解决方案应用 -
PRODUCT CATEGORY
控制器产品类目 -
APPLICATION
服务器(DDR5电源)应用DDR5 SDRAM(同步动态随机存取内存)是最新一代的 DDR 内存。它是 DDR4 的后代产品,在速度、容量和能效方面都有显著的改进。DDR5 内存模块专为个人计算机、工作站和服务器而设计。DDR5 内存模块的主要优点包括: 速度更快:DDR5 内存模块的运行速度可达 8400MT/s,而 DDR4 仅为 3200MT/s。对游戏、视频编辑和 3D 渲染等任务来说,这无疑可显著改善性能。 容量更大:DDR5 内存模块的容量高达 128GB,而 DDR4 仅为 16GB。因此它能够提供更大的数据存储量,并能够同时运行高要求的应用。 功耗更低:DDR5 内存模块的运行电压 (1.1V) 低于 DDR4 内存模块 (1.2V)。低电压运行有助于降低计算机功耗并节省电费。 纠错能力更强:DDR5 内存模块具有片上 ECC(纠错码)功能,有助于防止数据损坏。 MPS...
-
APPLICATION
服务器(核供电)数据中心解决方案应用云计算、人工智能(AI)、机器学习以及其他一些革命性技术正在整个行业中扩展开来,并已融入了消费者的日常生活中。然而,要满足这些技术不断增长的数据和处理需求,服务器和数据中心需要具备前所未有的速度。在不降低效率或可靠性的前提下,不断缩小的占板空间内需要容纳史无前例的高功率密度。核心电压轨必须能够提供卓越的速度、保护功能和灵活性,以跟上不断增长的需求。 MPS多样化的解决方案在保证效率的同时,能保持较低的整体系统成本。其散热管理专为高密度、高耗电的服务器而设计,能够节约能源并优化输出。MPS专有的Intelli-PhaseTM技术可保持并提高每个新设计的性能。这些可扩展的解决方案还提供了热插拔功能和先进的FET技术,可帮助简化设计,实现节省空间的封装。MPS创新的产品实现了强大的功能、速度与效率,可充分满足您的服务器设计需求。
-
PRODUCT CATEGORY
处理器核心电源控制器产品类目 -
PRODUCT
MP29612-A产品Dual-Loop, Digital, 12-Phase Controller with SVI3 Interface
-
PRODUCT
MPQ2931-AEC1产品Digital LLC Controller with PMBus/I2C Interface, AEC-Q100 Qualified
-
PRODUCT
MP29540产品数字多相控制器
-
PRODUCT
MP29816-C产品双环路、数字式、16 相控制器,带 PMBus 和 AVSBus 接口
-
PRODUCT
MP2869A产品用于AMD的双环路数字 16 相控制器,带SVI3接口
-
VIDEO
MPS电源小课堂:多相电源-这就是电源界的“动车组列车”视频多相电源由一个多相电源控制器和多个功率半桥构成,为输出端芯片提供高质量的电能。它就像是我们今天经常乘坐的动车组列车,每一个功率半桥都是一个“动力车厢”,而多相电源控制器则是火车的“控制系统”,控制着整个列车的方向和速度,同时也保障各个“动力车厢”的协同运行。 更多精彩电源小课堂视频,敬请期待---> 联系我们 多相控制器&Intelli-Phase|芯源系统|MPS 处理器核心电源控制器| 多相控制器&Intelli-Phase|MPS|芯源系统 MP2891:面向业界领先GPU产品的双路输出、数字、16 相控制器,带有 PWM-VID 接口 MP86956:集成 HS-FET/LS-FET 和驱动器的Intelli-PhaseTM 解决方案,采用 LGA 和 TLGA (5mmx6mm) 封装 如何为多相电源系统设计热平衡...
-
VIDEO
MPS电源小课堂:COT控制方式如何保证多相电路均流视频均流对于多相供电系统来说至关重要,它不仅关系到系统的稳定性和可靠性,还直接影响到电源模块的寿命和效率。本视频给大家介绍一下通过COT控制方式如何来保证多相电路均流。 更多精彩电源小课堂视频,敬请期待---> 联系我们 多相控制器&Intelli-Phase|芯源系统|MPS 处理器核心电源控制器| 多相控制器&Intelli-Phase|MPS|芯源系统 MP2891:面向 NVIDIA 产品的双路输出、数字、16 相控制器,带有 PWM-VID 接口 MP86956:集成 HS-FET/LS-FET 和驱动器的Intelli-PhaseTM 解决方案,采用 LGA 和 TLGA (5mmx6mm) 封装 恒定导通时间(COT)控制的过去与现在 DC/DC 变换器中恒定导通时间控制(COT)的优势 文章:使用数字多相控制...
-
PRODUCT
MP2927产品三路输出数字多相控制器,兼容用于AVSBus的PMBus 接口
-
PRODUCT
MP2880产品单路输出、20 相数字控制器, 兼容用于AVSBus 的 PMBus 接口
-
PRODUCT
MP2882产品双路输出、16 相数字控制器, 兼容用于SVI2/AVSBus 的 PMBus 接口
-
PRODUCT
MP2891产品双路输出、数字、16 相控制器,带有 PWM-VID 接口
-
PRODUCT
MP2926产品带PMBus 接口的三环路数字多相控制器
-
PRODUCT
MP2855产品带 PMBus 接口的双环路数字多相控制器,可为AMD SVI2供电
-
PRODUCT
MP2886A产品多相数字 PWM 控制器,支持 PMBus 和 PWM-VID 协议
-
PRODUCT
MP2884A产品多相数字 PWM 控制器,支持 PMBus 和 PWM-VID 协议
-
PRODUCT
MP2853产品集成 PMBusTM 接口的双路数字多相控制器,主要用于 AMD SVI2
-
PRODUCT
MP2965产品集成 PMBus 接口的双路数字多相控制器,主要用于 VR13.HC 和 AVSBus
-
PRODUCT
MP2888A产品支持PMBus和PWM-VID接口的数字多相PWM控制器
直接登录
创建新帐号