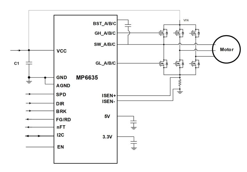
MP6635
35V, 3-Phase, Sensorless BLDC Motor Driver with Configurable Gate Driver, Non AEC-Q100 Version
正在供货产品型号
MP6635GUE-xxxx-Z MP6635GUE-xxxx-P MP6635GUE-0000-Z MP6635GUE-0000-P
P&Z的含义 
相关产品
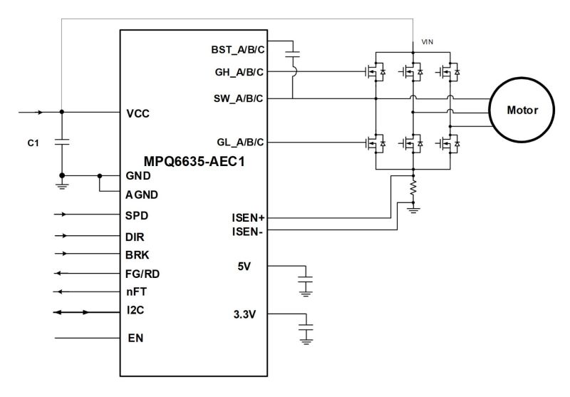
MPQ6635-AEC1 35V, 3-Phase, Sensorless BLDC Motor Driver with Configurable Gate Driver
The MPQ6635-AEC1 is a three-phase, sensorless, brushless DC (BLDC) motor driver with a configurable gate driver. It features sensorless field-oriented control (FOC) for improved efficiency and low vibration. The input voltage (VIN) ranges between 6V and 35V.
The MPQ6635-AEC1 controls the motor speed through the pulse-width modulation (PWM) signal with a 50Hz to 100kHz PWM input frequency. The device also supports DC input speed control.
The MPQ6635-AEC1 provides a rotational speed detector feature. The rotational speed detector (the FG/RD pin) is the output of an open-drain output. In addition, direction control is achieved through the DIR pin input.
The I2C interface is available for internal parameter configuration via the non-volatile memory (NVM).
Rich protections include input over-voltage protection (OVP), under-voltage lockout (UVLO), locked-rotor protection, phase-loss protection, over-current protection (OCP), and thermal shutdown protection.
The MPQ6635-AEC1 is available in a wettable-flank QFN-28 (5mmx5mm) package, and is available in AEC-Q100 Grade 1.
直接登录
创建新帐号