MPQ2285-AEC1
正在供货产品型号
MPQ2285GLE-xxxx-AEC1-Z MPQ2285GLE-xxxx-AEC1-P MPQ2285GLE-0000-AEC1-Z MPQ2285GLE-0000-AEC1-P
P&Z的含义 
相关产品
EVQ2285-L-00A 6V, 10A, Configurable, High-Frequency, Synchronous Buck Converter Evaluation Board, AEC-Q100 Qualified
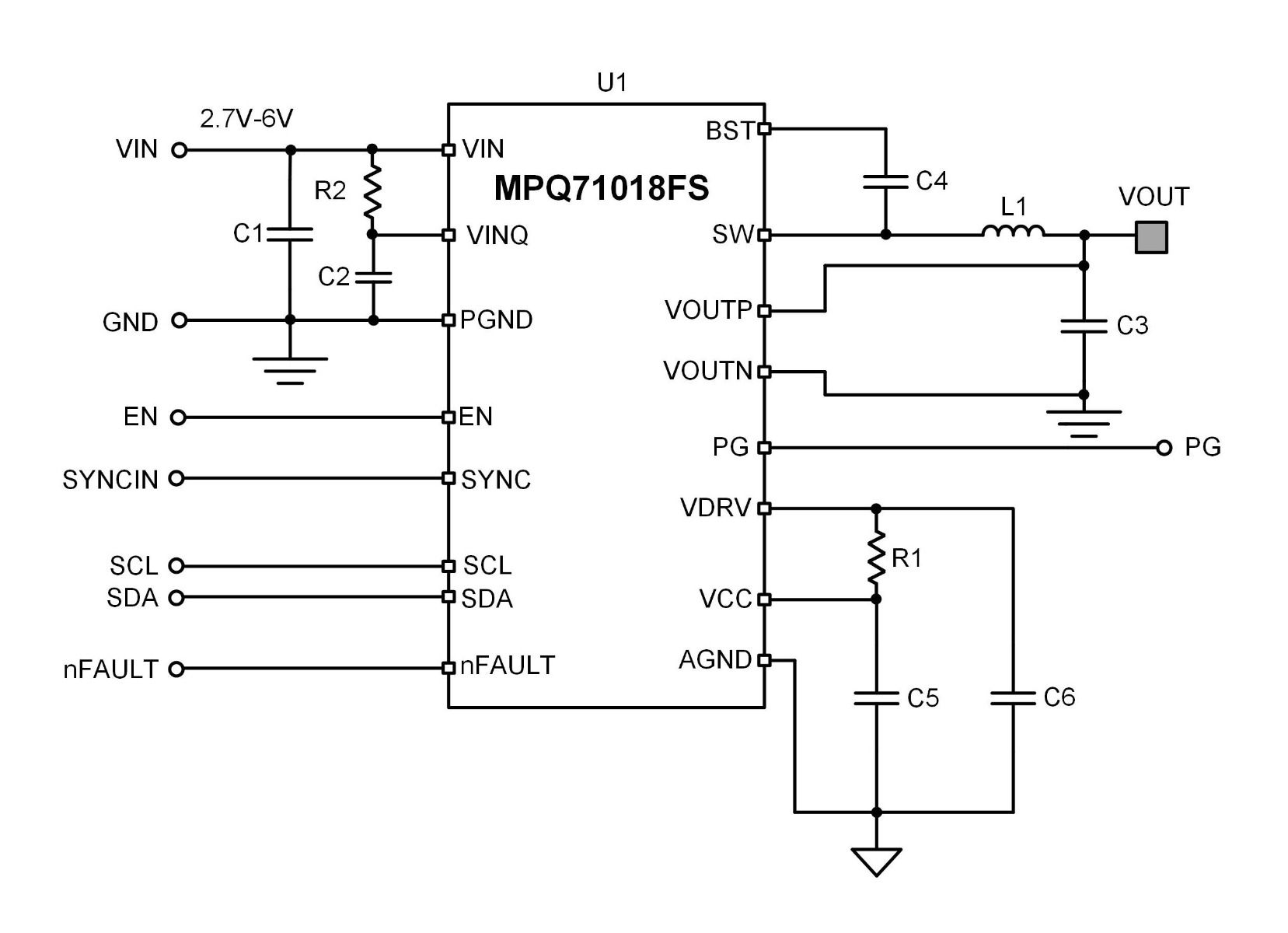
The EVQ2285-L-00A evaluation board is designed to demonstrate the capabilities of the MPQ2285-AEC1, a configurable, high-frequency, synchronous buck converter with integrated, internal high-side and low-side power MOSFETs (HS-FET and LS-FET, respectively).
The MPQ2285-AEC1 operates from a 2.7V to 6V input voltage (VIN) range and achieves up to 10A of highly efficient output current (IOUT) with fixed-frequency, zero-delay pulse-width modulation (PWM) (ZDPTM) control for optimal transient response.
During forced continuous conduction mode (FCCM), the configurable 2MHz to 4MHz switching frequency (fSW) reduces the external inductance and capacitance. Internal feedback and compensation minimize the external component count and improve accuracy.
High power conversion efficiency across the wide load range is achieved by scaling down fSW under light-load conditions to reduce fSW and gate driver losses.
Full protection features include short-circuit protection (SCP), over-current protection (OCP), input over-voltage protection (OVP), output OVP, and thermal shutdown. These protections provide reliable, fault-tolerant operation.
The digital interface features packet error checking (PEC), and the integrated, multi-page one-time programmable (OTP) memory allows a high degree of configurability.
The EVQ2285-L-00A is a fully assembled and tested evaluation board. The MPQ2285-AEC1 is available in a QFN-18 (3mmx4mm) package with wettable flanks, and is available in AEC-Q100 Grade 1.
立即购买
直接登录
创建新帐号