MPQ71017FS-AEC1
MPSafeTM, ASIL-D, 6V, 15A, Synchronous Buck Converter with ZDPTM, AEC-Q100 Qualified
正在供货产品型号
MPQ71017FSGLYT-xxxxAEC1-Z MPQ71017FSGLYT-xxxxAEC1-P MPQ71017FSGLYT-0000AEC1-Z MPQ71017FSGLYT-0000AEC1-P MPQ71017FSGLYTE-xxxxAEC-Z MPQ71017FSGLYTE-xxxxAEC-P MPQ71017FSGLYTE-0000AEC-Z MPQ71017FSGLYTE-0000AEC-P
P&Z的含义 
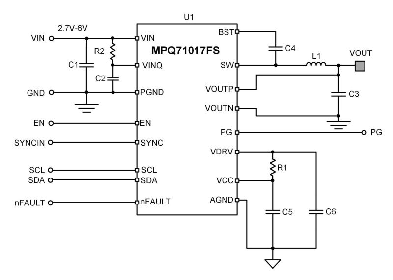
相关产品
MPQ71020FS-AEC1 采用 MPSafeTM 开发流程的6V、30A、同步降压变换器,采用 ZDPTM 技术、符合 ASIL-D 标准和 AEC-Q100 认证
MPQ71020FS-AEC1 是一款可配置高频 ASIL-D 级同步降压变换器,集成了内部上管(HS-FET)和下管(LS-FET)功率 MOSFET。该器件采用固定频率零延迟 PWM (ZDPTM) 控制,具备快速瞬态响应,可在2.7V 至 6V的输入电压 (VIN) 范围内提供 30A 高效率输出电流 (IOUT)。
在强制连续导通模式(FCCM)下,其 2MHz 至 4MHz 可配置开关频率 (fSW) 能显著降低外部电感与电容需求。内部反馈与补偿机制则进一步减少了所需外部元件数量,并提高了精度。
MPQ71020FS-AEC1在轻载条件下采用跳频模式来降低开关频率并减少栅极驱动损耗,从而实现宽负载范围内的高效率能量转换。该器件具有完备的保护功能,包括短路保护(SCP)、过流保护(OCP)、输入过压保护(OVP)、输出 OVP以及过温关断保护。这些保护功能确保了系统具有可靠的容错运行能力。
MPQ71020FS-AEC1 还集成了具有数据包错误校验(PEC)功能的 I2C 数字接口,并内置多页一次性可编程(OTP)存储器,通过用户编程实现了高度可配置性。
凭借集成的逻辑内置自检(LBIST)与模拟内置自检(ABIST)等功能安全特性,这款ASIL 认证器件可用于要求 ASIL-D 级汽车安全完整性等级的应用。该器件采用MPS 先进的 MPSafeTM 功能安全产品开发流程打造,已通过独立认证,符合 ISO 26262 标准。
MPQ71020FS-AEC1 采用 TLGA25(3mm × 4.5mm)封装,并符合AEC-Q100 等级1 认证。
直接登录
创建新帐号