MPC22161-120
正在供货产品型号
MPC22161-120-T
相关产品
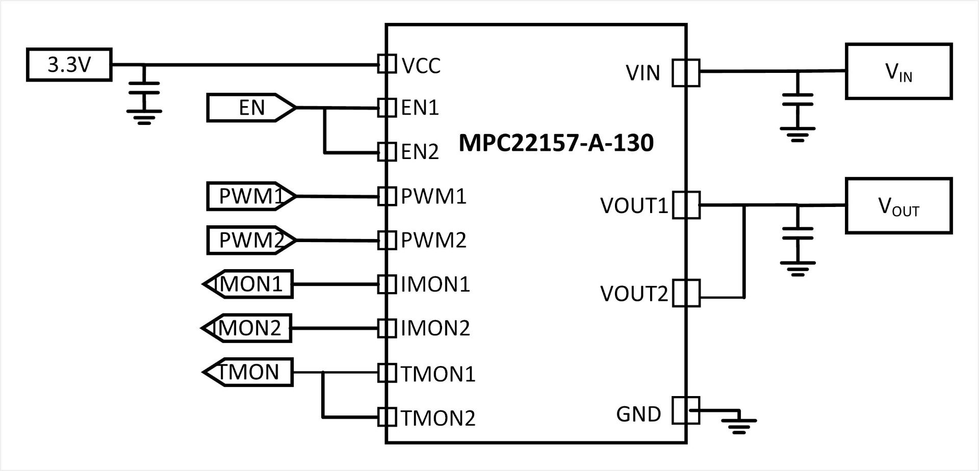
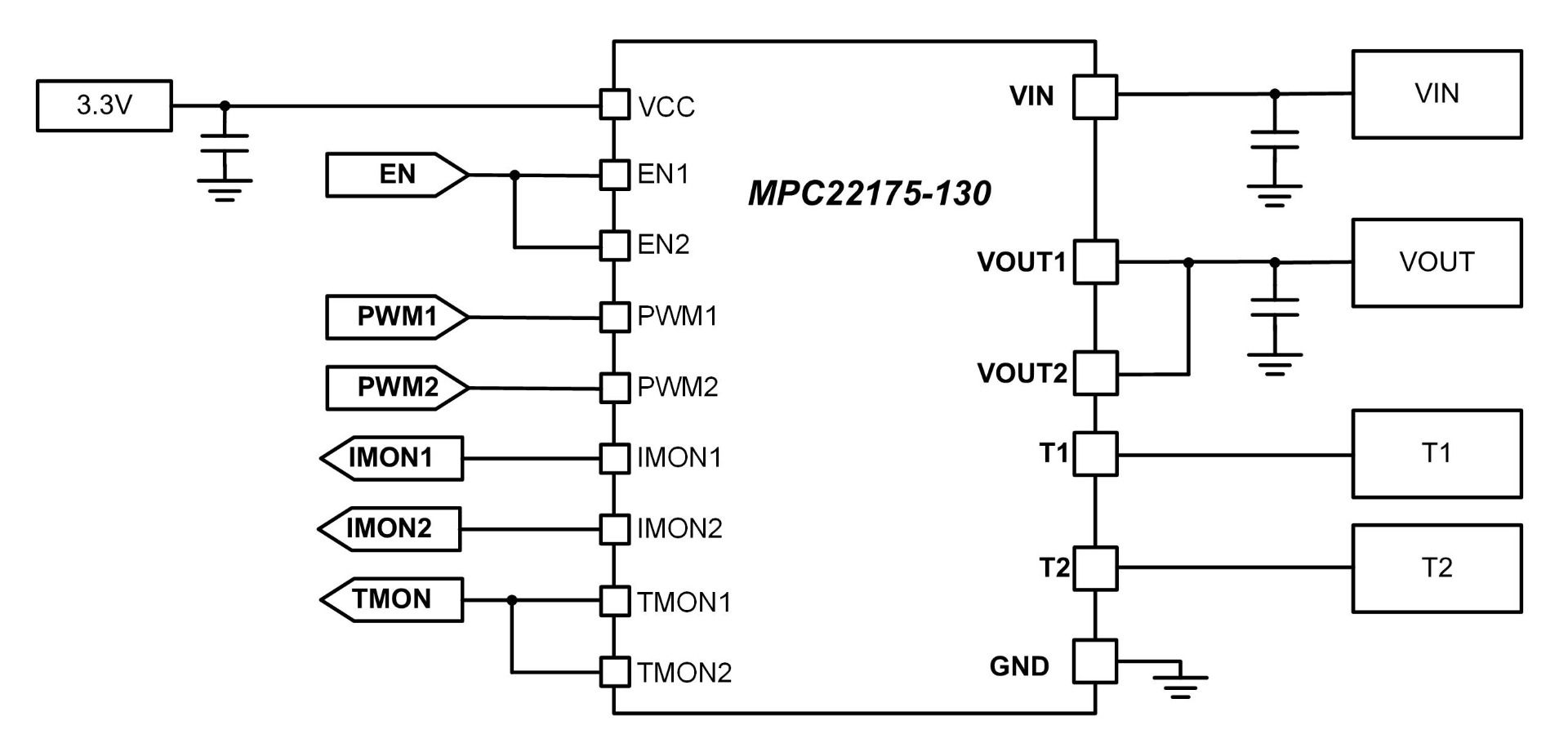
EVMPC22161-2891-Split-02A 是用于展示 MPC22161-120 功能的评估板。MPC22161-120是一款采用Quiet SwitcherTM 技术(QST)的120A、双相 Intelli-ModuleTM 电源模块。
EVMPC22161-2891-Split-02A可以在宽工作输入电压 (VIN) 范围内提供 120A 的负载电流,并可在宽输出电流 (IOUT) 负载范围内实现高效率。
EVMPC22161-2891-Split-02A上配置了一个 MP2891和两个 MPC22161-120;另外还集成了低功耗线性稳压器 MP2018-33,它可以为 MP2981 和 MPC22161-120提供稳定的 3.3V 电源。这些器件提供了两个可以独立运行的电源轨。
EVMPC22161-2891-Split-02A可以监控 MPC22161-120的 VIN、输出电压 (VOUT)、IOUT和温度,同时还提供可配置的 VIN欠压锁定 (UVLO) 保护、VOUT 过压保护 (OVP)、欠压保护 (UVP)、过流限制 (OCL) 和过流保护 (OCP)。
了解更多我们的评估板套件
直接登录
创建新帐号