MPC24380-260
Session textval
Session Titefor popup
详情
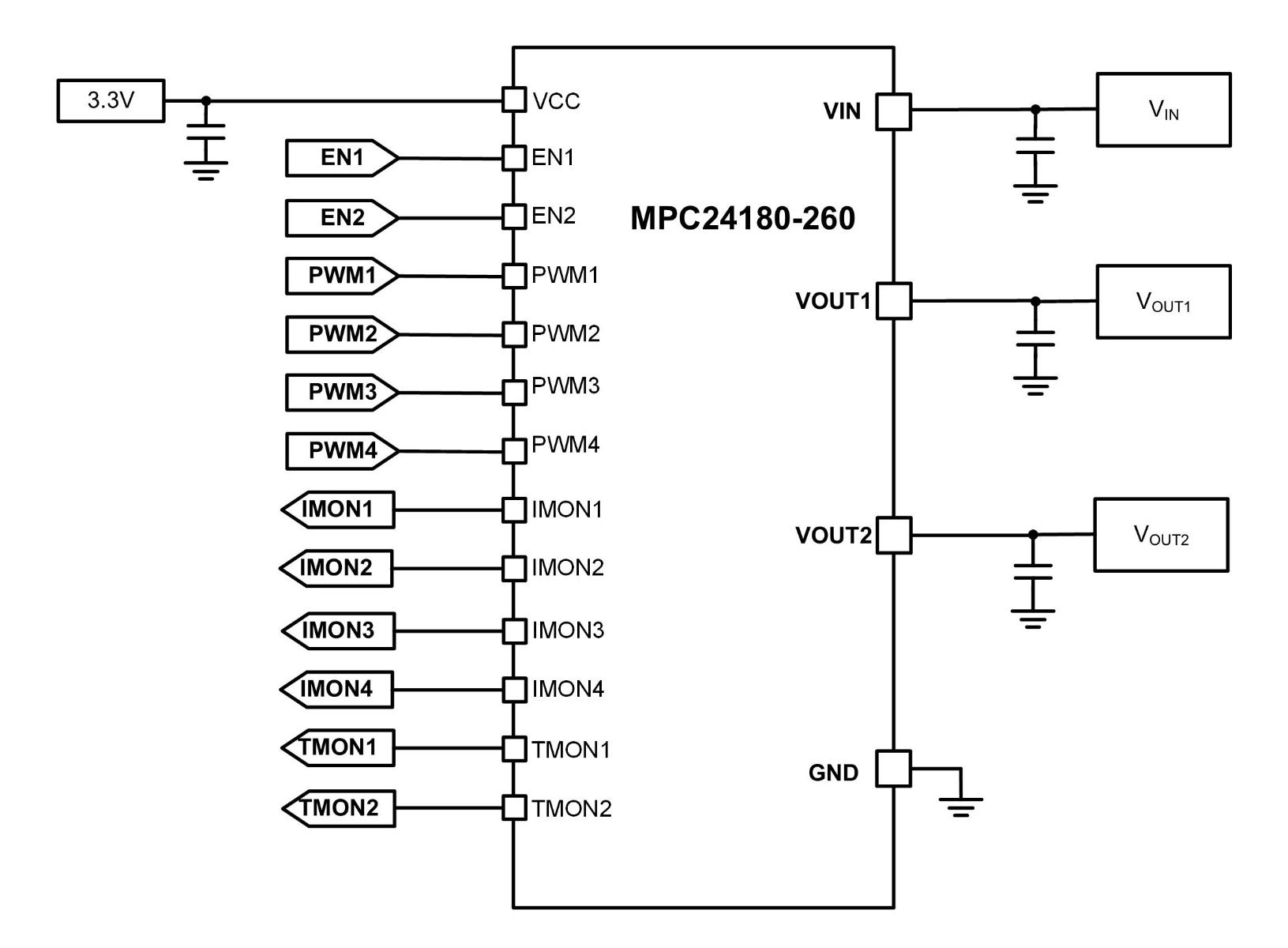
MPC24380-260 是一款四相、非隔离式、高效率、降压 Intelli-ModuleTM 电源模块。它采用 Quiet SwitcherTM 技术 (QSTTM),集成了驱动 MOSFET (DrMOS)、电感和输出电容,效率高且占用空间小,是服务器应用的理想选择。
该器件可在宽输入电压 (VIN) 范围内实现高达 260A(每相 65A)的输出电流 (IOUTx)。
MPC24380-260 具备多种可简化系统设计的功能。它可以与三态脉宽调制 (PWM) 信号控制器配合使用,提供 Accu-SenseTM 电流采样功能以监测电感电流 (IL),并提供温度采样功能以报告结温 (TJ)。
MPC24380-260 采用 LGA-54(9mmx10mmx4.8mm)封装。
-
显示更多
显示较少
产品特性和优势
- 采用 Quiet SwitcherTM 技术 (QSTTM) 限制峰值开关电压
- 3V 至 8V 宽输入电压 (VIN) 范围
- 高达 260A 的连续输出电流 (IOUTx)
- Accu-SenseTM 电流采样 (CS)功能
- 温度采样功能
- 兼容三态脉宽调制 (PWM) 信号
- 过流保护 (OCP)
- 过温保护 (OTP)
- 故障报告
- 采用 LGA-54 (9mmx10mmx4.8mm) 封装

正在供货产品型号
MPC24380-260-T
MPC24380-260 Resources
-
ARTICLE
MPS荣获ELEXCON 2025深圳国际电子展“年度优秀AI芯片奖”技术文章8月26日,elexcon2025-第22届深圳国际电子展正式拉开帷幕。为了表彰在“AI与双碳”双线技术创新的优秀企业,elexcon联手电子发烧友网现场颁发“2025半导体市场创新表现奖”,MPS新一代超高功率密度AI电源模块MPC24380斩获“年度优秀AI芯片奖”。 MPC24380-260是一款四相、非隔离式、高效率、降压Intelli-Module™电源模块,可实现高达260A(每相65A)的输出电流(IOUTx)。它采用Quiet Switcher™技术(QST™),集成了驱动MOSFET(DrMOS)、电感和输出电容,实现了高效率和高度集成,占板面积小,解决了高功率需求下的布局难题。MPC24380适用于AI服务器、超算、OAM卡、AI GPU、TPU、DPU等多种应用。 MPC24380-260采用Z轴供电TM(ZPDTM)架构,能显著降低PDN损耗...
-
APPLICATION
MPS电子开关解决方案应用 -
PRODUCT CATEGORY
处理器内核供电 INTELLI-MODULE (DRMOS + 电感)产品类目 -
PRODUCT CATEGORY
INTELLI模块产品类目 -
APPLICATION
服务器(核供电)数据中心解决方案应用云计算、人工智能(AI)、机器学习以及其他一些革命性技术正在整个行业中扩展开来,并已融入了消费者的日常生活中。然而,要满足这些技术不断增长的数据和处理需求,服务器和数据中心需要具备前所未有的速度。在不降低效率或可靠性的前提下,不断缩小的占板空间内需要容纳史无前例的高功率密度。核心电压轨必须能够提供卓越的速度、保护功能和灵活性,以跟上不断增长的需求。 MPS多样化的解决方案在保证效率的同时,能保持较低的整体系统成本。其散热管理专为高密度、高耗电的服务器而设计,能够节约能源并优化输出。MPS专有的Intelli-PhaseTM技术可保持并提高每个新设计的性能。这些可扩展的解决方案还提供了热插拔功能和先进的FET技术,可帮助简化设计,实现节省空间的封装。MPS创新的产品实现了强大的功能、速度与效率,可充分满足您的服务器设计需求。
-
PRODUCT
MPC22166-D-130产品5mm, 130A, Dual-Phase Intelli-ModuleTM with Quiet SwitcherTM Technology
-
PRODUCT
MPC22158-130产品采用 Quiet SwitcherTM技术的130A、8mmx8mmx3.8mm、双相 Intelli-ModuleTM电源模块
-
PRODUCT
MPC22164-A-130产品9mmx9.9mmx10mm、130A、2 相、高功率密度电源模块
-
PRODUCT
MPC22165-A-170产品170A、2相、高功率密度 Intelli-ModuleTM电源模块,具有合规高电流密度和9mm x 9.9mm x 10mm小尺寸
-
PRODUCT
MPC22157-130产品拥有双面冷却能力的130A、8mm、双相 Intelli-ModuleTM电源模块
-
PRODUCT
MPC22166-B-130产品拥有双面冷却能力的130A、双相 Intelli-ModuleTM电源模块
-
PRODUCT
MPC22166-A-130产品采用 Quiet SwitcherTM 技术的130A、两相 Intelli-ModuleTM
-
ARTICLE
面向AI和HPC应用的MPS 开放式加速器模块 (OAM) 电源系统技术文章可持续发展是未来世界的必然趋势,能够降低碳排放的节能解决方案需求也随之不断增长,即使人工智能 (AI) 等新兴领域也不例外。为了顺应节能解决方案的发展趋势,MPS一直致力于提供效率更高的电源解决方案。我们的方案能够帮助客户实现人工智能和高性能计算(HPC)领域日益紧迫的节能减排目标。 MPS电源产品遵循模块化和智能化的方向,旨在打造效率高、性能稳的绿色节能数据中心。图 1 显示了 MPS 的 48V 开放式加速器模块 (OAM) 电源系统。 AI OAM电源系统采用智能调节、节能管理、实时监控等多种电源管理技术,能够满足AI技术和HPC应用的需求。 功能特性: MPC22167-130是一款能为处理器核心轨供电的两相 Intelli-ModuleTM器件。该器件专门针对 HPC 应用进行了优化,例如 OAM 外形尺寸的 AI 处理器、FPGA和ASI...
-
USE CASE
INTELLI-MODULE 用例:OAM 形态AI 处理器应用案例本用例将介绍MPC22167-130符合开放加速器模块 (OAM) 外形规格的 AI 处理器应用(见图 1)。 多个 MPC22167-130 器件可与第一级电源模块配合使用,以支持端到端的电源解决方案,同时满足开放加速器模块形态AI 处理器的高功率要求。 超级计算机被越来越多地应用于自动驾驶、自动化客服操作以及预测性维护等新应用,应用方法也越来越复杂。为了应对这种局面,人们对AI计算的兴趣日趋高涨。这些新应用对超级计算机的功率要求越来越高,而随着 CPU 和 GPU 电流需求的不断增加,留给设计人员在电路板上安装多相稳压器 (VR)的空间不断被压缩。 两相降压电源模块MPC22167-130是MPS Intelli-ModuleTM系列的最新产品。该器件将 DrMOS、电感和其他无源元件集成到单个封装中,不仅占位面积小,功率密度还提高了2.5 倍。而且,它允许将 VR ...
-
PRODUCT
MPC22168-170产品采用 Quiet SwitcherTM 技术的16V、170A、双相 Intelli-ModuleTM 电源模块
-
PRODUCT
MPC22165-170产品采用 Quiet SwitcherTM 技术的 170A、两相 Intelli-ModuleTM电源模块
-
PRODUCT
MPC22167-130产品采用 Quiet SwitcherTM 技术的 16V、130A 双相 Intelli-ModuleTM
-
PRODUCT
MPC22164-130产品130A双相 Intelli-PhaseTM电源模块,采用Quiet SwitcherTM技术
-
PRODUCT
MPC22163-130产品采用 Quiet SwitcherTM技术的130A、双相Intelli-ModuleTM电源模块
-
PRODUCT
MPC22161-120产品采用 Quiet SwitcherTM 技术的 120A、双相 Intelli-ModuleTM
-
PRODUCT
MP2869A产品Dual-Loop, Digital, 16-Phase Controller with SVI3 Interface for AMD
-
ARTICLE
MEETING THE IMPEDANCE MASK: STRATEGIES FOR PDN DESIGN AND OPTIMIZATION技术文章In telecommunication applications, target impedance serves as a crucial benchmark for PDN design. It ensures that the die operates within an acceptable level of rail voltage noise, even under the worst-case transient current scenarios, by defining the maximum allowable PDN impedance for the power rail on the die. This article will focus on the optimization techniques to meet the target impedance ...
-
PRODUCT
MPQ8785产品支持PMBus 的 16V、40A、可扩展、数字、同步降压变换器
-
PRODUCT
MP5046产品具有可配置限流和反向电流保护功能的 60V、5A 电熔丝
-
PRODUCT
MP5024产品支持PMBus Lite 的16V、20A、2.8mΩ RDS(ON)、热插拔Intelli-Fuse解决方案
直接登录
创建新帐号