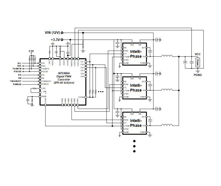
MP2888A
正在供货产品型号
MP2888AGU-xxxx-Z MP2888AGU-xxxx-P
P&Z的含义 
相关产品
EVKT-USBI2C-02 USB 转 I2C/PMBus 通信接口设备,包含在产品评估套件中,也可单独购买
EVKT-USBI2C-02 包含在产品评估套件中,也可单独购买。该通信接口同时兼容USB 转 I2C 端口和 USB 转 PMBus 端口。它是设计用于 MPS I2C 和 PMBus 产品和虚拟平台及 I2C GUI 工具上。与 MPS 虚拟平台和 I2C GUI一起使用可以简单快速地评估 MPS 的数字产品性能。
EVKT-USBI2C-02 套件包括:
- 1 个 USB 转 I2C 通信设备接口
- 1 根 USB 线
- 1 根 10 芯排线
- 1 根 3 芯排线
- 带有规格书和驱动文件的拇指驱动
了解更多我们的评估板套件
直接登录
创建新帐号