- MP2886A
MP2886A
Session textval
Session Titefor popup
详情
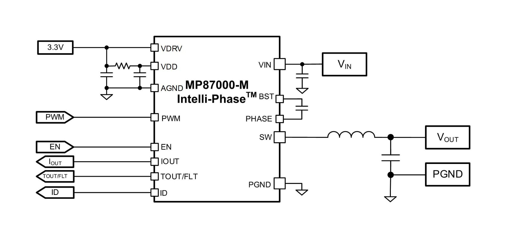
MP2886A 是一款数字多相脉宽调制(PWM)控制器,集成数字化 PWM-VID 接口,适配于 NVIDIA 的 Open VReg 规范。MP2886A 可与 MPS 智能相位产品配合使用,能采用最少的外部部件实现多相电压调节器(VR)解决方案。MP2886A 可配置多达 6 相工作。MP2886A 内部集成 EEPROM,用来存储和恢复器件配置。可通过 PMBus/I2C 接口轻松编程或监控设备配置和故障参数。
MP2886A 可以使用智能相位产品的 CS 输出监控并报告输出电流。基于独有的数字多相非线性控制,MP2886A 提供了快速负载瞬态响应,最大限度地减少了输出电容的使用。仅采用一个功率环路便可同时控制稳态和负载瞬态响应,这使得功率环路补偿非常容易配置。
MP2886A 采用 QFN-40(5mmx5mm)封装。
-
显示更多
显示较少
产品特性和优势
- 可编程多相达 6 相
- PWM-VID 接口支持 NVIDIA 规范
- 兼容 PMBus/I2C 接口(1MHz 总线速度)
- 可编程 PMBus 地址引脚
- 内置 EEPROM 以存储个性化配置
- 200kHz 至 5MHz 开关频率范围
- 自动环路补偿
- 相比传统模拟控制器,采用了更少的外部元器件
- 非线性数字控制实现了最好的瞬态性能
- 灵活的相数分配
- 自动增减相数功能提高了整体效率
- 支持相间电流平衡功能,同时支持可编程相电流偏差以实现相间热平衡的功能
- 输出电压/电流、输入电压/功率监控
- 调节器温度监控
- 无动作、锁定、重启或打嗝保护模式的输入欠压锁定保护(VIN UVLO)、输出过压/欠压保护(OVP/UVP)、过流保护(OCP)、过温保护(OTP)
- 智能相位 MOSFET 故障类型检测并自动记录至 EEPROM
- 寄存器映射表密码锁定功能
- 数字负载-线性调节功能
- 采用符合 RoHS 规范的 QFN-40(5mmx5mm)封装

正在供货产品型号
MP2886AGU-xxxx-P MP2886AGU-xxxx-Z
以 P 和 Z 结尾的零件编号是相同的零件。P 和 Z 仅表示卷筒尺寸
P&Z的含义
MP2886A Resources
-
ARTICLE
模拟信号与数字信号技术文章信号是将数据从一个系统或网络传输到另一系统或网络的电磁或电流。在电子设备中,信号通常是随时间变化的电压,也是携带信息的电磁波,当然也可以是电流等其他形式。电子设备中使用的信号主要有两种类型:模拟信号和数字信号。本文将讨论模拟信号与数字信号的特性、用途、优缺点以及典型应用。 模拟信号会随时间变化,而且通常被限制在一个范围内(例如+ 12V至-12V)。但在这个连续的范围内,它会有无限多个值。模拟信号使用介质的给定属性来传递信号信息,例如通过电线来传递电。在电信号中,用信号的不同电压、电流或频率来表达信息。模拟信号通常用于反应光线、声音、温度、位置、压力或其他物理现象的变化。 绘制电压与时间的关系图,我们会发现模拟信号会产生平滑而连续的曲线,不会产生任何离散变化(请参见图1)。 数字信号则将数据表示为一连串离散的值。在给定时间内,数字信号只能从有限的一组可能值中选取一...
-
PRODUCT CATEGORY
控制器产品类目 -
APPLICATION
服务器(DDR5电源)应用DDR5 SDRAM(同步动态随机存取内存)是最新一代的 DDR 内存。它是 DDR4 的后代产品,在速度、容量和能效方面都有显著的改进。DDR5 内存模块专为个人计算机、工作站和服务器而设计。DDR5 内存模块的主要优点包括: 速度更快:DDR5 内存模块的运行速度可达 8400MT/s,而 DDR4 仅为 3200MT/s。对游戏、视频编辑和 3D 渲染等任务来说,这无疑可显著改善性能。 容量更大:DDR5 内存模块的容量高达 128GB,而 DDR4 仅为 16GB。因此它能够提供更大的数据存储量,并能够同时运行高要求的应用。 功耗更低:DDR5 内存模块的运行电压 (1.1V) 低于 DDR4 内存模块 (1.2V)。低电压运行有助于降低计算机功耗并节省电费。 纠错能力更强:DDR5 内存模块具有片上 ECC(纠错码)功能,有助于防止数据损坏。 MPS...
-
APPLICATION
服务器(核供电)数据中心解决方案应用云计算、人工智能(AI)、机器学习以及其他一些革命性技术正在整个行业中扩展开来,并已融入了消费者的日常生活中。然而,要满足这些技术不断增长的数据和处理需求,服务器和数据中心需要具备前所未有的速度。在不降低效率或可靠性的前提下,不断缩小的占板空间内需要容纳史无前例的高功率密度。核心电压轨必须能够提供卓越的速度、保护功能和灵活性,以跟上不断增长的需求。 MPS多样化的解决方案在保证效率的同时,能保持较低的整体系统成本。其散热管理专为高密度、高耗电的服务器而设计,能够节约能源并优化输出。MPS专有的Intelli-PhaseTM技术可保持并提高每个新设计的性能。这些可扩展的解决方案还提供了热插拔功能和先进的FET技术,可帮助简化设计,实现节省空间的封装。MPS创新的产品实现了强大的功能、速度与效率,可充分满足您的服务器设计需求。
-
PRODUCT CATEGORY
处理器核心电源控制器产品类目 -
PRODUCT
MP2869A产品Dual-Loop, Digital, 16-Phase Controller with SVI3 Interface for AMD
-
VIDEO
MPS电源小课堂:多相电源-这就是电源界的“动车组列车”视频多相电源由一个多相电源控制器和多个功率半桥构成,为输出端芯片提供高质量的电能。它就像是我们今天经常乘坐的动车组列车,每一个功率半桥都是一个“动力车厢”,而多相电源控制器则是火车的“控制系统”,控制着整个列车的方向和速度,同时也保障各个“动力车厢”的协同运行。 更多精彩电源小课堂视频,敬请期待---> 联系我们 多相控制器&Intelli-Phase|芯源系统|MPS 处理器核心电源控制器| 多相控制器&Intelli-Phase|MPS|芯源系统 MP2891:面向业界领先GPU产品的双路输出、数字、16 相控制器,带有 PWM-VID 接口 MP86956:集成 HS-FET/LS-FET 和驱动器的Intelli-PhaseTM 解决方案,采用 LGA 和 TLGA (5mmx6mm) 封装 如何为多相电源系统设计热平衡...
-
VIDEO
MPS电源小课堂:COT控制方式如何保证多相电路均流视频均流对于多相供电系统来说至关重要,它不仅关系到系统的稳定性和可靠性,还直接影响到电源模块的寿命和效率。本视频给大家介绍一下通过COT控制方式如何来保证多相电路均流。 更多精彩电源小课堂视频,敬请期待---> 联系我们 多相控制器&Intelli-Phase|芯源系统|MPS 处理器核心电源控制器| 多相控制器&Intelli-Phase|MPS|芯源系统 MP2891:面向 NVIDIA 产品的双路输出、数字、16 相控制器,带有 PWM-VID 接口 MP86956:集成 HS-FET/LS-FET 和驱动器的Intelli-PhaseTM 解决方案,采用 LGA 和 TLGA (5mmx6mm) 封装 恒定导通时间(COT)控制的过去与现在 DC/DC 变换器中恒定导通时间控制(COT)的优势 文章:使用数字多相控制...
-
PRODUCT
MP2927产品三路输出数字多相控制器,兼容用于AVSBus的PMBus 接口
-
PRODUCT
MP2880产品单路输出、20 相数字控制器, 兼容用于AVSBus 的 PMBus 接口
-
PRODUCT
MP2882产品双路输出、16 相数字控制器, 兼容用于SVI2/AVSBus 的 PMBus 接口
-
PRODUCT
MP2891产品面向业界领先GPU产品的双路输出、数字、16 相控制器,带有 PWM-VID 接口
-
PRODUCT
MP2926产品带PMBus 接口的三环路数字多相控制器
-
PRODUCT
MP2855产品带 PMBus 接口的双环路数字多相控制器,可为AMD SVI2供电
-
PRODUCT
MP2884A产品多相数字 PWM 控制器,支持 PMBus 和 PWM-VID 协议
-
PRODUCT
MP2853产品集成 PMBusTM 接口的双路数字多相控制器,主要用于 AMD SVI2
-
PRODUCT
MP2965产品集成 PMBus 接口的双路数字多相控制器,主要用于 VR13.HC 和 AVSBus
-
PRODUCT
MP2888A产品多相数字 PWM 控制器,支持 PMBus 和 PWM-VID 协议
-
PRODUCT
MP2953B产品集成 PMBus 接口的 6 相数字多相控制器,支持 VR12.5标准
-
PRODUCT
MP2935产品4相PWM控制器,用于 VR12.5 应用v
-
PRODUCT
MP2932产品6相PWM控制器,具有针对VR10和VR11的8位DAC代码
-
PRODUCT
MP2930产品4相PWM控制器,8位DAC代码适用于VR10和VR11
-
PRODUCT
MPC22166-D-130产品5mm, 130A, Dual-Phase Intelli-ModuleTM with Quiet SwitcherTM Technology
-
PRODUCT
MP5024产品支持PMBus Lite 的16V、20A、2.8mΩ RDS(ON)、热插拔Intelli-Fuse解决方案
-
PRODUCT
MP5026产品16V、20A、2.8mΩ RDS(ON)、热插拔Intelli-Fuse解决方案
直接登录
创建新帐号