MP2695
正在供货产品型号
MP2695GQ-0000-Z MP2695GQ-0000-P MP2695GQ-xxxx-Z MP2695GQ-xxxx-P
P&Z的含义 
相关产品
EVKT-MP2695 具有 I2C 控制接口的单节开关充电器,符合 JEITA 标准
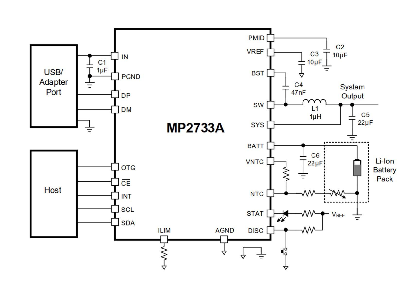
EVKT-MP2695 是一款专门设计用于 MP2695 的评估板。MP2695 是一款高集成单节锂离子/锂聚合物电池充电器。它的布局设计适用于大部分通用电容。此款评估板默认预设为充电模式,单节锂离子电池的充满电压预设为 4.200V。
EV2695-Q-01A
带 I2C 控制接口的单节开关充电器
MP2695 I2C Evaluation GUI
MP2695 可高度定制。用户可通过可下载的 I2C GUI 配置 MP2695。
EVKT-USBI2C-02
USB 转 I2C/PMBus 通信接口设备,包含在产品评估套件中,也可单独购买
立即购买
直接登录
创建新帐号