- MP3317
MP3317
Session textval
Session Titefor popup
详情
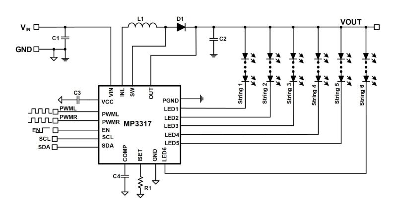
MP3317 是一款带6 通道电流源的升压变换器,可用于驱动虚拟现实 (VR) 背光应用中LCD 面板的WLED 阵列。
MP3317 采用峰值电流模式和脉宽调制 (PWM) 控制来实现升压变换器的调节。它集成6 通道 LED 电流源,每通道最大 160mA 电流;LED 电流 (ILED) 精度为 2.5%,匹配精度达 1.5%。该器件通过两个 PWM 调光信号输入引脚(PWML 和 PWMR)支持对左右 LCD 面板进行直接 PWM 调光。
凭借其在LED调压过程中的低净空电压特性以及开关MOSFET的低导通电阻(RDS(ON)),MP3317可实现高效率工作。
该器件通过标准 I2C数字接口来启用通道,并设置操作、开关频率 (fSW)、LED 电流幅度、逐周期电流限制、输入电流限制以及各种保护阈值。
为确保系统可靠性,MP3317 集成了丰富的保护功能,包括 LED 开路保护、LED 短路保护、LEDx 对地短路保护、逐周期电流限制、输入过流保护 (OCP-IN)、带闭锁模式的过流保护 (OCLATCH)、ISET 短路保护、ISET 开路保护、过压保护 (OVP) 和过温保护 (OTP)。
MP3317 采用 WLCSP-20 (1.75mmx2.45mm) 封装。
-
显示更多
显示较少
产品特性和优势
- 输入电压 (VIN) 范围:2.5V 至 33V
- 高达 34V的输出电压 (VOUT)
- 6 通道,每通道最大电流 160mA
- 集成 35V、120mΩ 下管功率 MOSFET (LS-FET)
- 120mA 电流时具有400mV LED 调节电压
- LED 电流 (ILED ) 精度为 2.5%,ILED 匹配精度达 1.5%
- 312kHz/625kHz/1250kHz 可配置开关频率 (fSW)
- I2C接口,可配置两个 I2C地址
- 两个外部脉宽调制 (PWM) 调光引脚:PWML 和 PWMR
- 直接 PWM 调光/模拟调光
- 独立ILEDL/ILEDR 通道组幅值调节
- 12 位模拟调光分辨率
- 输入PWM 导通时间限制
- 一次性可编程存储器,用于自定义默认寄存器值
- LED 开路/短路保护
- LEDx对地短路保护
- 过温保护 (OTP)
- 逐周期过流保护 (OCP)
- 输入过流保护 (OCP-IN)
- 带闭锁模式的过流保护 (OCLATCH)
- ISET 引脚开路/短路保护
- 采用 WLCSP-20 (1.75mmx2.45mm) 封装
正在供货产品型号
MP3317GC-xxxx-Z MP3317GC-xxxx-P MP3317GC-0000-Z MP3317GC-0000-P
以 P 和 Z 结尾的零件编号是相同的零件。P 和 Z 仅表示卷筒尺寸
P&Z的含义 
MP3317 Resources
-
APPLICATION
VR/AR 耳机和眼镜应用虚拟现实(VR)和增强现实(AR)耳机和眼镜是一种越来越流行的可穿戴应用,它可使用户沉浸于整体视听体验中。设备可穿戴意味着它必须轻巧、舒适且相当耐用,并且能够响应多感官反馈和触觉反馈。新型设计需要提供更长的电池寿命、超高分辨率视觉效果以及高保真音频。无缝的无线连接和更快的处理速度也是必不可少的,用以支持创新的新应用。在这个不断发展的市场中,便捷易用的用户界面也是提升客户满意度的关键。MPS提供多种解决方案,包括线性充电器、开关充电器、变换器、监控电路、稳压器、PMIC、LED和WLED驱动器、USB、电熔丝和负载开关。这些通用高效器件均采用非常紧凑的解决方案尺寸,将所需电源轨数量减到最少,简化设计并降低了成本。MPS具成本效益的紧凑型电源解决方案有助于实现下一代VR/AR耳机和眼镜。
-
APPLICATION
平板电脑应用平板电脑以及其他移动设备是当今最大的消费类技术市场之一。这一市场不断发展,并以前所未有的速度变得越来越复杂。消费者期望平板电脑具备与笔记本电脑/便携式电脑几乎相同的处理能力和功能,同时具备与智能手机相媲美的便携性。这种期望的转变意味着平板电脑必须满足不断增长的电源需求,并提供越来越多的集成技术和功能。 先进的平板电脑可通过一个简单便捷的平台高度集成多种功能,包括: - 更高的处理能力- 一流的显示和音频质量- WLAN / Wi-Fi、导航和其他通讯技术- 蜂窝基带功能,例如4G LTE和5G-内存、软件和硬件需求增加-便利性与安全性的平衡-除快速安全的充电以外,更大的电池容量和更长的运行时间-紧凑型、手持式解决方案 MPS全套的电源解决方案包括模块、稳压器、适配器、开关、充电器、驱动器、音频放大器和LCD电源。我们提供平板电脑设计所需的一切,且具有更佳性能、更低功耗和更长的电池寿命...
-
APPLICATION
笔记本电脑(IMVP8)应用笔记本电脑和便携式电脑对许多消费者和企业来说都是至关重要的设备,它需要具备纤薄的外形,还要提供可靠的性能和简洁的用户体验。随着新技术和应用持续进入市场,笔记本电脑和便携式电脑必须在用户不断期许小巧轻薄的同时,在不断增长的处理性能和效率需求之间寻求平衡。新型便携式电脑具有更长的电池寿命、更低的功耗,以及先进的连接性和用户界面,能够以可承受的成本提供最佳性能。 MPS的变换器、适配器、背光驱动器、负载开关、USB开关、驱动器和充电器可为这些产品供电。我们广泛的产品组合将高效率、强大的保护功能和出色的散热性能集成到小尺寸封装中,简化了设计过程。各部件协同工作,创建出顶级的解决方案,可降低设计成本并帮助用户提高生产率。此外,我们的产品均经过精心设计,可以满足英特尔的IMVP8和IMVP9规范。 MPS经济高效的解决方案为笔记本电脑和便携式电脑加电设计提供了所需的一切,同时还可提高产量并提升便利...
-
PRODUCT CATEGORY
背光驱动器(WLED)产品类目 -
PRODUCT
MPQ3365-AEC1产品4-Channel, Max. 150mA/Ch, Boost WLED Driver with 15000:1 Dimming Ratio and I2C, AEC-Q100 Qualified
-
PRODUCT
MPQ3365A-AEC1产品5-Channel, Max 150mA/Ch, Boost WLED Driver with 15000:1 Dimming Ratio and I2C
-
PRODUCT
MPQ3366C-AEC1产品6-Channel, Max 200mA/Channel, Boost WLED Controller with 10000:1 Dimming Ratio and I2C, AEC-Q100 Qualified
-
PRODUCT
MPQ3359C-AEC1产品1- to 4-Channel, Max 160mA/Channel, Boost WLED Controller with High Dimming Ratio, AEC-Q100 Qualified
-
PRODUCT
MPQ3359A-AEC1产品1/2/3/4 通道、最大 150mA/每通道、高调光比、升压 WLED 驱动器,符合 AEC-Q100 认证
-
PRODUCT
MP3387L产品6 串,50V输出升压 WLED 驱动器,可为平板电脑和笔记本电脑提供智能调光
-
PRODUCT
MP3312产品2.7-5.5Vin, 38Vout 双通道升压WLED 驱动器, 与TPS61163 引脚完全兼容
-
PRODUCT
MP3359产品4 通道、最大 150mA/通道、高调光比、升压 WLED 驱动器
-
PRODUCT
MP3314A产品具有 I2C 接口的 6 通道、80mA、50V、升压 WLED 驱动器
-
PRODUCT
MPQ3359-AEC1产品4 通道、最大 150mA/通道、高调光比、升压 WLED 驱动器,符合 AEC-Q100 认证
-
PRODUCT
MP3398H产品4 串、最大 400mA/串、80V 回收端电压、升压白光LED(WLED)控制器
-
PRODUCT
MP3314产品带串行接口的 6 通道、60mA、50V、升压白光 LED(WLED) 驱动器
-
PRODUCT
MP3385B产品带 I2C 接口的 4 串、80V 输出、WLED 控制
-
PRODUCT
MP4657B产品单级反激式4 串 LED 驱动器和系统电压控制器, 具有低电流和低电流纹波
-
PRODUCT
MP4658产品4 串、每通道最大 200mA、80V返回 LED 驱动器,带AC/DC 反馈
-
PRODUCT
MP4657A产品单级反激式4 串 LED 驱动器和系统电压控制器
-
PRODUCT
MPQ3367A-AEC1产品低 EMI 、6 通道升压 WLED 驱动器,每通道最大 150mA电流,具有 15000:1 调光比和 I2C 接口,符合 AEC-Q100 标准
-
PRODUCT
MP3363产品单串、最低1.8V VIN、36V VOUT 升压 LED 驱动器
-
PRODUCT
MP3364产品4 通道升压 WLED 驱动器,每通道最大电流为 150mA 且具有 15000:1 调光比和 I2C 接口
-
PRODUCT
MPQ3364-AEC1产品4 通道、每通道最大 150mA、升压 WLED 驱动器,具有 15000:1 调光比和 I2C接口,符合AEC-Q100认证
-
PRODUCT
MPQ3362-AEC1产品单串 3V VIN_MIN, 36V VOUT升压LED 驱动器,符合AEC-Q100认证
直接登录
创建新帐号