- MPQ3365-AEC1
MPQ3365-AEC1
4-Channel, Max. 150mA/Ch, Boost WLED Driver with 15000:1 Dimming Ratio and I2C, AEC-Q100 Qualified
Session textval
Session Titefor popup
详情
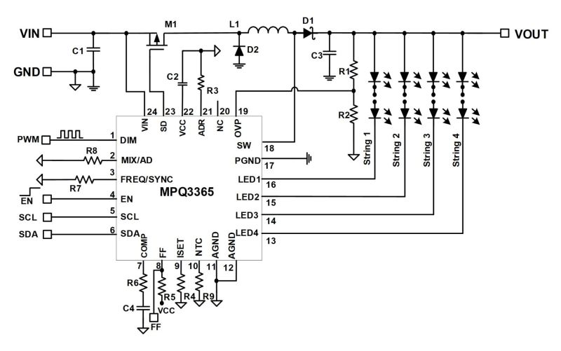
The MPQ3365-AEC1 is a step-up converter with four channel current sources, designed to drive the white LED arrays as backlighting in small to mid-size LCD panels.
The MPQ3365-AEC1 uses peak current mode as its pulse-width modulation (PWM) control architecture to regulate the boost converter. Four channel current sources are applied into the LED cathode to adjust the LED brightness. The MPQ3365-AEC1 regulates the current in each LED string to the value set via an external current-setting resistor, with 2.5% current regulation accuracy between strings.
The MPQ3365-AEC1 is designed for higher efficiency with a low on resistance (RDS(ON)) MOSFET and a low headroom voltage. It provides a standard I2C digital interface for ease of use. The switching frequency (fSW) can be configured via a resistor, I2C interface, or external clock.
The MPQ3365-AEC1 provides analog, PWM, and mixed dimming mode with a PWM input or internal register. Dimming mode can be selected via the I2C interface or the MIX/AD pin. The device also provides a phase shift function to eliminate noise during PWM dimming.
Robust protections are included to guarantee the device’s safe operation. Protection modes include over-current protection (OCP), over-voltage protection (OVP), over-temperature protection (OTP), LED short/open protection, and LEDx short-to-GND protection. The NTC function provides an option that decreases the LED current automatically at higher temperatures.
The MPQ3365-AEC1 is available in a QFN-24 (4mmx4mm) package and is AEC-Q100 qualified.
-
显示更多
显示较少
产品特性和优势
- 3.6V to 36V Input Voltage (VIN) Range
- 4 Channels with Max. 150mA per Channel
- Internal 110mΩ, 50V MOSFET
- Configurable Switching Frequency (fSW) Up to 2.2MHz
- External Sync SW Function
- Multi-Dimming Operation via the Pulse-Width Modulation (PWM) Input or Register, Including:
- PWM Dimming
- Analog Dimming
- Mixed Dimming with 50%, 25%, 12.5%, or 6.25% Transfer Point
- 15000:1 Dimming Ratio during Mixed Dimming at fPWM ≤ 200Hz
- 200:1 Dimming Ratio during Analog Dimming
- Excellent EMI Performance and Frequency Spread Spectrum (FSS)
- I2C Interface with 3 Selectable IC Addresses
- Phase Shift Function for PWM Dimming
- 2.5% Current Matching
- Cycle-by-Cycle Current Limit
- Disconnect VOUT from VIN
- Optional LED Current Automatically Decrements at High Temperature (NTC)
- LED Short/Open Protection, Over-Temperature Protection (OTP), Over-Current Protection (OCP), and Inductor/Diode Short Protection
- Configurable LED Short Threshold
- Configurable Over-Voltage Protection (OVP) Threshold
- Fault Indicator Signal Output
- Available in a QFN-24 (4mmx4mm) Package
- AEC-Q100 Qualified
正在供货产品型号
MPQ3365GRE-xxxx-AEC1-Z MPQ3365GRE-xxxx-AEC1-P MPQ3365GRE-0000-AEC1-Z MPQ3365GRE-0000-AEC1-P
以 P 和 Z 结尾的零件编号是相同的零件。P 和 Z 仅表示卷筒尺寸
P&Z的含义 
MPQ3365-AEC1 Resources
-
APPLICATION
抬头显示 (HUD)应用在高速发展的汽车技术领域中,抬头显示 (HUD)系统无疑可以提升驾驶员的驾驶体验。创新的 HUD 系统能够将重要信息无缝集成到车辆的挡风玻璃上,为驾驶员提供实时数据、导航提示和安全警报,避免了被道路分散注意力。MPS 能够为HUD应用提供尖端组件。 MPS 专为汽车行业量身定制了整套的解决方案。我们卓越的产品组合包括了高性能的组件,例如 LED 背光驱动器。这些组件能够提供无可比拟的效率与可靠性,确保 HUD 应用拥有优秀的性能。 MPS 的顶级产品组合可以增强您驾驶体验的各个方面。领先的解决方案能够为 HUD 应用无缝赋能,实现无与伦比的清晰度、能源效率和耐用性。
-
APPLICATION
显示(导航、抬头显示、仪表盘)应用汽车显示—包括中央显示器、平视显示器 (HUD) 和仪表盘—向驾驶员显示关键信息和交互式内容。中央信息显示器连接到主机,并提供导航和其他车内信息娱乐控制。汽车 HUD 和仪表仪表盘为驾驶员提供易于访问的信息。HUD 还可以在视线高度上从集群显示器中投射出关键指标,例如速度、温度和燃料用量。除了满足严格的散热要求、ISO26262 安全标准和 EMC 法规之外,这些高级显示器还要求高效率、易于集成和可扩展性的电源解决方案。 我们典型的电源管理解决方案组合包括降压和升压变换器、电源模块、低压差 (LDO) 稳压器、线性稳压器、USB 充电端口、负载开关、PMIC、背光 (WLED) 驱动器、直流有刷驱动和螺线管驱动器和直流无刷预驱动器。这些汽车级部件可实现高质量的显示,同时还满足重要的安全标准。 MPS 高效、可扩展的产品组合为您提供支持下一代汽车显示设计所需的一切。
-
APPLICATION
信息娱乐系统应用汽车车载信息娱乐系统越来越多地由软件驱动,以增强安全性和整体驾驶体验。现代汽车将驾驶和环境信息、乘客娱乐、无线连接和导航集成到一个集中的信息娱乐系统架构中。然而,随着复杂的车载信息娱乐系统的兴起,汽车设计师还面临着越来越多的系统复杂性,例如高级驾驶辅助系统 (ADAS) 以及对连接性和舒适性的考虑,以及符合 ISO26262 安全标准和 EMI 法规。 我们卓越的车规级组件套件包括降压和升压变换器、电源模块、低压降 (LDO) 稳压器、USB 充电端口、负载开关、模拟开关、PMIC、背光 (WLED) 驱动器、直流有刷和螺线管驱动器和直流无刷预驱动器。这些部件旨在以紧凑的封装尺寸简化系统设计,并确保符合严格的安全要求。 MPS 可靠、高效的电源解决方案为下一代信息娱乐系统设计供电提供了所需的一切。
-
PRODUCT CATEGORY
背光驱动器(WLED)产品类目 -
PRODUCT CATEGORY
背光驱动器(WLED)产品类目 -
PRODUCT
MPQ3322-AEC1产品24 通道、最大 100mA/通道、电流源 LED 驱动器,带独立 PWM 和模拟调光功能,符合 AEC-100 认证
-
PRODUCT
MP3359C产品1/2/3/4-Channel, Max 160mA/Ch, Boost WLED Controller with High Dimming Ratio
-
PRODUCT
MPQ3365A-AEC1产品5-Channel, Max 150mA/Ch, Boost WLED Driver with 15000:1 Dimming Ratio and I2C
-
PRODUCT
MPQ3366C-AEC1产品6通道、最大200mA/通道、10000:1高调光比、升压WLED控制器,带 I2C 接口并符合AEC-Q100认证
-
PRODUCT
MPQ3359C-AEC1产品1至4通道,最大160mA/通道,高调光比升压WLED控制器,符合AEC-Q100认证
-
PRODUCT
MPQ3621-AEC1产品48 通道、每通道最大 50mA、电流源 LED 驱动器,具备独立模拟调光与 PWM 调光功能,符合 AEC-Q100 认证
-
PRODUCT
MPQ3321-AEC1产品48通道、每通道最大80mA、电流源LED驱动器,具有独立模拟调光和PWM调光功能,符合AEC-Q100认证
-
PRODUCT
MPQ3359A-AEC1产品1/2/3/4 通道、最大 150mA/每通道、高调光比、升压 WLED 驱动器,符合 AEC-Q100 认证
-
PRODUCT
MPQ3321GQQE-AEC1-Z产品48 通道、每通道最大 80mA、电流源 LED 驱动器,具有独立模拟调光和 PWM 调光功能并符合 AEC-Q100 认证
-
PRODUCT
MP3317产品带 I2C接口的 6 通道、160mA、34V、升压 WLED 驱动器,适用于 VR应用
-
PRODUCT
MPQ3322GQKE-0000-AEC1-Z产品24 通道、最大 100mA/通道、电流源 LED 驱动器,带独立 PWM 和模拟调光功能,符合 AEC-100 认证
-
PRODUCT
MP3387L产品6 串,50V输出升压 WLED 驱动器,可为平板电脑和笔记本电脑提供智能调光
-
PRODUCT
MP3312产品2.7-5.5Vin, 38Vout 双通道升压WLED 驱动器, 与TPS61163 引脚完全兼容
-
PRODUCT
MP3359产品4 通道、最大 150mA/通道、高调光比、升压 WLED 驱动器
-
PRODUCT
MP3314A产品具有 I2C 接口的 6 通道、80mA、50V、升压 WLED 驱动器
-
PRODUCT
MPQ3359-AEC1产品4 通道、最大 150mA/通道、高调光比、升压 WLED 驱动器,符合 AEC-Q100 认证
-
PRODUCT
MPQ3323B-AEC1产品4 通道、每通道320mA、具有独立 PWM/模拟调光和数字接口的LED 驱动器,符合 AEC-Q100 认证
-
PRODUCT
MPQ3326B-AEC1产品具有独立 PWM/模拟调光和串行接口(默认启用)的16 通道、80mA/通道、LED 驱动器,符合 AEC-Q100 认证
-
PRODUCT
MPQ3326A-AEC1产品具有独立 PWM/模拟调光和串行接口的 16 通道、80mA/通道、LED 驱动器,符合 AEC-Q100 认证
-
PRODUCT
MP3398H产品4 串、最大 400mA/串、80V 回收端电压、升压白光LED(WLED)控制器
直接登录
创建新帐号