- MPQ3359C-AEC1
MPQ3359C-AEC1
1- to 4-Channel, Max 160mA/Channel, Boost WLED Controller with High Dimming Ratio, AEC-Q100 Qualified
Session textval
Session Titefor popup
详情
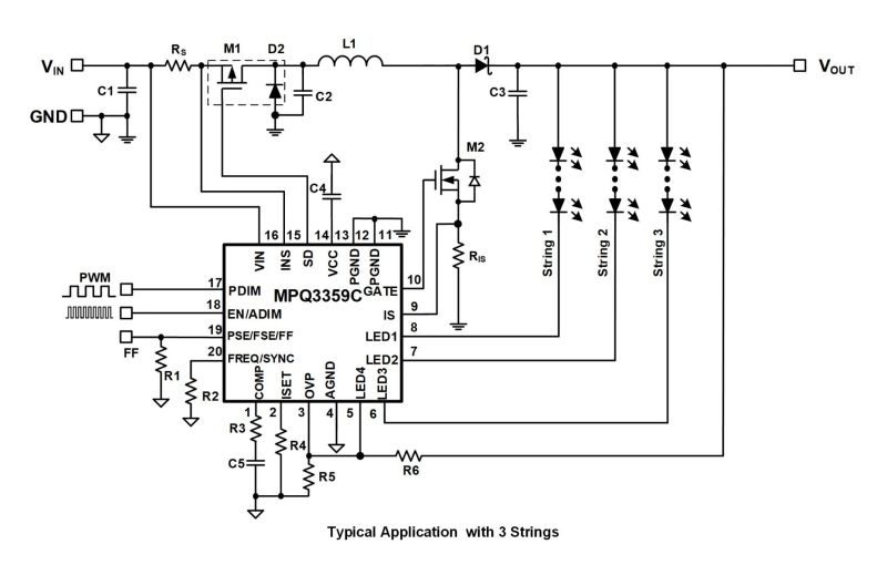
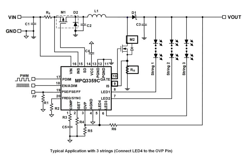
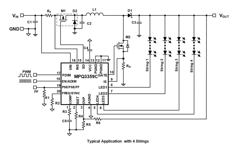
The MPQ3359C is a step-up controller with four channel current sources. It is designed to drive white LED (WLED) arrays as backlighting for medium-sized LCD panels.
The device uses peak current mode control as its pulse-width modulation (PWM) control architecture to regulate the boost converter. The device drives an external MOSFET to boost the output voltage (VOUT) from a 3.5V to 40V input supply voltage (VIN). The switching frequency (fSW) can be configured via a resistor or an external clock.
Four channel current sources are applied to the LED cathode to adjust LED brightness. The MPQ3359C regulates the current in each LED string to the value set by an external current-setting resistor, with 2.5% current regulation accuracy between strings. A low headroom voltage is provided to improve efficiency and IC thermal performance.
The MPQ3359C provides analog and PWM dimming with two separate input pins (EN/ADIM and PDIM, respectively). The device also has a fixed delay time between LED current (ILEDx) channels to eliminate noise during PWM dimming.
Robust protections are included to guarantee safe device operation. Protection modes include input current (IIN) over-current protection, cycle-by-cycle current limiting, over-voltage protection (OVP), over-temperature protection (OTP), LED short/open protection, LEDx short-to-GND protection, and VOUT short-to-GND protection.
The MPQ3359C is available in a QFN-20 (3mmx4mm) package, and is available in AEC-Q100 Grade 1.
-
显示更多
显示较少
产品特性和优势
- 3.5V to 40V Input Voltage (VIN) Range
- 4 Channels with Max 160mA per Channel
- Configurable Switching Frequency (fSW) Up to 2.2MHz
- External Sync SW Function
- Pulse-Width Modulation (PWM) Dimming
- Analog Dimming
- Deep Dimming Ratio
- Excellent EMI Performance and Frequency Spread Spectrum (FSS)
- Fixed 100µs Delay between LED Current Channels during PWM Dimming (Replaces Phase Shift)
- 2.5% Current Matching
- Cycle-by-Cycle Current Limiting
- Disconnect VOUT from VIN
- Input Over-Current Protection (OCP)
- LED String Open/Short Protection
- Over-Temperature Protection (OTP)
- LEDx Pin Short-to-GND Protection
- VOUT Short-to-GND Protection
- Ability to Disable LED4 if LED4 Is Unused
- Fault Indicator Signal Output
- Available in a QFN-20 (3mmx4mm) Package
- Available in AEC-Q100 Grade 1
正在供货产品型号
MPQ3359CGLE-AEC1-Z MPQ3359CGLE-AEC1-P
以 P 和 Z 结尾的零件编号是相同的零件。P 和 Z 仅表示卷筒尺寸
P&Z的含义 
MPQ3359C-AEC1 Resources
-
APPLICATION
抬头显示 (HUD)应用在高速发展的汽车技术领域中,抬头显示 (HUD)系统无疑可以提升驾驶员的驾驶体验。创新的 HUD 系统能够将重要信息无缝集成到车辆的挡风玻璃上,为驾驶员提供实时数据、导航提示和安全警报,避免了被道路分散注意力。MPS 能够为HUD应用提供尖端组件。 MPS 专为汽车行业量身定制了整套的解决方案。我们卓越的产品组合包括了高性能的组件,例如 LED 背光驱动器。这些组件能够提供无可比拟的效率与可靠性,确保 HUD 应用拥有优秀的性能。 MPS 的顶级产品组合可以增强您驾驶体验的各个方面。领先的解决方案能够为 HUD 应用无缝赋能,实现无与伦比的清晰度、能源效率和耐用性。
-
APPLICATION
显示(导航、抬头显示、仪表盘)应用汽车显示—包括中央显示器、平视显示器 (HUD) 和仪表盘—向驾驶员显示关键信息和交互式内容。中央信息显示器连接到主机,并提供导航和其他车内信息娱乐控制。汽车 HUD 和仪表仪表盘为驾驶员提供易于访问的信息。HUD 还可以在视线高度上从集群显示器中投射出关键指标,例如速度、温度和燃料用量。除了满足严格的散热要求、ISO26262 安全标准和 EMC 法规之外,这些高级显示器还要求高效率、易于集成和可扩展性的电源解决方案。 我们典型的电源管理解决方案组合包括降压和升压变换器、电源模块、低压差 (LDO) 稳压器、线性稳压器、USB 充电端口、负载开关、PMIC、背光 (WLED) 驱动器、直流有刷驱动和螺线管驱动器和直流无刷预驱动器。这些汽车级部件可实现高质量的显示,同时还满足重要的安全标准。 MPS 高效、可扩展的产品组合为您提供支持下一代汽车显示设计所需的一切。
-
APPLICATION
信息娱乐系统应用汽车车载信息娱乐系统越来越多地由软件驱动,以增强安全性和整体驾驶体验。现代汽车将驾驶和环境信息、乘客娱乐、无线连接和导航集成到一个集中的信息娱乐系统架构中。然而,随着复杂的车载信息娱乐系统的兴起,汽车设计师还面临着越来越多的系统复杂性,例如高级驾驶辅助系统 (ADAS) 以及对连接性和舒适性的考虑,以及符合 ISO26262 安全标准和 EMI 法规。 我们卓越的车规级组件套件包括降压和升压变换器、电源模块、低压降 (LDO) 稳压器、USB 充电端口、负载开关、模拟开关、PMIC、背光 (WLED) 驱动器、直流有刷和螺线管驱动器和直流无刷预驱动器。这些部件旨在以紧凑的封装尺寸简化系统设计,并确保符合严格的安全要求。 MPS 可靠、高效的电源解决方案为下一代信息娱乐系统设计供电提供了所需的一切。
-
PRODUCT CATEGORY
背光驱动器(WLED)产品类目 -
PRODUCT CATEGORY
背光驱动器(WLED)产品类目 -
PRODUCT
MPQ3366C-AEC1产品6-Channel, Max 200mA/Channel, Boost WLED Controller with 10000:1 Dimming Ratio and I2C, AEC-Q100 Qualified
-
PRODUCT
MPQ3621-AEC1产品48-Channel, Max 50mA/Channel Current-Source LED Driver with Independent Analog and PWM Dimming, AEC-Q100 Qualified
-
PRODUCT
MPQ3321-AEC1产品48通道、每通道最大80mA、电流源LED驱动器,具有独立模拟调光和PWM调光功能,符合AEC-Q100认证
-
PRODUCT
MPQ3359A-AEC1产品1/2/3/4 通道、最大 150mA/每通道、高调光比、升压 WLED 驱动器,符合 AEC-Q100 认证
-
PRODUCT
MPQ3321GQQE-AEC1-Z产品48 通道、每通道最大 80mA、电流源 LED 驱动器,具有独立模拟调光和 PWM 调光功能并符合 AEC-Q100 认证
-
PRODUCT
MP3317产品带 I2C接口的 6 通道、160mA、34V、升压 WLED 驱动器,适用于 VR应用
-
PRODUCT
MP3387L产品6 串,50V输出升压 WLED 驱动器,可为平板电脑和笔记本电脑提供智能调光
-
PRODUCT
MP3312产品2.7-5.5Vin, 38Vout 双通道升压WLED 驱动器, 与TPS61163 引脚完全兼容
-
PRODUCT
MP3359产品4 通道、最大 150mA/通道、高调光比、升压 WLED 驱动器
-
PRODUCT
MP3314A产品具有 I2C 接口的 6 通道、80mA、50V、升压 WLED 驱动器
-
PRODUCT
MPQ3359-AEC1产品4 通道、最大 150mA/通道、高调光比、升压 WLED 驱动器,符合 AEC-Q100 认证
-
PRODUCT
MPQ3323B-AEC1产品4 通道、每通道320mA、具有独立 PWM/模拟调光和数字接口的LED 驱动器,符合 AEC-Q100 认证
-
PRODUCT
MP3398H产品4 串、最大 400mA/串、80V 回收端电压、升压白光LED(WLED)控制器
-
PRODUCT
MPQ3326B-AEC1产品具有独立 PWM/模拟调光和串行接口(默认启用)的16 通道、80mA/通道、LED 驱动器,符合 AEC-Q100 认证
-
PRODUCT
MPQ3326A-AEC1产品具有独立 PWM/模拟调光和串行接口的 16 通道、80mA/通道、LED 驱动器,符合 AEC-Q100 认证
-
PRODUCT
MP3314产品带串行接口的 6 通道、60mA、50V、升压白光 LED(WLED) 驱动器
-
PRODUCT
MP3385B产品带 I2C 接口的 4 串、80V 输出、WLED 控制
-
PRODUCT
MP4657B产品单级反激式4 串 LED 驱动器和系统电压控制器, 具有低电流和低电流纹波
-
PRODUCT
MP4658产品4 串、每通道最大 200mA、80V返回 LED 驱动器,带AC/DC 反馈
-
PRODUCT
MP4657A产品单级反激式4 串 LED 驱动器和系统电压控制器
直接登录
创建新帐号