- MP4832A
MP4832A
Session textval
Session Titefor popup
详情
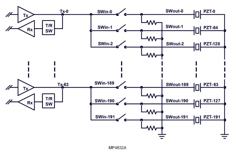
MP4832A 是一款集成输出泄放电阻的 32 通道高压单刀单掷 SPST 模拟开关,设计用于医疗超声成像应用。它专门用于对往返于多路电压式转换器 PZT 的发射电压和接收电压进行多路复用。输出开关由后跟 32 位数据锁存器的 32 位串行移位寄存器控制。它提供了数据输出引脚 Dout,使多个器件可以级联在一起。
这将有助于最大限度减少输入/输出 I/O 控制线路的数量。数据锁存器中的逻辑高电平将使相应的模拟开关导通,而逻辑低电平将使其关断。MP4832A 无需任何高压电源。仅需两个低压电源:3.3V 和 10V。模拟开关可阻断或传递高达 ±90V 的模拟电压,峰值电流高达 ±2.0A。MP4832A 采用 QFN 72 引脚 10mm x 10mm 封装。
-
显示更多
显示较少
产品特性和优势
- 无需高压电源
- 32 通道
- 高达 ±90V 的模拟信号
- 14Ω 典型开关电阻
- ±2.0A 典型开关峰值电流
- -60dB 关断隔离(5.0MHz)
- 集成输出泄放电阻
- 80MHz 时钟频率
- 采用 72 引脚 10x10mm QFN 封装
正在供货产品型号
MP4832AGRD
MP4832A Resources
-
APPLICATION
超声波机(便携式)应用医学超声成像采用高频声波来查看人体内部结构,例如内部器官,血管以及子宫中正在发育的胎儿。与MRI或CT扫描等成像技术相比,超声技术是一种低创、更便宜的诊断方法。随着集成技术的进步,现如今还引入了可以提供快速和精准读数的便携式超声仪器。对于重症患者(比如危机生命的出血)而言,这种设置时间更短、更昂贵的医疗器械尤为重要。 我们的电源解决方案可以为医学超声系统提供小封装、低功耗、高效率的产品,可以实现更高的可靠性,更小的尺寸和更低的成本。随着医疗超声市场的发展,探头内压电式转换器的数量不断增加,我们的解决方案可以消除了电缆上高压直流线路带来的任何安全隐患,是医疗超声系统的理想之选。 MPS的DC / DC电源模块可以为系统供电提供更小、更高效、更具成本效益的解决方案。
-
PRODUCT CATEGORY
超声多路开关产品类目 -
PRODUCT
MP4898A产品128-Channel, High-Voltage Analog Switch with Output Bleed Resistors and 5V Bias
-
PRODUCT
MP4865A产品集成输出泄放电阻、具有5V 偏压的 64 通道高压模拟开关
-
PRODUCT
MP4835A产品集成输出泄放电阻、具有 5V 偏压的 32 通道、高压模拟开关
-
PRODUCT
MP4833A产品32 通道高压模拟开关,带输出泄放电阻,采用 BGA 封装
-
PRODUCT
MP4816产品16 通道高压模拟开关
-
PRODUCT
MP4816A产品集成输出泄放电阻的 16 通道高压模拟开关
-
PRODUCT
MP4864A产品带输出泄放电阻的 64 通道、高压、SPST 模拟开关
-
ARTICLE
高压模拟开关在医学超声成像的应用技术文章医学超声成像是一种利用高频声波来检查人体内部器官和结构的非侵入性方法。通过向人体发射声波并接收声波的回波,来生成超声波图像。鉴于人体的声学特性,一般医学超声成像的最佳频率范围为1.0MHz ~ 12.0MHz。 为了产生声波,需要使用到压电换能器 (PZT) 。在PZT上施加电压,PZT会发生物理上的膨胀和收缩,从而将电能转换成声能。PZT需要通过高压脉冲信号来激发,信号发射器可以产生振幅高达±90V、电流达到±2.0A的脉冲信号。同时,PZT还用于将接收到的声波回波转换为电信号,即接收信号。通过对接收到的信号进行处理和分析,可以构建出相应的超声影像。 为了更好地理解具体操作原理,我们先研究单通道PZT是如何工作的。如Figure1所示,在传输周期内, 信号发射器产生了一个5 MHZ的±90 V高压脉冲信号,并作用在PZT上。从而,PZT会产生...
-
PRODUCT
MP4423C产品频率可调的6A、36V降压变换器
-
PRODUCT
HFC0310A产品适用于 SiC MOSFET 的可调定频反激控制器
-
PRODUCT
MP2491C产品32V, 6A, 降压变换器,带限流设置和输出电压调节控制功能
-
PRODUCT
MP2761GVT-0000-Z产品I2C 接口控制、2至4节电池升降压充电器IC,带NVDC 电源路径管理功能
-
PRODUCT
HF300产品高频、理想钳位反激控制器
-
PRODUCT
MP8886产品45V 输入、双路 3A/单路 6A 输出、数字、可配置、同步降压变换器
-
PRODUCT
MP2658产品适用于多节串联电池组并集成 MOSFET 的 36V 独立开关充电器IC
-
PRODUCT
MP4246产品具有四个集成 MOSFET 和 I2C接口的 6A 升降压变换器
-
PRODUCT
MPM4730产品2.8V 至 22V VIN、1A最大电流、4 开关集成型升降压(Buck-Boost)模块
-
PRODUCT
MP2980产品带数字接口和电流监控器的 36V 同步升降压控制器
-
PRODUCT
MP2984产品36V 同步升降压(Buck-Boost)控制器,具有电流监控功能和串行接口,并可通过 IPWM 调节 OCP
-
PRODUCT
MPQ4263-AEC1产品36V、140W 升降压 (Buck-Boost) 变换器,集成下管 MOSFET、高端电流采样和I²C接口,符合 AEC-Q100 认证
-
PRODUCT
MPM4710产品6V、1A、2MHz、同步升降压电源模块
-
PRODUCT
MP2499A产品36V、最大 3A、高效率同步降压变换器,具有输出线路压降补偿功能
-
PRODUCT
MP3309C产品2.7V-5.5Vin, 1.5A,具备 I2C 接口,适用于平板电脑和智能手机的同步 Boost 升压 WLED 驱动器
直接登录
创建新帐号