- MP4898A
MP4898A
Session textval
Session Titefor popup
详情
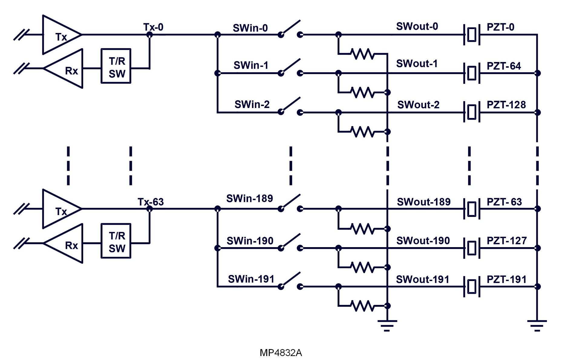
MP4898A是一款集成了输出泄放电阻的 128 通道、高压、单刀单掷 (SPST) 模拟开关。它专门用于对往返于多个压电换能器 (PZT) 之间的发射电压和接收电压进行多路复用,是医学超声成像应用的理想选择。
128个开关被配置为64个1:2多路复用器和解复用器,共64个开关输入。每个开关输入都连接至两个开关输出(SWOUTA和SWOUTB),共128个开关输出。MP4898A由两个64位串行移位寄存器和两个64位锁存器控制。开关的开/关状态通过这两个64位串行移位寄存器控制。
MP4898A无需任何高压电源,它只需两个低压电源(3.3V 和 5V)即可工作。它可以阻断或传输高达 ±90V 的模拟电压,峰值电流高达 ±1.8A。
MP4898A 采用 BGA-215 (10mmx20mm) 封装。
-
显示更多
显示较少
产品特性和优势
- 无需高压电源
- 128通道
- 1:2 多路复用器/解复用器
- 高达 ±90V 的模拟信号
- 14Ω 典型开关电阻
- ±1.8A 典型开关峰值电流
- -66dB 的关断隔离度(5MHz)
- 集成输出泄放电阻
- 60MHz 时钟频率
- 5V偏置电源
- 采用 BGA-215 (10mmx20mm)封装
正在供货产品型号
MP4898AGBV-T
MP4898A Resources
-
APPLICATION
超声波机(便携式)应用医学超声成像采用高频声波来查看人体内部结构,例如内部器官,血管以及子宫中正在发育的胎儿。与MRI或CT扫描等成像技术相比,超声技术是一种低创、更便宜的诊断方法。随着集成技术的进步,现如今还引入了可以提供快速和精准读数的便携式超声仪器。对于重症患者(比如危机生命的出血)而言,这种设置时间更短、更昂贵的医疗器械尤为重要。 我们的电源解决方案可以为医学超声系统提供小封装、低功耗、高效率的产品,可以实现更高的可靠性,更小的尺寸和更低的成本。随着医疗超声市场的发展,探头内压电式转换器的数量不断增加,我们的解决方案可以消除了电缆上高压直流线路带来的任何安全隐患,是医疗超声系统的理想之选。 MPS的DC / DC电源模块可以为系统供电提供更小、更高效、更具成本效益的解决方案。
-
PRODUCT CATEGORY
超声多路开关产品类目 -
PRODUCT
MP4832A产品32 通道高压模拟开关,带输出泄放电阻
-
PRODUCT
MP4895A产品96 通道高压模拟开关,带输出泄放电阻和5V偏置
-
PRODUCT
MP4865A产品集成输出泄放电阻、具有5V 偏压的 64 通道高压模拟开关
-
PRODUCT
MP4835A产品集成输出泄放电阻、具有 5V 偏压的 32 通道、高压模拟开关
-
PRODUCT
MP4833A产品32 通道高压模拟开关,带输出泄放电阻,采用 BGA 封装
-
PRODUCT
MP4816A产品集成输出泄放电阻的 16 通道高压模拟开关
-
PRODUCT
MP4816产品16 通道高压模拟开关
-
PRODUCT
MP4864A产品带输出泄放电阻的 64 通道、高压、SPST 模拟开关
-
ARTICLE
高压模拟开关在医学超声成像的应用技术文章医学超声成像是一种利用高频声波来检查人体内部器官和结构的非侵入性方法。通过向人体发射声波并接收声波的回波,来生成超声波图像。鉴于人体的声学特性,一般医学超声成像的最佳频率范围为1.0MHz ~ 12.0MHz。 为了产生声波,需要使用到压电换能器 (PZT) 。在PZT上施加电压,PZT会发生物理上的膨胀和收缩,从而将电能转换成声能。PZT需要通过高压脉冲信号来激发,信号发射器可以产生振幅高达±90V、电流达到±2.0A的脉冲信号。同时,PZT还用于将接收到的声波回波转换为电信号,即接收信号。通过对接收到的信号进行处理和分析,可以构建出相应的超声影像。 为了更好地理解具体操作原理,我们先研究单通道PZT是如何工作的。如Figure1所示,在传输周期内, 信号发射器产生了一个5 MHZ的±90 V高压脉冲信号,并作用在PZT上。从而,PZT会产生...
-
PRODUCT
MP4832AGRD-T产品集成输出泄放电阻的 32 通道高压模拟开关
-
PRODUCT
MP2733A产品宽输入范围、4.5A、I2C控制开关充电器IC,具有 NVDC 电源路径管理功能和OTG 模式下的可控 RBFET
-
PRODUCT
MP8887产品65V, 9A, High-Efficiency Buck Converter with I2C Interface, Configurable Frequency, and Adjustable OCP
-
PRODUCT
MPM3599产品45V, Dual 12A, Single 24A, Buck Power Module with I2C
-
PRODUCT
MP8880A产品带PMBus 接口的 60V、4.5A、高效率、数字、可配置、同步降压变换器
-
PRODUCT
MP2761产品I2C 接口控制、2至4节电池升降压充电器IC,带NVDC 电源路径管理功能
-
PRODUCT
MP4423C产品频率可调的6A、36V降压变换器
-
PRODUCT
HFC0310A产品适用于 SiC MOSFET 的可调定频反激控制器
-
PRODUCT
MP2491C产品32V, 6A, 降压变换器,带限流设置和输出电压调节控制功能
-
PRODUCT
MP2761GVT-0000-Z产品I2C 接口控制、2至4节电池升降压充电器IC,带NVDC 电源路径管理功能
-
PRODUCT
HF300产品高频、理想钳位反激控制器
-
PRODUCT
MP8886产品45V 输入、双路 3A/单路 6A 输出、数字、可配置、同步降压变换器
-
PRODUCT
MP2658产品适用于多节串联电池组并集成 MOSFET 的 36V 独立开关充电器IC
-
PRODUCT
MP4246产品具有四个集成 MOSFET 和 I2C接口的 6A 升降压变换器
直接登录
创建新帐号