- MPQ20056-AEC1
MPQ20056-AEC1
Session textval
Session Titefor popup
详情
MPQ20056是一款低压差线性调节器,可在2.5V至5.5V输入电压范围内提供高达250mA的电流和100mV压差电压。针对两种不同封装,其输出电压预设为1.8V 或 3.3V。MPQ20056 通过一个外部分压电阻将输出电压控制在0.8V至5V范围内。MPQ20056使用内部 PMOS 无源器件,允许低至 150μA 的接地电流,使其适用于电池供电设备。该器件提供的其他功能包括低功率关断、短路保护和过温保护。
MPQ20056 采用8 引脚2mm x 2mm QFN 封装和5引脚 TSOT23-5 封装。
-
显示更多
显示较少
产品特性和优势
- 工业/汽车温度保证
- 高达 250mA 的输出电流
- 100mV 低压差(250mA)
- 150µA低接地电流
- 低噪声:13µVRMS 典型值(10Hz 至 100kHz)
- 63dB PSRR(1kHz 频率)
- 采用陶瓷输出电容可稳定工作
- 出色的负载/线性调整率
- 限流保护和过温保护
- 固定输出电压:1.8V 和3.3V
- 可调输出电压:0.8V 至 5V
- -------采用一个外部分压电阻
- 符合 AEC-Q100 等级认证
正在供货产品型号
MPQ20056GG-18-AEC1-P MPQ20056GG-18-AEC1-Z MPQ20056GG-33-AEC1-P MPQ20056GG-33-AEC1-Z MPQ20056GJ-33-AEC1-P MPQ20056GJ-33-AEC1-Z MPQ20056GJ-AEC1-P MPQ20056GJ-AEC1-Z MPQ20056GJ-25-AEC1-Z MPQ20056GJ-25-AEC1-P
以 P 和 Z 结尾的零件编号是相同的零件。P 和 Z 仅表示卷筒尺寸
P&Z的含义 
MPQ20056-AEC1 Resources
-
APPLICATION
中央网关应用随着车辆继续集成电子控制单元 (ECU) 网络以实现尖端功能,汽车中央网关控制器在桥接和管理跨各种协议(例如 CAN、FlexRay、LIN、以太网和 ISO-9141)的数据传输方面发挥着核心作用。 中央网关实现了 ECU 网络之间的物理隔离,以及协议之间的可移植性,以支持车辆不同功能域之间的通信。 这些功能对于网络安全和新兴的物联网 (IoT)、无线软件更新 (SOTA) 和汽车共享等服务是不可或缺的。 除了满足 ISO26262 安全标准和 EMC 法规之外,现代中央网关控制器还需要强大的处理能力和安全性。 我们全面的电源解决方案组合包括电源模块、看门狗定时器、低压差 (LDO) 稳压器、降压和升压变换器以及 USB 充电端口。 这些组件经过精心设计,可确保在小型封装中实现强大、可靠的中央网关控制器,同时还符合严格的温度和 EMI 要求。 MPS 高效、可扩展的解决方案可...
-
APPLICATION
显示(导航、抬头显示、仪表盘)应用汽车显示—包括中央显示器、平视显示器 (HUD) 和仪表盘—向驾驶员显示关键信息和交互式内容。中央信息显示器连接到主机,并提供导航和其他车内信息娱乐控制。汽车 HUD 和仪表仪表盘为驾驶员提供易于访问的信息。HUD 还可以在视线高度上从集群显示器中投射出关键指标,例如速度、温度和燃料用量。除了满足严格的散热要求、ISO26262 安全标准和 EMC 法规之外,这些高级显示器还要求高效率、易于集成和可扩展性的电源解决方案。 我们典型的电源管理解决方案组合包括降压和升压变换器、电源模块、低压差 (LDO) 稳压器、线性稳压器、USB 充电端口、负载开关、PMIC、背光 (WLED) 驱动器、直流有刷驱动和螺线管驱动器和直流无刷预驱动器。这些汽车级部件可实现高质量的显示,同时还满足重要的安全标准。 MPS 高效、可扩展的产品组合为您提供支持下一代汽车显示设计所需的一切。
-
APPLICATION
抬头显示(高端)应用汽车抬头显示设计已经从传统的硬件接口演变为提供各种车内功能的复杂信息娱乐系统。这些功能包括导航、无线连接、乘客娱乐、手势识别和语音控制。随着消费者对信息娱乐功能的期望不断提高,制造商面临着设计挑战,例如减少驾驶员分心、防止互联环境中的网络安全威胁以及满足充电和数据传输需求。除了符合 ISO26262 安全标准和 EMI 抑制要求外,高端主机单元还提供强大的尖端技术,以实现直观、无缝的驾驶体验。 我们广泛的电源管理解决方案目录包括降压和升压变换器、电源模块、低压差 (LDO) 稳压器、降压转换器、负载开关、模拟开关和 PMIC。这些组件旨在确保以最小的封装尺寸实现最佳性能,同时满足温度和 EMI 安全要求。 MPS 优质、高效的产品目录为您提供支持下一代高端抬头显示设计所需的一切。
-
APPLICATION
信息娱乐系统应用汽车车载信息娱乐系统越来越多地由软件驱动,以增强安全性和整体驾驶体验。现代汽车将驾驶和环境信息、乘客娱乐、无线连接和导航集成到一个集中的信息娱乐系统架构中。然而,随着复杂的车载信息娱乐系统的兴起,汽车设计师还面临着越来越多的系统复杂性,例如高级驾驶辅助系统 (ADAS) 以及对连接性和舒适性的考虑,以及符合 ISO26262 安全标准和 EMI 法规。 我们卓越的车规级组件套件包括降压和升压变换器、电源模块、低压降 (LDO) 稳压器、USB 充电端口、负载开关、模拟开关、PMIC、背光 (WLED) 驱动器、直流有刷和螺线管驱动器和直流无刷预驱动器。这些部件旨在以紧凑的封装尺寸简化系统设计,并确保符合严格的安全要求。 MPS 可靠、高效的电源解决方案为下一代信息娱乐系统设计供电提供了所需的一切。
-
APPLICATION
后置摄像头(汽车电池供电)应用后置摄像头是高级驾驶辅助系统 (ADAS) 中最常见的摄像头子系统。越来越多的汽车将其作为标准配置提供。要实现对车辆后方可能存在的危险进行精确、实时的监控,并将信息直接传送到通常位于驾驶舱头部的 LCD 显示器,后置摄像头子系统必须具有高集成度和快速的数据处理速度。为了实现消费者更高的安全性与便利性,这些高级安全功能需要满足 ISO26262 安全标准和 EMI 缓解措施之外,也增加了工程师的设计复杂度与额外的考量因素。 MPS 可靠且可扩展的电源管理解决方案组合包括电源模块、降压变换器和线性稳压器。这些汽车级器件可满足严格的温度与 EMI 要求,同时还能简化系统设计并最大限度地减小整体解决方案尺寸。 MPS 高效、高性价比的产品组合为下一代后置摄像头供电设计提供了所需的一切。
-
APPLICATION
后置摄像头(同轴电缆供电)应用后置摄像头是高级驾驶辅助系统 (ADAS) 中最常见的摄像头子系统。越来越多的汽车将其作为标准配置提供。要实现对车辆后方可能存在的危险进行精确、实时的监控,并将信息直接传送到通常位于驾驶舱头部的 LCD 显示器,后置摄像头子系统必须具有高集成度和快速的数据处理速度。为了实现消费者更高的安全性与便利性,这些高级安全功能需要满足 ISO26262 安全标准和 EMI 缓解措施之外,也增加了工程师的设计复杂度与额外的考量因素。 MPS 可靠且可扩展的电源管理解决方案组合包括电源模块、降压变换器和线性稳压器。这些汽车级器件可满足严格的温度与 EMI 要求,同时还能简化系统设计并最大限度地减小整体解决方案尺寸。 MPS 高效、高性价比的产品组合为下一代后置摄像头供电设计提供了所需的一切。
-
APPLICATION
前置摄像头(汽车电池供电)应用前置摄像头是一种日益流行的摄像头子系统,用于高级驾驶辅助系统 (ADAS) 。越来越多的汽车将其作为标准配置提供,因此,无电池摄像头系统必须高度集成并提供快速数据处理,从而对车辆前方可能存在的危险进行准确、实时的监测,同时为车道保持和碰撞避免等集成系统提供辅助。在提高驾驶员安全性和便利性的同时,这些高级功能也增加了设计的复杂性,但仍需要符合 ISO26262 安全标准和 EMC 规范。 MPS高效紧凑的电源管理解决方案组合包括电源模块、PMIC、升压和降压变换器、升降压控制器、负载开关、监控电路、线性稳压器和终端稳压器。 这些汽车级部件可帮助您在不影响安全性的情况下简化系统设计并缩短上市时间。 MPS 可靠且可扩展的产品系列为下一代前置摄像头(汽车电池供电)供电设计提供了所需的一切。
-
APPLICATION
前置摄像头(同轴电缆供电)应用前置摄像头是一种日益流行的摄像头子系统,用于高级驾驶辅助系统 (ADAS) 。越来越多的汽车已配置或预期配置这种系统。这些摄像头系统必须高度集成并提供快速数据处理,从而对车辆前方可能存在的危险进行准确、实时的监测,同时为车道保持和碰撞避免等集成系统提供辅助。在提高驾驶员安全性和便利性的同时,这些高级功能也增加了设计的复杂性,但仍需要符合 ISO26262 安全标准和 EMC 规范。 MPS可靠而高效的电源管理解决方案组合包括电源模块、升压和降压变换器、PMIC、线性稳压器、负载开关和监控电路。这些汽车级部件可帮助您简化系统设计并缩小解决方案尺寸,同时仍将安全性放在首位。 MPS 紧凑且可扩展的产品系列为下一代前置摄像头(同轴电缆供电)设计提供了所需的一切。
-
APPLICATION
驾驶员监控系统应用驾驶员监控系统是汽车安全的最新技术之一。作为整体人机界面(HMI)的一部分,驾驶员监控系统可以跟踪生命体征参数和驾驶员的注意力,能在驾驶员无法操作车辆的情况下,为其提供帮助。当然,高级的新功能会增加设计的复杂性和工程设计的额外注意事项。但安全始终是头等大事,因此这些组件必须满足严格的EMI和温度要求,这样消费者和制造商才会对改善舒适性和便利性充满信心,还能最大程度地减少驾驶员分心。 我们的汽车级解决方案结合了高性能的电源模块,PMIC,降压变换器和线性稳压器。这些组件将顶级的灵活性和效率整合到一个小型封装中,大大节省了成本和电路板空间,缩短了上市时间。 MPS可靠、经济高效的电源管理解决方案可为您提供下一代驾驶员监控系统所需的一切。
-
APPLICATION
360°环视摄像头应用360°环视摄像头可以为驾驶员提供汽车的鸟瞰图,它通过会将影像显示在机舱头部的LCD显示器上,帮助消除驾驶员的盲点。其影像图出自布置在车辆周围的多个摄像头(通常至少四个)共同创建的合成图像。作为后视摄像头的下一代产品,360°环视摄像头系统正随着高级驾驶员辅助(ADAS)功能的兴起而日益普及,以提高消费者的安全性和便利性。这些环视摄像头系统具有高集成度和快速数据处理能力,以实现最先进的安全功能,例如车道偏离和碰撞警告,移动物体检测以及交通标志识别功能等。高级的新功能不仅需要符合ISO26262安全标准及EMI标准外,同时也增加了设计的复杂性和额外的注意事项。 我们卓越的电源管理解决方案组合包括降压和升压变换器,线性稳压器,终端调节器和降压开关。这些汽车级产品可满足严格的温度和EMI要求,同时可简化系统设计并最小化整体解决方案尺寸。 MPS 高度紧凑、高效的产品组合为您提供了市面上最...
-
APPLICATION
传感器融合域控制器应用感知传感系统是新型车辆中流行的高级驾驶辅助系统(ADAS)。随着雷达与摄像头、甚至激光雷达(LIDAR)系统的集成,感知传感系统也将更进一步发展。但是,每一种传感器都有其优势和局限性,而这正是传感器融合出现的契机。通过融合所有汽车感知系统的输入,驾驶员可以更好地获取信息,从而准确获知车辆周围的物体或潜在危险。但是,这些令人印象深刻的功能除了必须符合ISO26262安全标准和EMI要求之外,还意味更高的设计复杂性。 MPS可靠的汽车级电源管理解决方案组合包括电源模块、降压变换器和线性稳压器。这些器件均经过精心设计,以更小封装尺寸实现了更佳效率与性能,同时最大程度降低了EMI并确保符合安全性要求。制造商可以对自己设计的车辆充满信心,而消费者则可放心使用。 MPS可靠且可扩展的解决方案为下一代传感器融合供电设计提供了所需的一切。
-
APPLICATION
远程信息处理 (TELEMATICS/E-CALLS)应用远程信息处理和紧急呼叫系统可以监测车辆状况,并在发生碰撞事故时,帮助驾驶员或向紧急救援人员直接发出警报,从而提高车辆的安全性。这些嵌入式车载工具可以监测和诊断,并提供一系列功能诸如车辆追踪、道路救援通信和紧急呼叫通信等。但新功能将使设计更复杂,更具挑战性。像所有汽车部件一样,这些汽车级部件必须满足严格的EMI和温度要求,消费者和制造商都希望其设计在提高舒适性和便利性的同时,仍然保证安全,并最大程度地避免影响驾驶员。 MPS提供了广泛的电源管理解决方案组合,包括电源模块、降压和升压变换器、LDO和线性稳压器,以及D类音频放大器。这些高度可靠的产品可满足严格的温度和EMI要求,同时可简化系统设计并缩小整体解决方案尺寸。 MPS可靠、高效的解决方案可为下一代汽车远程信息处理和紧急呼叫设计提供所需的一切。
-
APPLICATION
77GHZ 雷达应用77GHz雷达在汽车高级驾驶辅助系统(ADAS)中迅速普及。感知系统是ADAS技术中不断增长的市场,随着新汽车将雷达与摄像头甚至LIDAR系统集成在一起,感知系统也将继续扩张。汽车成像雷达被用作感测车辆周围物体或潜在危险的附加方式。77GHz雷达改进了其24GHz的前身,通过提供更大带宽实现了更大范围的分辨率和精度;而且,由于更高的频率意味着应用中使用的传感器可以更小,77GHz雷达还实现了更小的解决方案尺寸。但是,这些令人印象深刻的功能也意味设计更加复杂,除了要符合ISO26262安全标准和EMI规范以外,还要做更多考虑。 MPS的汽车级组件提供顶级的产品组合,包括电源模块和降压/升压变换器。所有这些器件均经过专门设计,能够以最小封装尺寸提供最佳效率和性能。这些器件还可以最大程度地降低EMI,确保符合安全要求,令消费者和制造商对车辆充满信心。 MPS可靠且高性价比的解决方案可以为...
-
PRODUCT CATEGORY
LDO产品类目 -
PRODUCT CATEGORY
单通道产品类目 -
PRODUCT
MPQ20086-AEC1产品40V, 500mA, High-Accuracy, High-PSRR, Adjustable-Output Linear Regulator, AEC-Q100 Qualified
-
PRODUCT
MPQ20085-AEC1产品40V, 150mA, High-Accuracy LDO with Power Good Adjustment, AEC-Q100 Qualified
-
PRODUCT
MPQ20033-AEC1产品5.5V, 0.3A, High-Accuracy, Low-IQ LDO with Power Good, AEC-Q100 Qualified
-
PRODUCT
MPQ20032-AEC1产品5.5V, 0.5A, High-Accuracy, Low-IQ LDO with Power Good, AEC-Q100 Qualified
-
PRODUCT
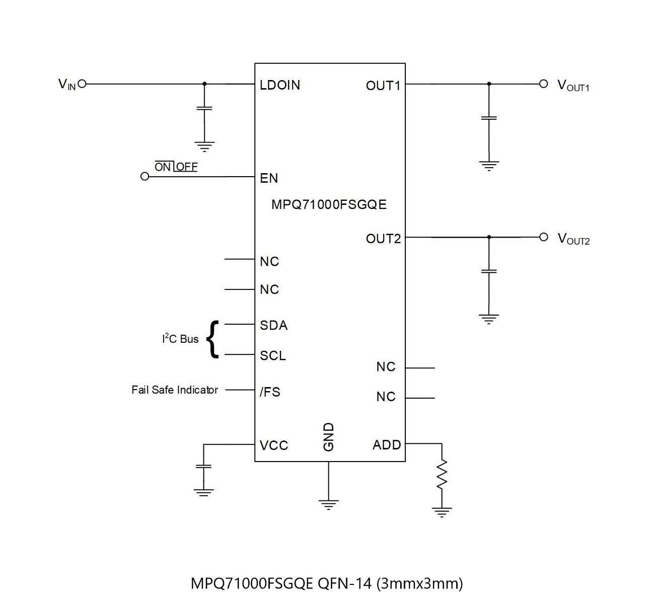
MPQ71000FS-AEC1产品MPSafeTM ASIL-D, 36V, 300mA, Dual LDO with ADC and I2C Interface, AEC-Q100 Qualified
-
PRODUCT
MPQ20083-AEC1产品40V, 150mA, High-Accuracy, High-PSRR LDO, AEC-Q100 Qualified
-
PRODUCT
MPQ2023-AEC1产品36V、300mA、双路 LDO,带 ADC 和 I2C 接口,符合 AEC-Q100 认证
-
PRODUCT
MPQ20084-AEC1产品40V、150mA、输出可调、高精度LDO,符合 AEC-Q100认证
-
PRODUCT
MPQ20031-AEC1产品5.5V、1A、高精度、低 IQ、LDO,带电源正常指示且符合 AEC-Q100 认证
-
ARTICLE
采用MPS 产品优化家居远程控制系统技术文章红外 (IR) 和远频 (RF) 家用遥控器被广泛应用于音响系统、电视、照明以及其他控制系统。这些系统现在变得越来越复杂,其中不乏语音控制、连接控制、LED 显示和电容式触控等先进功能。相应的遥控器也对可靠性、易用性和电池寿命等方面提出越来越高的要求。 MPS能够为整个家庭的遥控系统提供高性价比解决方案(见图 1),优化各种智能家居遥控功能。MPS解决方案中包含了电机驱动器、LED 背光驱动器、监控电路、AC/DC 变换器、电池充电器IC、降压变换器、升压变换器、LDO 和 PMIC(如图 1 中的蓝色模块)。本文将逐一介绍这些组件,以及如何利用它们来优化家用遥控器设计。 电机驱动器是用于控制电机速度、方向、扭矩及其他参数的电子设备。它充当了电机与微控制器 (MCU) 或其他控制系统之间的接口,是机器人、自动化、电动汽车和家用电器等众多应用中不可或缺的组件。 电机驱动...
立即购买
直接登录
创建新帐号