MPQ2284-AEC1
正在供货产品型号
MPQ2284GLE-xxxx-AEC1-Z MPQ2284GLE-xxxx-AEC1-P MPQ2284GLE-0000-AEC1-Z MPQ2284GLE-0000-AEC1-P
P&Z的含义 
相关产品
EVQ2284-L-00A 6V、8A、可配置、高频同步降压变换器评估板,符合 AEC-Q100 认证
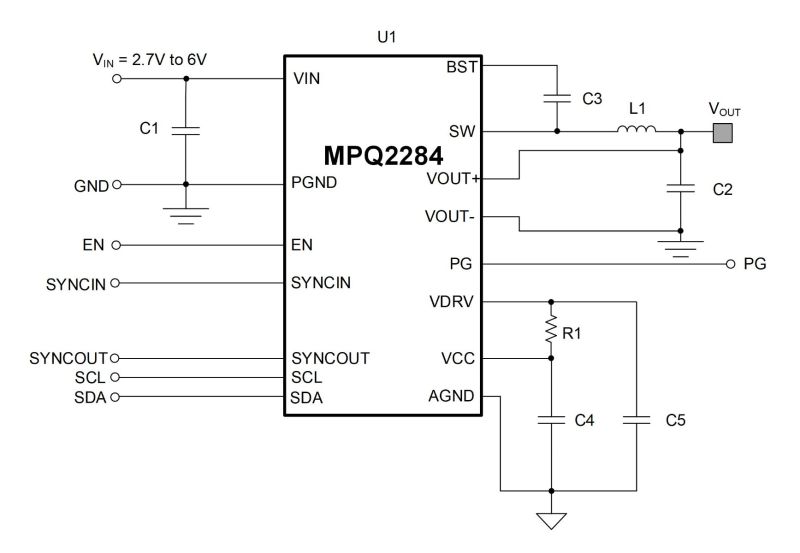
EVQ2284-L-00A是用于展示MPQ2284-AEC1功能的评估板。MPQ2284-AEC1 是一款可配置的高频同步降压变换器,它集成了内部上/下管功率 MOSFET(分别为 HS-FET 和 LS-FET)。
该器件工作在 2.7V 至 6V 的输入电压 (VIN) 范围内,可提供高达 8A 的高效率输出电流 (IOUT) 。它采用固定频率和MPS特有的零延迟脉宽调制 (PWM) (ZDPTM) 控制技术,能够实现极佳的瞬态响应。
MPQ2284-AEC1在强制连续导通模式 (FCCM) 期间具有2MHz 至 4MHz范围内的可配置开关频率 (fSW) ,可降低外部电感和电容需求。其内部反馈和补偿功能能够最大程度地减少外部元件数量并提高精度。
通过在轻载条件下降低 fSW,从而降低开关和栅极驱动损耗,该器件可实现宽负载范围内的高功率转换效率。
其全面的保护功能包括短路保护 (SCP)、过流保护 (OCP)、输入过压保护 (OVP)、输出OVP 和过温关断保护。这些保护功能实现了可靠的容错操作。
MPQ2284-AEC1还提供具有数据包错误校验 (PEC) 功能的数字接口,并集成多页一次性可编程 (OTP) 存储器,以实现高度可配置性。
EVQ2284-L-00A 为整装测试评估板。MPQ2284-AEC1 采用侧面镀锡的 QFN-18 (3mmx4mm) 封装,且符合 AEC-Q100 等级1 认证。
立即购买
直接登录
创建新帐号