- MPQ3445-AEC1
MPQ3445-AEC1
Session textval
Session Titefor popup
详情
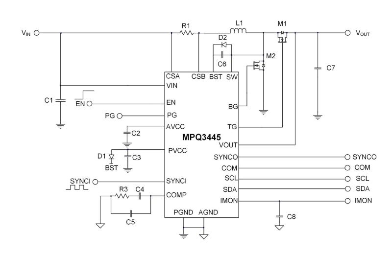
MPQ3445-AEC1 是一款具有宽输入电压 (VIN) 范围的高效率电流模式同步升压控制器。它可以用作预升压控制器,在汽车启动或通过备用电池启动期间维持汽车电池的输出电压 (VOUT)。该器件能够驱动 10V MOSFET,可大大提高效率并最大限度地降低功耗。
MPQ3445-AEC1 可以通过 I2C或 SPI 接口来配置一些关键参数,如开关频率 (fSW)、电流限制、轻载模式、频谱扩展 (FSS)、死区时间 (DT) 和斜率补偿等。fSW可在250kHz 至 2.5MHz范围内调整,或直接同步至外部源。
当 VOUT 高于预设的旁路阈值但低于VIN 时,MPQ3445-AEC1 可在低静态电流 (IQ) 旁路模式下运行;当 VOUT 降至唤醒阈值以下时,器件将退出旁路模式恢复正常运行,上管 MOSFET (HS-FET) 和下管MOSFET (LS-FET) 正常切换以调节输出。此外,MPQ3445-AEC1 还提供欠压锁定 (UVLO)保护、电流限制和过温关断保护。
MPQ3445-AEC1 采用 QFN-21(5mmx5mm)封装,并符合 AEC-Q100 认证。
- 
            显示更多
            显示较少
              
产品特性和优势
- 专为汽车应用而设计:
- 支持 2.9V 冷启动
- 支持 42V 负载突降
- -40°C 至 +150°C 工作结温 (TJ)范围
- 符合 AEC-Q100 等级1认证
 
- 电池寿命长:
- 40μA 旁路模式静态电流 (IQ)
- 自动唤醒和旁路模式转换
- 10V 栅极驱动能力
 
- 可通过 I2C或 SPI 接口配置关键参数:
- 开关频率 (fSW)
- 斜率补偿
- 电流限制参考
- 轻载模式选择
- 用于超轻负载的跳频调制 (PSM)
- 旁路模式阈值和滞后
- SYNCIN 相位和频率分割
- 同步或非同步操作
- 频谱扩展 (FSS)
 
- 其他功能:
- fSW可同步至外部 250kHz 至 2.5MHz 时钟
- 时钟同步输出
- 过温警告和过温关断
- 多相能力
- 升压状态指示器
- 采用 QFN-21 (5mmx5mm) 封装
- 采用侧面镀锡封装
 
- 功能安全系统设计功能:
- 兼容MPSafeTM – 提供功能安全支持文档
 
 
        正在供货产品型号
MPQ3445GUE-xxxx-AEC1-Z MPQ3445GUE-xxxx-AEC1-P MPQ3445GUE-0000-AEC1-Z MPQ3445GUE-0000-AEC1-P
以 P 和 Z 结尾的零件编号是相同的零件。P 和 Z 仅表示卷筒尺寸
 P&Z的含义 
MPQ3445-AEC1 Resources
- 
            
                APPLICATION
 低功率内外部汽车照明应用随着汽车 LED 驱动器取代传统车灯,低功率外部和内部照明系统的运行变得越来越先进。外部照明包括转向灯、侧标志、后组合灯 (RCL) 和雾灯。内部照明包括按钮背光、仪表盘以及顶灯和环境灯。虽然改进的外部和内部照明的低功耗操作可实现更好的道路安全、高效率和耐用的基本照明,但这些系统还需要复杂的稳压器和微控制器。它们还必须具有可扩展性,并且能够集成移动、可见性和可变强度的高级功能。与所有汽车应用一样,所有照明系统还必须满足严格的热要求、ISO26262 安全标准和 EMC 法规。 我们广泛的电源管理解决方案组合包括 LED 驱动器、电源模块、降压和升压变换器以及 USB 充电端口。这些部件旨在确保在符合温度和 EMI 标准的基础上,以最小的封装尺寸获得最佳性能和可扩展性。 MPS 的高效、紧凑型解决方案提供了为下一代低功率外部和内部照明系统设计供电所需的一切。 
- 
            
                APPLICATION
 头灯应用汽车头灯一直都是车辆最重要的功能安全特性之一。与此同时,大多数新车型都将 LED 头灯作为一项新功能来宣传,LED 头灯可以提供更高的亮度、更佳的效率和更长的使用寿命。当然,与任何汽车应用一样,头灯设计必须满足严格的散热要求、ISO26262 安全标准和 EMC 规范。 MPS 提供了大量符合 AEC-Q100 标准的产品组合。我们高效、灵活的电源管理照明解决方案包括升压变换器以及降压、升压、升降压 LED 驱动器。这些汽车级部件可在提供一流安全性与性能的同时,加快产品上市时间。 MPS 可靠且经济高效的产品系列为下一代汽车头灯供电设计提供了所需的一切。 
- 
            
                APPLICATION
 全LED灯应用汽车 LED 照明系统由前灯、车内灯、尾灯、小灯、LED 像素灯控制器和 DC/DC LED 驱动器组成。随着集成灵活控制、动画和能源效率的越来越动态和准确的 LED 照明功能,包括供应、控制、传感、驱动和通信在内的关键功能也变得越来越复杂。这些高级功能需要可靠地控制 LED 电流和单个 LED,以及跨功率级、通信接口和微控制器的可扩展前灯系统。现代 LED 照明系统还包括滞后控制、热关断和电流过载保护等保护措施,并需要符合 ISO26262 安全标准和 EMC 法规。 我们出色的汽车级零件目录包括 LED 驱动器、电源模块、降压和升压变换器以及 USB 充电端口。除了满足严格的温度和 EMI 要求外,这些组件还以紧凑的封装尺寸提供高效率和可扩展性。 MPS 灵活、可靠的产品目录为您提供支持下一代 LED 照明系统设计所需的一切。 
- 
            
                APPLICATION
 显示(导航、抬头显示、仪表盘)应用汽车显示—包括中央显示器、平视显示器 (HUD) 和仪表盘—向驾驶员显示关键信息和交互式内容。中央信息显示器连接到主机,并提供导航和其他车内信息娱乐控制。汽车 HUD 和仪表仪表盘为驾驶员提供易于访问的信息。HUD 还可以在视线高度上从集群显示器中投射出关键指标,例如速度、温度和燃料用量。除了满足严格的散热要求、ISO26262 安全标准和 EMC 法规之外,这些高级显示器还要求高效率、易于集成和可扩展性的电源解决方案。 我们典型的电源管理解决方案组合包括降压和升压变换器、电源模块、低压差 (LDO) 稳压器、线性稳压器、USB 充电端口、负载开关、PMIC、背光 (WLED) 驱动器、直流有刷驱动和螺线管驱动器和直流无刷预驱动器。这些汽车级部件可实现高质量的显示,同时还满足重要的安全标准。 MPS 高效、可扩展的产品组合为您提供支持下一代汽车显示设计所需的一切。 
- 
            
                APPLICATION
 抬头显示(中端)应用汽车抬头显示设计已经从传统的硬件接口演变为提供各种车内功能的复杂信息娱乐系统。这些功能包括导航、无线连接、乘客娱乐、手势识别和语音控制。随着消费者对信息娱乐功能的期望不断提高,制造商面临着设计挑战,例如减少驾驶员分心、防止互联环境中的网络安全威胁以及满足充电和数据传输需求。除了符合 ISO26262 安全标准和 EMI 抑制之外,中档主机还提供具有成本效益的简化技术,以增强中央接口的功能和性能。 我们出色的汽车级部件产品组合包括低压差 (LDO) 稳压器、降压和升压变换器、电源模块、负载开关、模拟开关和 PMIC。这些部件满足温度和 EMI 要求,同时还有效地最大限度地减小了总解决方案尺寸。 MPS 可靠、经济高效的电源管理解决方案为您提供为下一代中端抬头显示设计供电所需的一切。 
- 
            
                APPLICATION
 抬头显示(高端)应用汽车抬头显示设计已经从传统的硬件接口演变为提供各种车内功能的复杂信息娱乐系统。这些功能包括导航、无线连接、乘客娱乐、手势识别和语音控制。随着消费者对信息娱乐功能的期望不断提高,制造商面临着设计挑战,例如减少驾驶员分心、防止互联环境中的网络安全威胁以及满足充电和数据传输需求。除了符合 ISO26262 安全标准和 EMI 抑制要求外,高端主机单元还提供强大的尖端技术,以实现直观、无缝的驾驶体验。 我们广泛的电源管理解决方案目录包括降压和升压变换器、电源模块、低压差 (LDO) 稳压器、降压转换器、负载开关、模拟开关和 PMIC。这些组件旨在确保以最小的封装尺寸实现最佳性能,同时满足温度和 EMI 安全要求。 MPS 优质、高效的产品目录为您提供支持下一代高端抬头显示设计所需的一切。 
- 
            
                APPLICATION
 后置摄像头(同轴电缆供电)应用后置摄像头是高级驾驶辅助系统 (ADAS) 中最常见的摄像头子系统。越来越多的汽车将其作为标准配置提供。要实现对车辆后方可能存在的危险进行精确、实时的监控,并将信息直接传送到通常位于驾驶舱头部的 LCD 显示器,后置摄像头子系统必须具有高集成度和快速的数据处理速度。为了实现消费者更高的安全性与便利性,这些高级安全功能需要满足 ISO26262 安全标准和 EMI 缓解措施之外,也增加了工程师的设计复杂度与额外的考量因素。 MPS 可靠且可扩展的电源管理解决方案组合包括电源模块、降压变换器和线性稳压器。这些汽车级器件可满足严格的温度与 EMI 要求,同时还能简化系统设计并最大限度地减小整体解决方案尺寸。 MPS 高效、高性价比的产品组合为下一代后置摄像头供电设计提供了所需的一切。 
- 
            
                APPLICATION
 前置摄像头(汽车电池供电)应用前置摄像头是一种日益流行的摄像头子系统,用于高级驾驶辅助系统 (ADAS) 。越来越多的汽车将其作为标准配置提供,因此,无电池摄像头系统必须高度集成并提供快速数据处理,从而对车辆前方可能存在的危险进行准确、实时的监测,同时为车道保持和碰撞避免等集成系统提供辅助。在提高驾驶员安全性和便利性的同时,这些高级功能也增加了设计的复杂性,但仍需要符合 ISO26262 安全标准和 EMC 规范。 MPS高效紧凑的电源管理解决方案组合包括电源模块、PMIC、升压和降压变换器、升降压控制器、负载开关、监控电路、线性稳压器和终端稳压器。 这些汽车级部件可帮助您在不影响安全性的情况下简化系统设计并缩短上市时间。 MPS 可靠且可扩展的产品系列为下一代前置摄像头(汽车电池供电)供电设计提供了所需的一切。 
- 
            
                APPLICATION
 驾驶员监控系统应用驾驶员监控系统是汽车安全的最新技术之一。作为整体人机界面(HMI)的一部分,驾驶员监控系统可以跟踪生命体征参数和驾驶员的注意力,能在驾驶员无法操作车辆的情况下,为其提供帮助。当然,高级的新功能会增加设计的复杂性和工程设计的额外注意事项。但安全始终是头等大事,因此这些组件必须满足严格的EMI和温度要求,这样消费者和制造商才会对改善舒适性和便利性充满信心,还能最大程度地减少驾驶员分心。 我们的汽车级解决方案结合了高性能的电源模块,PMIC,降压变换器和线性稳压器。这些组件将顶级的灵活性和效率整合到一个小型封装中,大大节省了成本和电路板空间,缩短了上市时间。 MPS可靠、经济高效的电源管理解决方案可为您提供下一代驾驶员监控系统所需的一切。 
- 
            
                PRODUCT CATEGORY
 升压 (BOOST) 变换器和控制器产品类目
- 
            
                PRODUCT  
 MPQ3414C-AEC1产品1.5A、2.2MHz、5V VOUT、52μA IQ、同步升压变换器,带输出断连功能并符合 AEC-Q100 认证 
- 
            
                PRODUCT  
 MPQ3446-AEC1产品55V 、宽输入、电流模式、同步升压控制器,符合 AEC-Q100认证 
- 
            
                PRODUCT  
 MPQ3438-AEC1产品2A、10V、高效率、全集成、同步升压变换器,符合 AEC-Q100 认证 
- 
            
                PRODUCT  
 MPQ3432-AEC1产品具有可调电流限制的 21A、高效率、全集成、同步升压变换器,符合 AEC-Q100 认证 
- 
            
                PRODUCT  
 MPQ3431C-AEC1产品具有可调峰值开关电流限的 21A、高效率、全集成、同步升压变换器,符合 AEC-Q100 认证 
- 
            
                PRODUCT  
 MPQ3413-AEC1产品1.5A、2.2MHz、5V Vout、52μA IQ、同步升压变换器,带输出断连功能并符合AEC-Q100认证 
- 
            
                PRODUCT  
 MPQ3414B-AEC1产品1.5A、2.2MHz、5V Vout、52μA IQ、同步升压变换器,带输出断连功能并符合AEC-Q100认证 
- 
            
                PRODUCT  
 MPQ3452-AEC1产品具有可配置开关频率的 22V、3A Boost 升压变换器,符合 AEC-Q100 认证 
- 
            
                PRODUCT  
 MPQ8875A-AEC1产品带 I2C 接口的 36V/5A 4 开关同步升降压变换器,符合 AEC-Q100 认证 
- 
            
                PRODUCT  
 MPQ3431A-AEC1产品具有可配置输入电流限制功能的 21A 高效率全集成同步升压变换器,符合 AEC-Q100 认证 
- 
            
                PRODUCT  
 MPQ3910A-AEC1产品具有可配置频率、软启动和轻载工作模式的 35V 升压 PWM 控制器,符合 AEC-Q100 认证 
- 
            
                PRODUCT  
 MPQ3410-AEC1产品1.3A、550kHz 同步整流升压变换器,符合 AEC-Q100 认证 
- 
            
                PRODUCT  
 MPQ1530-AEC1产品适用于 TFT 偏置的三路输出升压线性调节器,符合 AEC-Q100 认证 
- 
            
                ARTICLE  
 维持汽车启动条件的设计考量技术文章使用 12V 电池系统的现代汽车会受很多瞬态条件的影响。其中部分瞬态涉及高压脉冲,而另一些则涉及低压条件。启动瞬态是汽车引擎发动时产生的低压状况,期间,汽车电池电压会在短时间内下降至低于正常工作范围好几伏。 保持车辆在各种启动条件下也正常运行的要求在近几年中越来越严格,随之而来的,是对更强大的电源解决方案的迫切需求。根据启动波形来设计,再加上负载必须由特定电源轨供电,要设计满足这些要求的系统,设计人员压力不小。本文将介绍一款功能强大的 DC/DC变换器,它可以承受各种汽车启动瞬态。 设计 12V 汽车系统必须考虑极端启动条件(见图 1)。ISO 16750-2、ISO 7637-2 和Test Pulse 4 等标准定义了许多车辆启动曲线,包括冷启动条件、热启动条件以及类似波形相关的启动曲线。 图 2 显示了冷启动波形的示例,其启动曲线由 ISO 标准定义。 ... 
- 
            
                REFERENCE DESIGN  
 MPQ3910A参考设计-用于激光雷达应用中APD的高压升压变换器参考设计.article-page .article-sub> 自动驾驶汽车近年来一直是个热门话题,而且它正逐渐变为现实。为了实现更加高度的自主性,新型车辆将各种环境检测方法组合在一起,例如摄像头、雷达和激光雷达(LiDAR)。 激光雷达是一种类似于雷达的测距设备,只是用光波代替了RF波。它通过激光二极管发出光脉冲,用雪崩光电二极管(APD)感应物体的反射,以确定飞行时间,进而确定与反射物体之间的距离。 激光雷达系统需要通过高压电源来偏置APD传感器,根据这种光电二极管的尺寸不同,可能需要高达300V的电压,这对电源设计是个极大的挑战。电源必须具备成本效益,且通过汽车行业的EMC法规。 本参考设计采用MPQ3910A来控制工作于非连续导通模式(DCM)的升压变换器。它允许采用经济的小型组件,并克服了超高占空比带来的限制。通过电荷泵,电压被有效加倍升压,实... 
 
    
 
     
                   
                   
                   
                   
                                     
                                             
                                             
                                             
         
                 
             
                 
                
直接登录
创建新帐号