- 产品
- 汽车(车规级)
- 开关变换器和控制器(车规级)
- MPQ3452-AEC1
MPQ3452-AEC1
Session textval
Session Titefor popup
详情
MPQ3452 是一款带 3.5A、90mΩ 内部 MOSFET 的电流控制模式升压变换器,可实现快速瞬态响应。该器件具有 3.1V 至 22V 输入电压(VIN) 范围,可产生高达 22V 的输出电压(VOUT)。
MPQ3452 的可配置开关频率(fSW)高达 2MHz,方便滤波和低噪声设计。通过外部补偿功能,可使用小尺寸低 ESR 陶瓷输出电容灵活地设置环路动态性能。软启动(SS)功能提供小的浪涌电流,并可以通过外部电容来配置。全方位保护功能包括欠压锁定保护(UVLO)、限流保护和过温关断保护。
MPQ3452 采用带散热焊盘的薄款 QFN-14(3mmx4mm)封装。
-
显示更多
显示较少
产品特性和优势
- 3.1V 至 22V 宽输入电压(VIN) 范围
- 3.5A、90mΩ 内部功率 MOSFET
- 使用小型电容和电感
- 高达 22V 的输出电压(VOUT)
- 300kHz 至 2MHz 可配置开关频率(fSW)
- 可配置的欠压锁定保护(UVLO)、软启动(SS)和欠压锁定保护迟滞
- 微功耗关断 <1μA
- 过温关断保护
- 采用 QFN-14(3mmx4mm)封装
- 符合 AEC-Q100 等级 1 认证
正在供货产品型号
MPQ3452DL-AEC1-LF-Z MPQ3452DL-AEC1-LF-P
以 P 和 Z 结尾的零件编号是相同的零件。P 和 Z 仅表示卷筒尺寸
P&Z的含义 
MPQ3452-AEC1 Resources
-
PRODUCT CATEGORY
升压 (BOOST) 变换器和控制器产品类目 -
PRODUCT
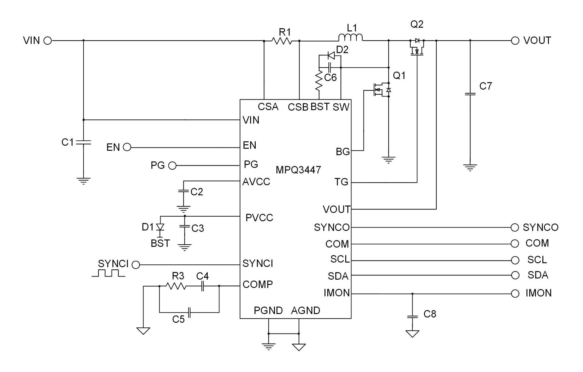
MPQ3447-AEC1产品80V Wide-Input, Current-Mode, Synchronous Boost Controller, AEC-Q100 Qualified
-
PRODUCT
MPQ3445-AEC1产品具有低 IQ 旁路模式的宽输入范围、同步升压控制器,符合 AEC-Q100 认证
-
PRODUCT
MPQ3414C-AEC1产品1.5A、2.2MHz、5V VOUT、52μA IQ、同步升压变换器,带输出断连功能并符合 AEC-Q100 认证
-
PRODUCT
MPQ3446-AEC1产品55V 、宽输入、电流模式、同步升压控制器,符合 AEC-Q100认证
-
PRODUCT
MPQ3438-AEC1产品2A、10V、高效率、全集成、同步升压变换器,符合 AEC-Q100 认证
-
PRODUCT
MPQ3431C-AEC1产品具有可调峰值开关电流限的 21A、高效率、全集成、同步升压变换器,符合 AEC-Q100 认证
-
PRODUCT
MPQ3432-AEC1产品具有可调电流限制的 21A、高效率、全集成、同步升压变换器,符合 AEC-Q100 认证
-
PRODUCT
MPQ3413-AEC1产品1.5A、2.2MHz、5V Vout、52μA IQ、同步升压变换器,带输出断连功能并符合AEC-Q100认证
-
PRODUCT
MPQ3414B-AEC1产品1.5A、2.2MHz、5V Vout、52μA IQ、同步升压变换器,带输出断连功能并符合AEC-Q100认证
-
PRODUCT
MPQ3431A-AEC1产品具有可配置输入电流限制功能的 21A 高效率全集成同步升压变换器,符合 AEC-Q100 认证
-
PRODUCT
MPQ8875A-AEC1产品带 I2C 接口的 36V/5A 4 开关同步升降压变换器,符合 AEC-Q100 认证
-
PRODUCT
MPQ3910A-AEC1产品具有可配置频率、软启动和轻载工作模式的 35V 升压 PWM 控制器,符合 AEC-Q100 认证
-
PRODUCT
MPQ3410-AEC1产品1.3A、550kHz 同步整流升压变换器,符合 AEC-Q100 认证
-
PRODUCT
MPQ1530-AEC1产品适用于 TFT 偏置的三路输出升压线性调节器,符合 AEC-Q100 认证
-
PRODUCT
MPQ3445GUE-0000-AEC1-Z产品具有低 IQ 旁路模式的宽输入范围、同步升压控制器,符合 AEC-Q100 认证
-
ARTICLE
维持汽车启动条件的设计考量技术文章使用 12V 电池系统的现代汽车会受很多瞬态条件的影响。其中部分瞬态涉及高压脉冲,而另一些则涉及低压条件。启动瞬态是汽车引擎发动时产生的低压状况,期间,汽车电池电压会在短时间内下降至低于正常工作范围好几伏。 保持车辆在各种启动条件下也正常运行的要求在近几年中越来越严格,随之而来的,是对更强大的电源解决方案的迫切需求。根据启动波形来设计,再加上负载必须由特定电源轨供电,要设计满足这些要求的系统,设计人员压力不小。本文将介绍一款功能强大的 DC/DC变换器,它可以承受各种汽车启动瞬态。 设计 12V 汽车系统必须考虑极端启动条件(见图 1)。ISO 16750-2、ISO 7637-2 和Test Pulse 4 等标准定义了许多车辆启动曲线,包括冷启动条件、热启动条件以及类似波形相关的启动曲线。 图 2 显示了冷启动波形的示例,其启动曲线由 ISO 标准定义。 ...
-
REFERENCE DESIGN
MPQ3910A参考设计-用于激光雷达应用中APD的高压升压变换器参考设计.article-page .article-sub> 自动驾驶汽车近年来一直是个热门话题,而且它正逐渐变为现实。为了实现更加高度的自主性,新型车辆将各种环境检测方法组合在一起,例如摄像头、雷达和激光雷达(LiDAR)。 激光雷达是一种类似于雷达的测距设备,只是用光波代替了RF波。它通过激光二极管发出光脉冲,用雪崩光电二极管(APD)感应物体的反射,以确定飞行时间,进而确定与反射物体之间的距离。 激光雷达系统需要通过高压电源来偏置APD传感器,根据这种光电二极管的尺寸不同,可能需要高达300V的电压,这对电源设计是个极大的挑战。电源必须具备成本效益,且通过汽车行业的EMC法规。 本参考设计采用MPQ3910A来控制工作于非连续导通模式(DCM)的升压变换器。它允许采用经济的小型组件,并克服了超高占空比带来的限制。通过电荷泵,电压被有效加倍升压,实...
-
PRODUCT
MPQ3428A-AEC1产品同步升压(Boost)变换器,输入电流限19A,输入电压高达20V,开关频率600kHz,带/具有输入输出断连保护功能,符合 AEC-Q100 认证
-
PRODUCT
MPQ3425-AEC1产品具有可编程开关频率的汽车级 3A、50V 升压变换器
-
PRODUCT
MPQ3426-AEC1产品6A, 35V升压变换器
立即购买
直接登录
创建新帐号