- 产品
- 电源管理
- 多相控制器&Intelli-Phase
- 处理器核心电源控制器
- MP2891
MP2891
Session textval
Session Titefor popup
详情
MP2891 是一款双电源轨、数字、多相控制器,能为 PWMVID 核心功率供电。MP2891 可与 MPS 的 Intelli-PhaseTM 产品配合使用,以更少的外部组件实现多相稳压器 (VR) 解决方案。MP2891 可以配置为电源轨 1 最多 16 相,电源轨 2 最多 8 相。
MP2891 具备器件配置数据的存储与恢复功能。无论是配置数据,还是监测故障参数,都能轻松完成。通过检测 Intelli-PhaseTM 器件的电流采样输出,MP2891 还能监测并报告输出电流 (IOUT)。
MP2891 采用独特的数字多相非线性控制,以最小输出电容实现对负载瞬态的快速响应。它将同一种功率环路控制方法同时应用于稳态和负载瞬态,因此功率环路补偿的配置更加简单。
MP2891 采用 QFN-56 (7mmx7mm) 封装。
-
显示更多
显示较少
产品特性和优势
- 多达 16 相、2 路输出的数字控制器
- PWM-VID 接口兼容 Open VReg 规范 (OVR4i+)
- 配置数据存储
- 200kHz 至 3MHz 开关频率 (fSW)
- 自动环路补偿
- 耦合电感模式
- 支持 6 种不同应用的多重配置
- 2 个电源轨的灵活脉宽调制 (PWM) 分配
- 自动移相 (APS) 以提高整体效率
- 具有可配置偏移的相间有源电流平衡,用于实现热平衡
- 输入电压 (VIN)、输出电压 (VOUT)、电流和功率监测
- VIN 欠压锁定 (UVLO) 保护、输出过压保护 (OVP) 和欠压保护 (UVP)、过流保护 (OCP) 和过温保护 (OTP),提供无动作、闭锁或打嗝模式选项
- Intelli-PhaseTM 故障诊断
- 数字 Load-Line 调节
- 通过向 VOUT 添加偏移来实现超频模式
- 采用 QFN-56 (7mmx7mm) 封装
正在供货产品型号
MP2891GQN-xxxx-Z MP2891GQN-xxxx-P
以 P 和 Z 结尾的零件编号是相同的零件。P 和 Z 仅表示卷筒尺寸
P&Z的含义 
MP2891 Resources
-
VIDEO
MPS电源小课堂:多相电源-这就是电源界的“动车组列车”视频多相电源由一个多相电源控制器和多个功率半桥构成,为输出端芯片提供高质量的电能。它就像是我们今天经常乘坐的动车组列车,每一个功率半桥都是一个“动力车厢”,而多相电源控制器则是火车的“控制系统”,控制着整个列车的方向和速度,同时也保障各个“动力车厢”的协同运行。 更多精彩电源小课堂视频,敬请期待---> 联系我们 多相控制器&Intelli-Phase|芯源系统|MPS 处理器核心电源控制器| 多相控制器&Intelli-Phase|MPS|芯源系统 MP2891:面向业界领先GPU产品的双路输出、数字、16 相控制器,带有 PWM-VID 接口 MP86956:集成 HS-FET/LS-FET 和驱动器的Intelli-PhaseTM 解决方案,采用 LGA 和 TLGA (5mmx6mm) 封装 如何为多相电源系统设计热平衡...
-
VIDEO
MPS电源小课堂:COT控制方式如何保证多相电路均流视频均流对于多相供电系统来说至关重要,它不仅关系到系统的稳定性和可靠性,还直接影响到电源模块的寿命和效率。本视频给大家介绍一下通过COT控制方式如何来保证多相电路均流。 更多精彩电源小课堂视频,敬请期待---> 联系我们 多相控制器&Intelli-Phase|芯源系统|MPS 处理器核心电源控制器| 多相控制器&Intelli-Phase|MPS|芯源系统 MP2891:面向 NVIDIA 产品的双路输出、数字、16 相控制器,带有 PWM-VID 接口 MP86956:集成 HS-FET/LS-FET 和驱动器的Intelli-PhaseTM 解决方案,采用 LGA 和 TLGA (5mmx6mm) 封装 恒定导通时间(COT)控制的过去与现在 DC/DC 变换器中恒定导通时间控制(COT)的优势 文章:使用数字多相控制...
-
USE CASE
INTELLI-MODULE 用例:OAM 形态AI 处理器应用案例本用例将介绍MPC22167-130符合开放加速器模块 (OAM) 外形规格的 AI 处理器应用(见图 1)。 多个 MPC22167-130 器件可与第一级电源模块配合使用,以支持端到端的电源解决方案,同时满足开放加速器模块形态AI 处理器的高功率要求。 超级计算机被越来越多地应用于自动驾驶、自动化客服操作以及预测性维护等新应用,应用方法也越来越复杂。为了应对这种局面,人们对AI计算的兴趣日趋高涨。这些新应用对超级计算机的功率要求越来越高,而随着 CPU 和 GPU 电流需求的不断增加,留给设计人员在电路板上安装多相稳压器 (VR)的空间不断被压缩。 两相降压电源模块MPC22167-130是MPS Intelli-ModuleTM系列的最新产品。该器件将 DrMOS、电感和其他无源元件集成到单个封装中,不仅占位面积小,功率密度还提高了2.5 倍。而且,它允许将 VR ...
-
VIDEO
MPS电源小课堂:浅析MPS DRMOS 如何与MULTI-PHASE CONTROLLER交互电流信息视频MPS的DrMOS和多相控制器之间如何交互电流,与DCR检测控制相比,它有哪些优势所在? 更多精彩电源小课堂视频,敬请期待---> 联系我们 多相控制器&Intelli-Phase|芯源系统|MPS 处理器核心电源控制器| 多相控制器&Intelli-Phase|MPS|芯源系统 MP2891:面向 NVIDIA 产品的双路输出、数字、16 相控制器,带有 PWM-VID 接口 MP86956:集成 HS-FET/LS-FET 和驱动器的Intelli-PhaseTM 解决方案,采用 LGA 和 TLGA (5mmx6mm) 封装 如何为多相电源系统设计热平衡均流系统 Intelli-PhaseTM 解决方案用例:中央计算机 文章:使用数字多相控制器为数据中心提供支持 MPS电源小课堂:COT控制方...
-
ARTICLE
下一代 GPU 的预测瞬态仿真分析技术文章图形处理单元 (GPU) 不断迭代更新,其中的晶体管数目也不断增加以提高处理器性能。如今这个数目已达到数百亿的级别,与此同时,功率需求也相应呈指数级增长,这让满足瞬态响应规范变得极为困难。 本文将演示如何利用 SIMPLIS Technologies 的 SIMPLIS 模拟器来预测并优化下一代 GPU的电源行为。因具有更高斜率要求和超过 1000A 的电流水平,下一代 GPU需要更快的瞬态响应。 在多相降压变换器的恒定导通时间 (COT) 架构中,高速比较器代替了补偿网络中的误差放大器 (EA)。在这种架构中,输出电压(VOUT)通过反馈电阻进行采样,再与参考电压(VREF)进行比较。如果 VOUT 降至 VREF 以下,则上管 MOSFET (HS-FET) 导通。由于MOSFET 的导通时间是固定的,因此变换器可以在稳态下实现恒定频率。如果存在负载阶跃瞬变,变换器还可以大幅提...
-
APPLICATION
5G 电源解决方案应用 -
APPLICATION
NIC 电源解决方案应用 -
APPLICATION
MPS电子开关解决方案应用 -
PRODUCT CATEGORY
控制器产品类目 -
APPLICATION
服务器(DDR5电源)应用DDR5 SDRAM(同步动态随机存取内存)是最新一代的 DDR 内存。它是 DDR4 的后代产品,在速度、容量和能效方面都有显著的改进。DDR5 内存模块专为个人计算机、工作站和服务器而设计。DDR5 内存模块的主要优点包括: 速度更快:DDR5 内存模块的运行速度可达 8400MT/s,而 DDR4 仅为 3200MT/s。对游戏、视频编辑和 3D 渲染等任务来说,这无疑可显著改善性能。 容量更大:DDR5 内存模块的容量高达 128GB,而 DDR4 仅为 16GB。因此它能够提供更大的数据存储量,并能够同时运行高要求的应用。 功耗更低:DDR5 内存模块的运行电压 (1.1V) 低于 DDR4 内存模块 (1.2V)。低电压运行有助于降低计算机功耗并节省电费。 纠错能力更强:DDR5 内存模块具有片上 ECC(纠错码)功能,有助于防止数据损坏。 MPS...
-
APPLICATION
服务器(核供电)数据中心解决方案应用云计算、人工智能(AI)、机器学习以及其他一些革命性技术正在整个行业中扩展开来,并已融入了消费者的日常生活中。然而,要满足这些技术不断增长的数据和处理需求,服务器和数据中心需要具备前所未有的速度。在不降低效率或可靠性的前提下,不断缩小的占板空间内需要容纳史无前例的高功率密度。核心电压轨必须能够提供卓越的速度、保护功能和灵活性,以跟上不断增长的需求。 MPS多样化的解决方案在保证效率的同时,能保持较低的整体系统成本。其散热管理专为高密度、高耗电的服务器而设计,能够节约能源并优化输出。MPS专有的Intelli-PhaseTM技术可保持并提高每个新设计的性能。这些可扩展的解决方案还提供了热插拔功能和先进的FET技术,可帮助简化设计,实现节省空间的封装。MPS创新的产品实现了强大的功能、速度与效率,可充分满足您的服务器设计需求。
-
PRODUCT CATEGORY
处理器核心电源控制器产品类目 -
PRODUCT
MP2985B产品双环路、数字式、8 相控制器,支持灵活 PWM 相位触发顺序及 PMBus 接口,适用于 VR14 及更早协议平台
-
PRODUCT
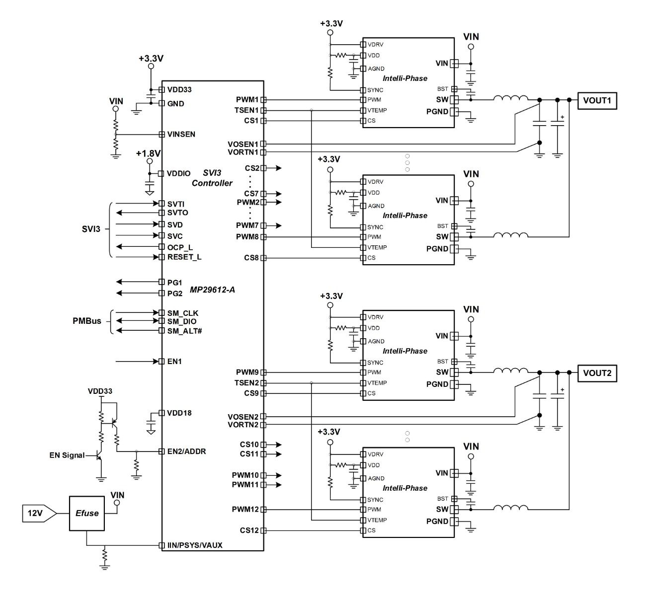
MP29612-A产品支持SVI3接口的双路数字12相控制器
-
PRODUCT
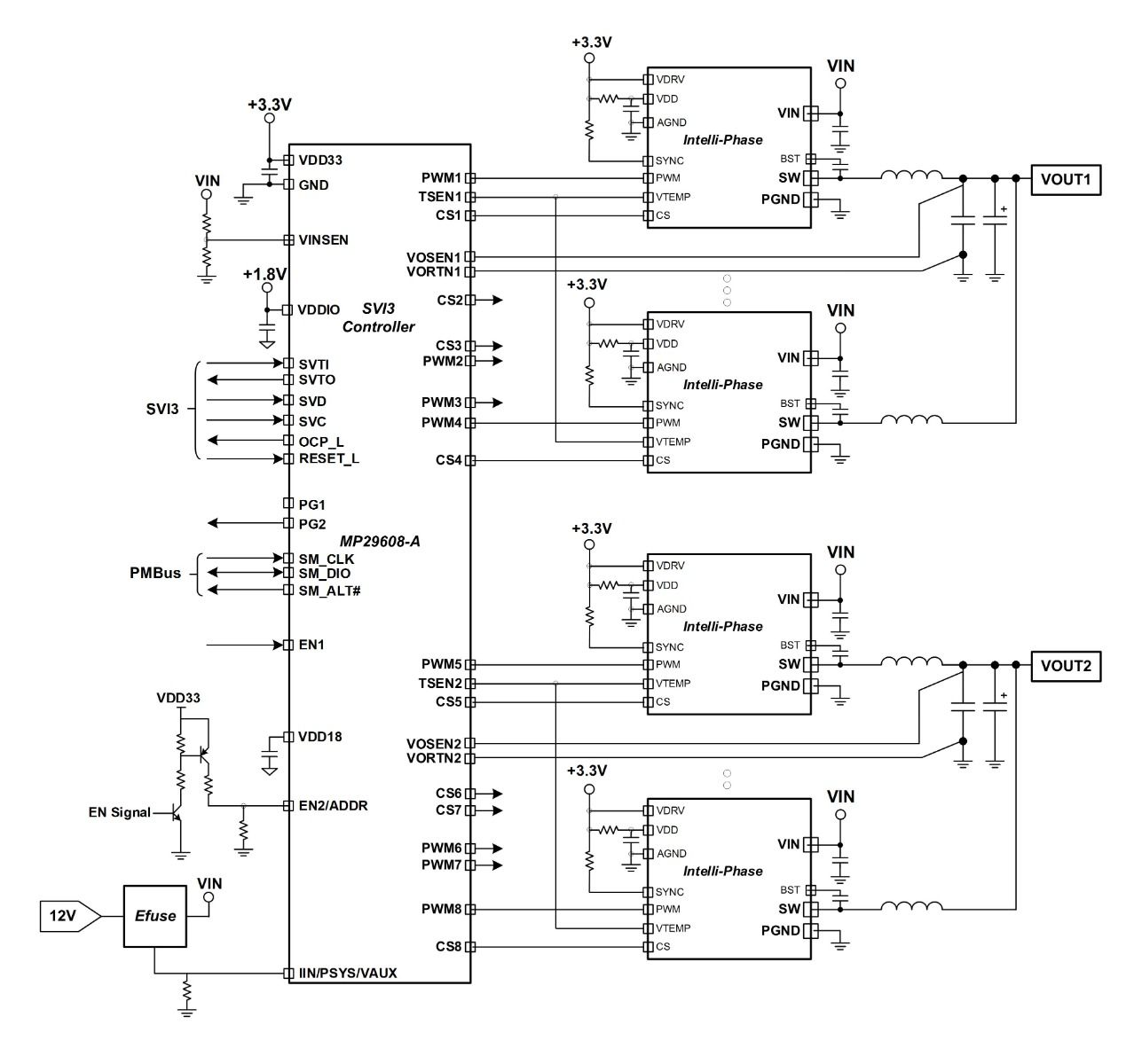
MP29608-A产品支持SVI3接口的双路数字8相控制器
-
PRODUCT
MPQ2931-AEC1产品带 PMBus/I2C 接口的数字LLC 控制器,符合 AEC-Q100 认证
-
PRODUCT
MP29540产品数字多相控制器
-
PRODUCT
MP29816-C产品双环路、数字式、16 相控制器,带 PMBus 和 AVSBus 接口
-
PRODUCT
MP2869A产品用于AMD的双环路数字 16 相控制器,带SVI3接口
-
PRODUCT
MP2927产品三路输出数字多相控制器,兼容用于AVSBus的PMBus 接口
-
PRODUCT
MP2880产品单路输出、20 相数字控制器, 兼容用于AVSBus 的 PMBus 接口
-
PRODUCT
MP2882产品双路输出、16 相数字控制器, 兼容用于SVI2/AVSBus 的 PMBus 接口
-
PRODUCT
MP2926产品带PMBus 接口的三环路数字多相控制器
-
PRODUCT
MP2855产品带 PMBus 接口的双环路数字多相控制器,可为AMD SVI2供电
-
PRODUCT
MP2886A产品多相数字 PWM 控制器,支持 PMBus 和 PWM-VID 协议
直接登录
创建新帐号