MPQ86960
正在供货产品型号
MPQ86960GMJT-AEC1-Z MPQ86960GMJT-AEC1-P
P&Z的含义 
相关产品
MPQ2967GQKTE 带PMBus接口的双轨、数字4 相控制器,符合 AEC-Q100 认证
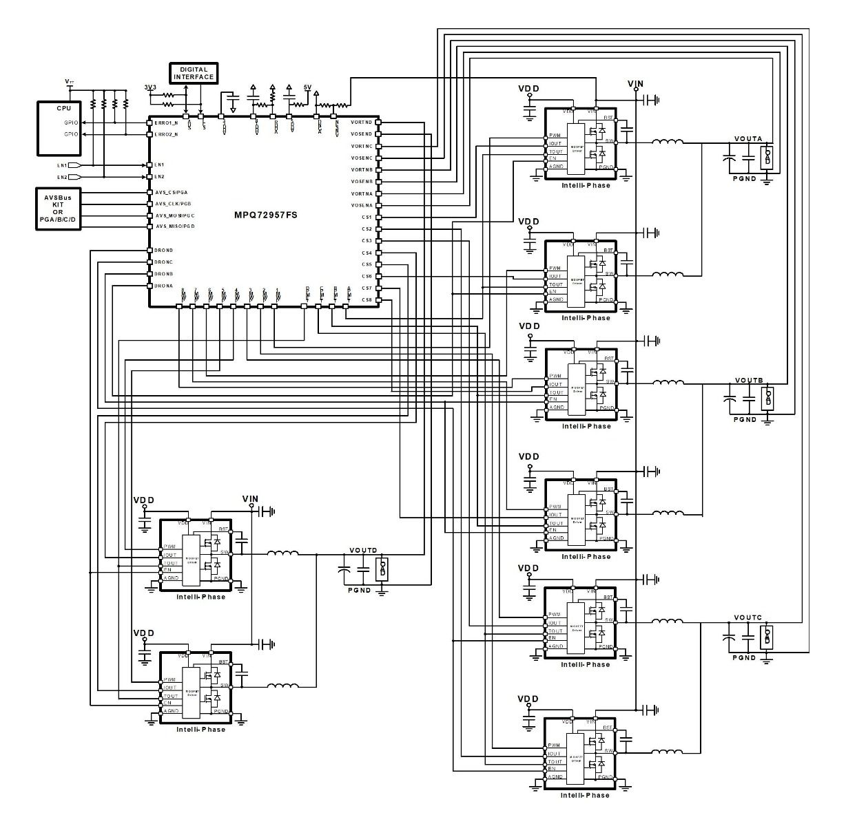
MPQ2967 是一款用于自动驾驶应用的双电压轨、数字多相控制器。该器件可与 MPS Intelli-PhaseTM 产品配合使用,以尽可能少的外部组件实现多相稳压器 (VR) 解决方案。MPQ2967最多可配置为4相以双轨运行。
MPQ2967 内置片上多次可编程(MTP)存储器用于存储并恢复器件配置。器件配置与故障参数可通过PMBus接口进行配置和监控。MPQ2967 还利用 Intelli-PhaseTM 产品的电流采样输出监控并报告输出电流(IOUT)。
MPQ2967 独特的数字多相非线性控制技术能够以极少数量的输出电容提供对负载阶跃做出快速瞬态响应。无论稳态或负载瞬态,它均采用同一种功率环路控制方法,从而实现了功率环路补偿的轻松配置。
MPQ2967 采用 TQFN-40 (6mmx6mm) 封装。
了解更多我们的评估板套件
直接登录
创建新帐号