- MPQ86970
MPQ86970
Session textval
Session Titefor popup
详情
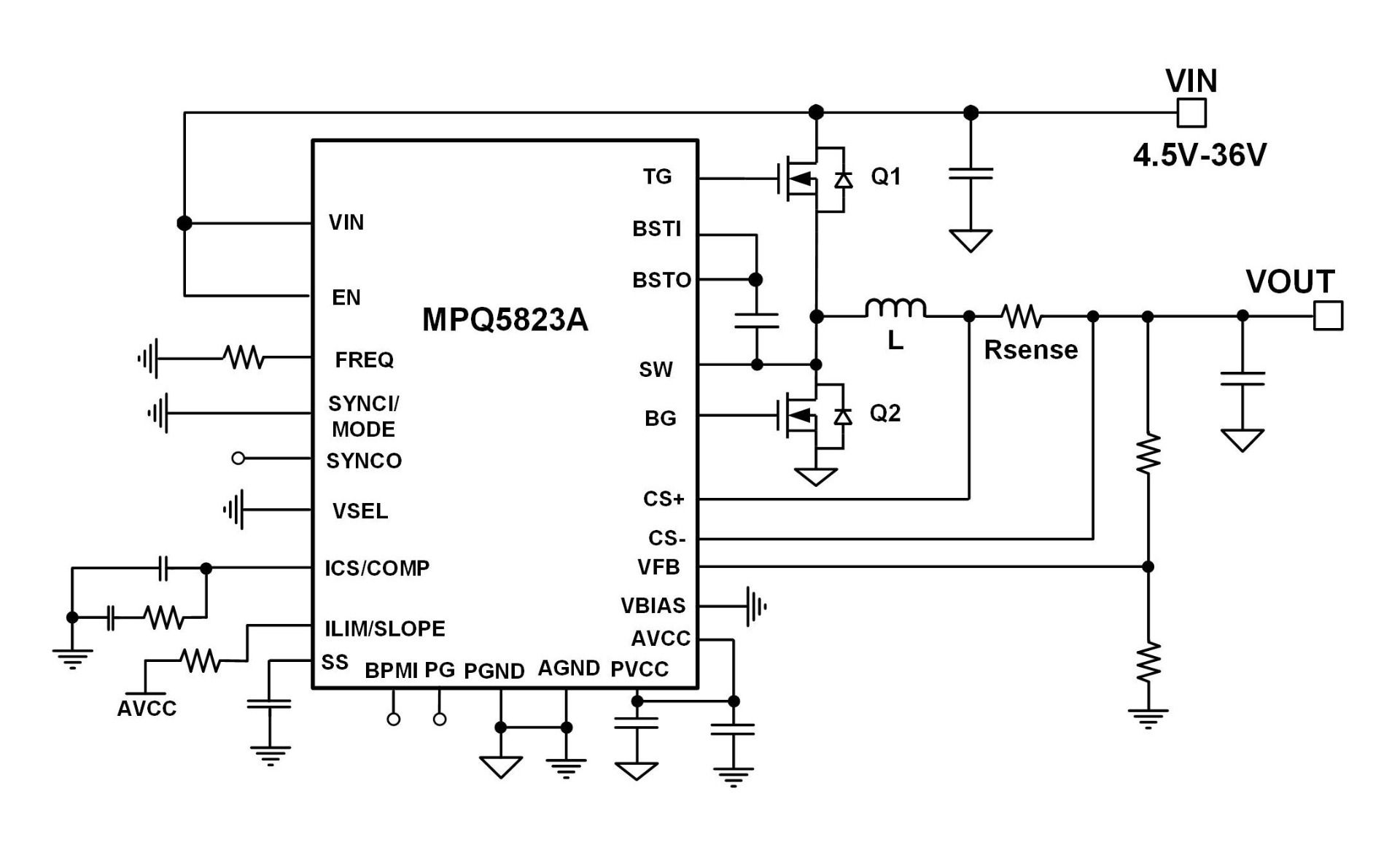
MPQ86970 是一款单片半桥 Intelli-PhaseTM DrMOS 解决方案,它内置内部功率 MOSFET 和栅极驱动器,可以在宽输入电压 (VIN) 范围内实现高达 50A 的连续输出电流 (IOUT)。
该器件集成的 MOSFET 和驱动器通过优化死区时间 (DT) 并降低寄生电感来实现高效率。
MPQ86970 兼容三态输出控制器;同时提供通用电流采样和温度采样功能。
MPQ86970 非常适合要求高效率和小尺寸的自动驾驶应用。它采用 TLGA-41 (5mmx6mm) 封装。
-
显示更多
显示较少
产品特性和优势
- 宽工作输入电压 (VIN) 范围
- 高达 50A 的输出电流 (IOUT)
- 可接收三态脉宽调制 (PWM) 信号
- 内置自举 (BST) 充电开关
- Accu-SenseTM 电流采样
- 温度采样
- 带故障标志的限流保护
- 带故障标志的过温保护 (OTP)
- 带故障标志的灾难保护
- 专为多相操作而设计
- 采用 TLGA-41 (5mmx6mm) 封装
- 符合 AEC-Q100 等级1 认证
- 专为功能安全应用而开发:符合 ISO 26262 标准
正在供货产品型号
MPQ86970GMJT-AEC1-Z MPQ86970GMJT-AEC1-P
以 P 和 Z 结尾的零件编号是相同的零件。P 和 Z 仅表示卷筒尺寸
P&Z的含义 
MPQ86970 Resources
-
PRODUCT CATEGORY
SOC核心功率INTELLI-PHASE™(单片式DRMOS)产品类目 -
APPLICATION
传感器融合域控制器应用感知传感系统是新型车辆中流行的高级驾驶辅助系统(ADAS)。随着雷达与摄像头、甚至激光雷达(LIDAR)系统的集成,感知传感系统也将更进一步发展。但是,每一种传感器都有其优势和局限性,而这正是传感器融合出现的契机。通过融合所有汽车感知系统的输入,驾驶员可以更好地获取信息,从而准确获知车辆周围的物体或潜在危险。但是,这些令人印象深刻的功能除了必须符合ISO26262安全标准和EMI要求之外,还意味更高的设计复杂性。 MPS可靠的汽车级电源管理解决方案组合包括电源模块、降压变换器和线性稳压器。这些器件均经过精心设计,以更小封装尺寸实现了更佳效率与性能,同时最大程度降低了EMI并确保符合安全性要求。制造商可以对自己设计的车辆充满信心,而消费者则可放心使用。 MPS可靠且可扩展的解决方案为下一代传感器融合供电设计提供了所需的一切。
-
PRODUCT
MPQ86750产品50A 单片半桥 Intelli-PhaseTM电源解决方案,采用 LGA-38(5mmx6mm)封装并符合 AEC-Q100 认证
-
PRODUCT
MPQ86960-A-AEC1产品50A 单片半桥 Intelli-PhaseTM 解决方案,采用 LGA-38 (5mmx6mm) 封装并符合 AEC-Q100 认证
-
PRODUCT
MPQ86760产品采用 TQFN-21 (4mmx5mm) 封装的45A Intelli-PhaseTM解决方案,符合 AEC-Q100 认证
-
PRODUCT
MPQ86960产品50A、单片半桥 Intelli-PhaseTM 解决方案,采用 LGA-38 (5mmx6mm) 封装,符合 AEC-Q100 认证
-
PRODUCT
MPQ86940产品40A Intelli-PhaseTM 解决方案,采用 TQFN-21 (4mmx5mm) 封装且符合 AEC-Q100认证
-
VIDEO
QUAD-CHANNEL HIGH-SIDE SWITCH FOR AUTOMOTIVE: MPQ77240FS-AEC1视频The MPQ77240FS-AEC1 is a scalable, flexible, quad-channel high-side switch engineered for the most demanding automotive applications. Supporting a 5V to 16V input voltage range and up to 0.8A of load per channel, it ensures system safety with features like short-to-battery protection, over-current protection (OCP), and thermal shutdown. The MPQ77240FS-AEC1 delivers compact, space-saving power cont...
-
PRODUCT
MPQ5862-AEC1产品16V、1.5A、双通道、上管开关,符合 AEC-Q100 认证
-
PRODUCT
MPQ7935-AEC1产品5.5V, 5-Channel PMIC with x4 1A Buck Converters, x1 300mA LDO, I2C, and MOTP, AEC-Q100 Qualified
-
PRODUCT
MPQ5864-AEC1产品16V、0.8A、180mΩ RDS(ON)、四通道高边开关,符合 AEC-Q100 认证
-
PRODUCT
MPQ4390-AEC1产品40V, High Current Output, Synchronous, Dual Buck Converter, AEC-Q100 Qualified
-
PRODUCT
MPQ70171FS-AEC1产品MPSafeTM, ASIL-B, 5.5V PMIC with 5 Bucks and 4 LDOs for Safety-Relevant Applications, AEC-Q100 Qualified
-
PRODUCT
MPQ7970-AEC1产品MPSafeTM-Compatible, 5.5V PMIC for SoCs, 5 LDOs, 4 GPIOs, and 2 Voltage Monitors, AEC-Q100 Qualified
-
PRODUCT
MPQ2285-AEC1产品6V, 10A, Configurable, High-Frequency, Synchronous Buck Converter with ZDPTM, AEC-Q100 Qualified
-
PRODUCT
MPQ2176-AEC1产品5.5V, 4A to 6A, 2.2MHz, Synchronous Step-Down Converter, AEC-Q100 Qualified
-
PRODUCT
MPQ2177F-AEC1产品6V、1A、2.5MHz、AAM 模式、同步降压变换器,具有电源正常指示和软启动功能,符合 AEC-Q100 认证
-
PRODUCT
MPQ5852A-AEC1产品36V, Smart Diode Controller with Two Voltage Monitors, AEC-Q100 Qualified
-
PRODUCT
MPQ2284-AEC1产品6V、8A、可配置、高频同步降压变换器,采用 ZDPTM 且符合 AEC-Q100 认证
-
PRODUCT
MPQ5894-AEC1产品36V、3A、四通道智能上管开关,符合 AEC-Q100 认证
-
PRODUCT
MPQ5896-AEC1产品60V负载突降容限、3A、四通道智能上管开关,符合 AEC-Q100 认证
-
PRODUCT
MPQ70701FS-AEC1产品基于 MPSafeTM 流程、适用于 SoC的 5.5V PMIC,带5 个 LDO、4 个 GPIO 和 2 个电压监控器,符合ASIL-B标准和 AEC-Q100 认证
-
PRODUCT
MPQ8887-AEC1产品65V、9A、高效率降压变换器,具有 I2C 接口、可配置频率和可调 OCP,符合 AEC-Q100 认证
-
PRODUCT
MPQ4201-AEC1产品100V、同步、双向升降压控制器,具有 I2C 接口、电池充电功能以及可调节 OCP和PG 指示,符合 AEC-Q100 认证
-
PRODUCT
MPQ2211-AEC1产品6V、12A、2.2MHz、同步降压变换器,具有可配置限流功能且符合 AEC-Q100 认证
直接登录
创建新帐号