MP3394S
正在供货产品型号
MP3394SGF-Z MP3394SGF-P MP3394SGS-Z MP3394SGS-P MP3394SGY-P MP3394SGY-Z
P&Z的含义 
相关产品
EV3394S-S-00A 4串120mA白光LED驱动器评估板
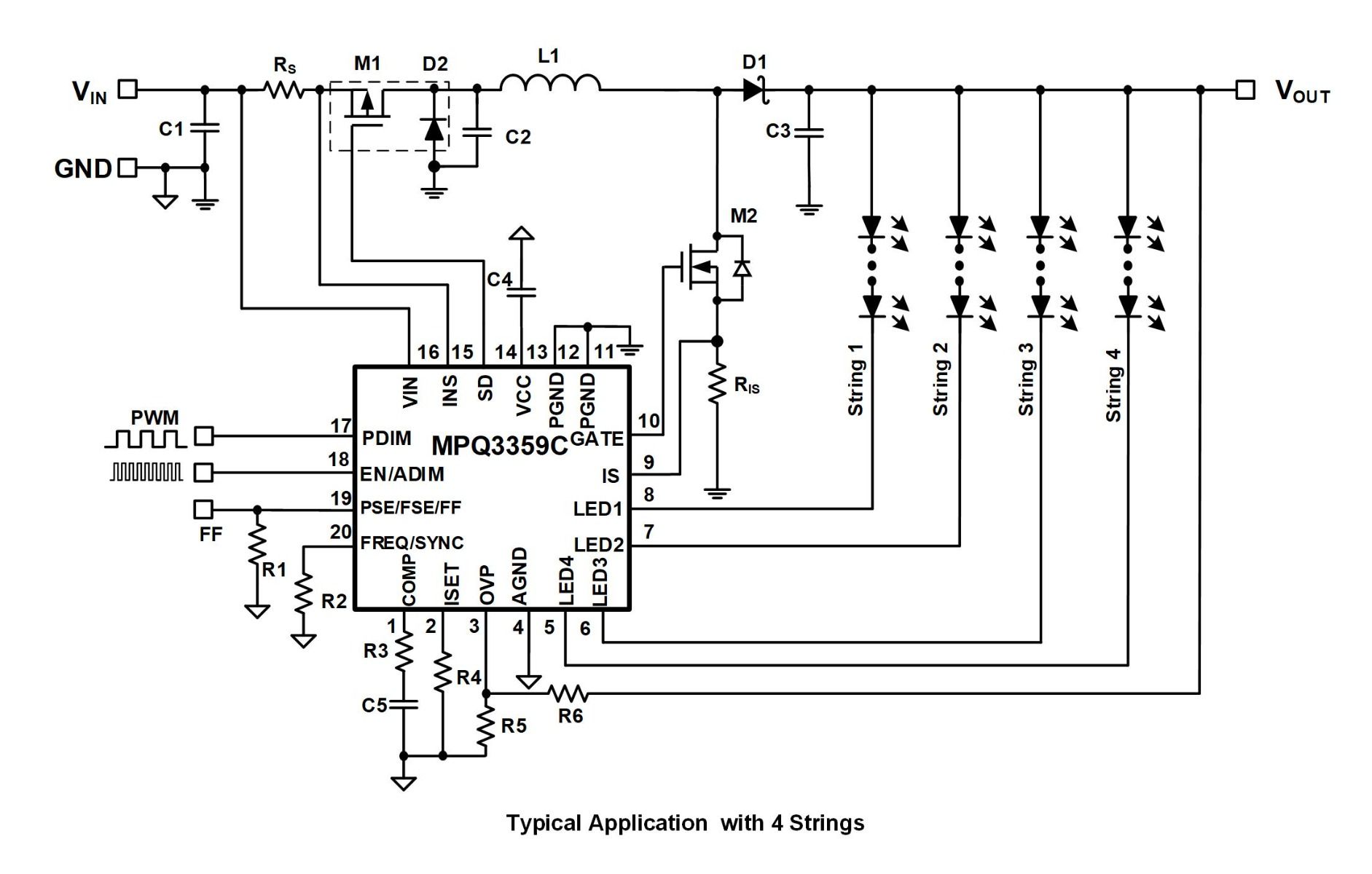
EV3394S-S-00A是MP3394SGS的评估板,MP3394SGS是一款升压变换器,专为采用LED阵列作为光源的液晶显示器而设计。它可并行驱动4串LED,每串最大电流为200mA。
MP3394S采用外部功率MOSFET、内部电流模式和定频架构,每个灯串端子中均包含电流镇流器,从而可实现灯串之间2.5%的电流调节精度。每个LED灯串均具有低反馈电压,这降低了功耗并提高了效率。
MP3394S具有多种保护功能以避免变换器受故障影响,包括欠压锁定保护、限流保护、过压保护、LED短路保护、LED开路保护和过温关断保护。
立即购买
直接登录
创建新帐号