- MP87000-M
MP87000-M
90A, Intelli-PhaseTM DrMOS Solution in TLGA-41 (5mmx6mm) Package with Quiet SwitcherTM Technology
Session textval
Session Titefor popup
详情
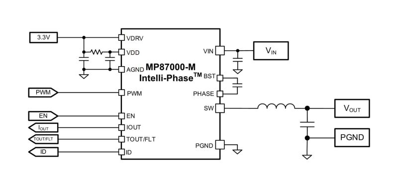
The MP87000-M is a monolithic half-bridge Intelli-PhaseTM solution with built-in internal power MOSFETs and gate drivers. It can achieve up to 90A of continuous output current (IOUT) across a wide input voltage (VIN) supply range.
Quiet SwitcherTM technology (QSTTM) utilizes a proprietary circuit design that can only be achieved in a monolithic architecture to suppress voltage ringing. This technology limits peak switching voltages to <2V above VIN, improving device reliability, lowering EMI, and reducing sensitivity to PCB layout.
The MP87000-M offers many features to simplify system design. This device operates with state pulse-width modulation (PWM) signal controllers, and features Accu-SenseTM current sensing and temperature sensing to monitor the inductor current (IL) and report the junction temperature (TJ), respectively.
The MP87000-M is ideal for server applications where efficiency and small size are at a premium. The MP87000-M is available in a TLGA-41 (5mmx6mm) package.
-
显示更多
显示较少
产品特性和优势
- Quiet SwitcherTM Technology (QSTTM) Limits Peak Switching Voltages to <2V above the Input Voltage (VIN) with Minimal Reliance on PCB Layout
- Wide 3V to 16V Operating VIN Range
- 90A Output Current (IOUT)
- Accu-SenseTM Current Sense
- Temperature Sense
- Accepts Tri-State Pulse-Width Modulation (PWM) Signals
- Current-Limit Protection
- Over-Temperature Protection (OTP)
- Fault Reporting
- Available in a TLGA-41 (5mmx6mm) Package
正在供货产品型号
MP87000-MGMJTH-Z MP87000-MGMJTH-P
以 P 和 Z 结尾的零件编号是相同的零件。P 和 Z 仅表示卷筒尺寸
P&Z的含义 
MP87000-M Resources
-
APPLICATION
5G 电源解决方案应用 -
APPLICATION
NIC 电源解决方案应用 -
APPLICATION
MPS电子开关解决方案应用 -
PRODUCT CATEGORY
处理器内核供电控制器 (MONOLITHIC DRMOS)产品类目 -
APPLICATION
服务器(DDR5电源)应用DDR5 SDRAM(同步动态随机存取内存)是最新一代的 DDR 内存。它是 DDR4 的后代产品,在速度、容量和能效方面都有显著的改进。DDR5 内存模块专为个人计算机、工作站和服务器而设计。DDR5 内存模块的主要优点包括: 速度更快:DDR5 内存模块的运行速度可达 8400MT/s,而 DDR4 仅为 3200MT/s。对游戏、视频编辑和 3D 渲染等任务来说,这无疑可显著改善性能。 容量更大:DDR5 内存模块的容量高达 128GB,而 DDR4 仅为 16GB。因此它能够提供更大的数据存储量,并能够同时运行高要求的应用。 功耗更低:DDR5 内存模块的运行电压 (1.1V) 低于 DDR4 内存模块 (1.2V)。低电压运行有助于降低计算机功耗并节省电费。 纠错能力更强:DDR5 内存模块具有片上 ECC(纠错码)功能,有助于防止数据损坏。 MPS...
-
APPLICATION
服务器(核供电)数据中心解决方案应用云计算、人工智能(AI)、机器学习以及其他一些革命性技术正在整个行业中扩展开来,并已融入了消费者的日常生活中。然而,要满足这些技术不断增长的数据和处理需求,服务器和数据中心需要具备前所未有的速度。在不降低效率或可靠性的前提下,不断缩小的占板空间内需要容纳史无前例的高功率密度。核心电压轨必须能够提供卓越的速度、保护功能和灵活性,以跟上不断增长的需求。 MPS多样化的解决方案在保证效率的同时,能保持较低的整体系统成本。其散热管理专为高密度、高耗电的服务器而设计,能够节约能源并优化输出。MPS专有的Intelli-PhaseTM技术可保持并提高每个新设计的性能。这些可扩展的解决方案还提供了热插拔功能和先进的FET技术,可帮助简化设计,实现节省空间的封装。MPS创新的产品实现了强大的功能、速度与效率,可充分满足您的服务器设计需求。
-
PRODUCT CATEGORY
处理器核心电源 INTELLI-PHASE(单片DRMOS)产品类目 -
PRODUCT
MP87180产品80A Intelli-PhaseTM DrMOS 解决方案,采用 Quiet SwitcherTM技术、5V PVCC以及TLGA-41 (5mmx6mm) 封装
-
PRODUCT
MP87190产品90A、Intelli-PhaseTM DrMOS 解决方案,采用 Quiet SwitcherTM 技术、5V PVCC 和 TGLA-41 (5mmx6mm) 封装
-
PRODUCT
MP86962产品80A, Radiation-Tolerant Intelli-PhaseTM DrMOS Solution in a TLGA-41 (5mmx6mm) Package
-
PRODUCT
MP86992产品16V、50A、Intelli-PhaseTM 解决方案,采用 LGA-41 (5mmx6mm) 封装
-
PRODUCT
MP86935-A产品集成 HS-FET、LS-FET 和驱动器的 60A Intelli-PhaseTM 解决方案,采用 TLGA-35 (3mmx6mm) 封装
-
PRODUCT
MP86952产品具有内部功率 MOSFET 和栅极驱动器的 16V、70A、耐辐射单片半桥 Intelli-Phase TM 解决方案
-
PRODUCT
MP86972产品60A Intelli-Phase ™解决方案,集成HS-FET、LS-FET 和驱动器并采用 TLGA-35 (3mmx6mm) 封装
-
PRODUCT
MP86950产品Intelli-Phase™ 解决方案,集成内部功率 MOSFET 和栅极驱动器的单片半桥
-
PRODUCT
MP86965产品内置上下管MOSFET和驱动器的Intelli-PhaseTM 解决方案
-
PRODUCT
MP86936产品集成 HS-FET、LS-FET 和驱动器的Intelli-Phase™ 解决方案
-
PRODUCT
MP86998产品Intelli-Phase™ 解决方案,集成 HS-FET、LS-FET 和驱动器并采用TLGA-41 (5mmx6mm) 封装
-
PRODUCT
MP86920产品Intelli-Phase™ 解决方案,集成 HS-FET、LS-FET 和驱动器并采用LGA (4mmx5mm)封装
-
PRODUCT
MP86956产品集成 HS-FET/LS-FET 和驱动器的Intelli-PhaseTM解决方案,采用 LGA 和 TLGA (5mmx6mm) 封装
-
PRODUCT
MP86957产品集成了上下管和驱动的Intelli-PhaseTM 解决方案,采用5mmx6mm LGA 封装
-
PRODUCT
MP86933产品16V 智能相位解决方案,采用 TQFN 3x3 封装
-
PRODUCT
MP86905产品集成上管/下管和驱动器的 Intelli-PhaseTM解决方案
-
PRODUCT
MP86945A产品集成高端和低端 FET 和驱动器的Intelli-PhaseTM 电源解决方案
-
PRODUCT
MP86934产品16V 输入 Intelli-Phase 解决方案,封装尺寸仅为 TQFN 3x4mm
立即购买
直接登录
创建新帐号