- MPQ4208-AEC1
MPQ4208-AEC1
Session textval
Session Titefor popup
详情
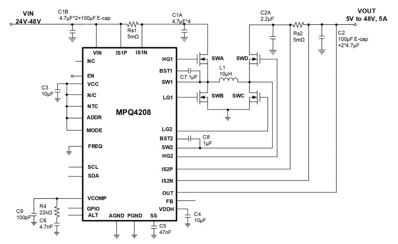
MPQ4208-AEC1中集成了支持GaN的同步4开关N沟道MOSFET驱动器,以及可在宽输入电压 (VIN) 范围内高效率调节不同输出电压的升降压控制器。
该器件提供带一次性可编程(OTP)存储器的 I2C 接口,以支持可配置输出电压 (VOUT)、VOUT 斜率控制,以及可配置输入/输出恒流(CC)限制。这些特性使MPQ4208-AEC1除了适用于高功率系统之外,还适用于USB 供电(PD)标准功率范围(SPR)和扩展功率范围(EPR)设计。
MPQ4208-AEC1提供强制连续导通模式(FCCM)和自动脉冲频率调制(PFM)/脉宽调制(PWM)可选模式。其可配置开关频率 (fSW) 结合频谱扩展调制(FSS)功能,可灵活适配不同的应用需求。
该器件提供丰富的安全功能,包括:带打嗝模式的可配置输入/输出过流保护(OCP)、不带打嗝模式的连续恒流模式、短路保护(SCP)、可配置输入过压保护(OVP)和欠压锁定(UVLO)阈值、输出过压保护(OVP),以及过温关断(TSD)保护。其NTC引脚可用于监测PCB或MOSFET温度,以实现过温保护。
MPQ4208-AEC1采用侧面镀锡的QFN-32(5mmx6mm)封装,并符合AEC-Q100 等级 1认证。
- 
            显示更多
            显示较少
              
产品特性和优势
- 四开关升降压控制器
- 4.75V 至 80V 工作输入电压 (VIN) 范围
- 内部反馈 (FB) 电路支持 3.2V 至 80V 输出电压 (VOUT) 范围,20mV/步长
- 1µA 使能 (EN) 关断静态电流 (IQ)
- I2C 操作关闭时具有 300µA IQ
- 0.5A 至 25A 可配置输入/输出连续电流限制,50mA/步长
- 支持 2mΩ/5mΩ 可配置电流采样 (CS) 电阻
- 支持 USB 供电 (PD) 标准功率范围 (SPR)、可编程电源 (PPS) 和扩展功率范围 (EPR) 可调电压源 (AVS)
- 200kHz、400kHz、600kHz 或 1MHz 可配置开关频率 (fSW),带频谱扩展(FSS) 和频率同步输入功能
- 可选脉冲频率调制 (PFM) 模式或强制连续导通模式 (FCCM)
- 通过 GaN 栅极驱动器提供5V、1.75A 拉电流/4.5A 灌电流能力
- 可通过一次性可编程 (OTP) 存储器配置 VIN 欠压锁定 (UVLO) 阈值
- 可配置 VOUT 过压保护 (OVP)
- 系统功能:
 - 带中断功能的 I2C 接口
- 过流保护 (OCP)、短路保护 (SCP)、OVP、电源正常 (PG)指示、负温度系数 (NTC) 和过温关断 (TSD) 中断
- 10 位模数转换器 (ADC),可读取 VIN、输入电流 (IIN)、VOUT、输出电流 (IOUT)和温度
- 采用侧面镀锡的 QFN-32 (5mmx6mm) 封装
- 符合 AEC-Q100 等级1认证
 
 
        正在供货产品型号
MPQ4208GQJE-0000-AEC1-Z MPQ4208GQJE-0000-AEC1-P MPQ4208GQJE-0001-AEC1-Z MPQ4208GQJE-0001-AEC1-P MPQ4208GQJE-0002-AEC1-Z MPQ4208GQJE-0002-AEC1-P MPQ4208GQJE-xxxx-AEC1-Z MPQ4208GQJE-xxxx-AEC1-P
以 P 和 Z 结尾的零件编号是相同的零件。P 和 Z 仅表示卷筒尺寸
 P&Z的含义 
MPQ4208-AEC1 Resources
- 
            
                PRODUCT CATEGORY
 升降压变换器产品类目
- 
            
                PRODUCT CATEGORY
 降压/升压(升降压BUCK-BOOST)变换器和控制器产品类目
- 
            
                APPLICATION
 中央网关应用随着车辆继续集成电子控制单元 (ECU) 网络以实现尖端功能,汽车中央网关控制器在桥接和管理跨各种协议(例如 CAN、FlexRay、LIN、以太网和 ISO-9141)的数据传输方面发挥着核心作用。 中央网关实现了 ECU 网络之间的物理隔离,以及协议之间的可移植性,以支持车辆不同功能域之间的通信。 这些功能对于网络安全和新兴的物联网 (IoT)、无线软件更新 (SOTA) 和汽车共享等服务是不可或缺的。 除了满足 ISO26262 安全标准和 EMC 法规之外,现代中央网关控制器还需要强大的处理能力和安全性。 我们全面的电源解决方案组合包括电源模块、看门狗定时器、低压差 (LDO) 稳压器、降压和升压变换器以及 USB 充电端口。 这些组件经过精心设计,可确保在小型封装中实现强大、可靠的中央网关控制器,同时还符合严格的温度和 EMI 要求。 MPS 高效、可扩展的解决方案可... 
- 
            
                APPLICATION
 显示(导航、抬头显示、仪表盘)应用汽车显示—包括中央显示器、平视显示器 (HUD) 和仪表盘—向驾驶员显示关键信息和交互式内容。中央信息显示器连接到主机,并提供导航和其他车内信息娱乐控制。汽车 HUD 和仪表仪表盘为驾驶员提供易于访问的信息。HUD 还可以在视线高度上从集群显示器中投射出关键指标,例如速度、温度和燃料用量。除了满足严格的散热要求、ISO26262 安全标准和 EMC 法规之外,这些高级显示器还要求高效率、易于集成和可扩展性的电源解决方案。 我们典型的电源管理解决方案组合包括降压和升压变换器、电源模块、低压差 (LDO) 稳压器、线性稳压器、USB 充电端口、负载开关、PMIC、背光 (WLED) 驱动器、直流有刷驱动和螺线管驱动器和直流无刷预驱动器。这些汽车级部件可实现高质量的显示,同时还满足重要的安全标准。 MPS 高效、可扩展的产品组合为您提供支持下一代汽车显示设计所需的一切。 
- 
            
                APPLICATION
 信息娱乐系统应用汽车车载信息娱乐系统越来越多地由软件驱动,以增强安全性和整体驾驶体验。现代汽车将驾驶和环境信息、乘客娱乐、无线连接和导航集成到一个集中的信息娱乐系统架构中。然而,随着复杂的车载信息娱乐系统的兴起,汽车设计师还面临着越来越多的系统复杂性,例如高级驾驶辅助系统 (ADAS) 以及对连接性和舒适性的考虑,以及符合 ISO26262 安全标准和 EMI 法规。 我们卓越的车规级组件套件包括降压和升压变换器、电源模块、低压降 (LDO) 稳压器、USB 充电端口、负载开关、模拟开关、PMIC、背光 (WLED) 驱动器、直流有刷和螺线管驱动器和直流无刷预驱动器。这些部件旨在以紧凑的封装尺寸简化系统设计,并确保符合严格的安全要求。 MPS 可靠、高效的电源解决方案为下一代信息娱乐系统设计供电提供了所需的一切。 
- 
            
                APPLICATION
 后置摄像头(汽车电池供电)应用后置摄像头是高级驾驶辅助系统 (ADAS) 中最常见的摄像头子系统。越来越多的汽车将其作为标准配置提供。要实现对车辆后方可能存在的危险进行精确、实时的监控,并将信息直接传送到通常位于驾驶舱头部的 LCD 显示器,后置摄像头子系统必须具有高集成度和快速的数据处理速度。为了实现消费者更高的安全性与便利性,这些高级安全功能需要满足 ISO26262 安全标准和 EMI 缓解措施之外,也增加了工程师的设计复杂度与额外的考量因素。 MPS 可靠且可扩展的电源管理解决方案组合包括电源模块、降压变换器和线性稳压器。这些汽车级器件可满足严格的温度与 EMI 要求,同时还能简化系统设计并最大限度地减小整体解决方案尺寸。 MPS 高效、高性价比的产品组合为下一代后置摄像头供电设计提供了所需的一切。 
- 
            
                APPLICATION
 前置摄像头(汽车电池供电)应用前置摄像头是一种日益流行的摄像头子系统,用于高级驾驶辅助系统 (ADAS) 。越来越多的汽车将其作为标准配置提供,因此,无电池摄像头系统必须高度集成并提供快速数据处理,从而对车辆前方可能存在的危险进行准确、实时的监测,同时为车道保持和碰撞避免等集成系统提供辅助。在提高驾驶员安全性和便利性的同时,这些高级功能也增加了设计的复杂性,但仍需要符合 ISO26262 安全标准和 EMC 规范。 MPS高效紧凑的电源管理解决方案组合包括电源模块、PMIC、升压和降压变换器、升降压控制器、负载开关、监控电路、线性稳压器和终端稳压器。 这些汽车级部件可帮助您在不影响安全性的情况下简化系统设计并缩短上市时间。 MPS 可靠且可扩展的产品系列为下一代前置摄像头(汽车电池供电)供电设计提供了所需的一切。 
- 
            
                APPLICATION
 USB TYPE-C 功率传输应用USB Type-C 供电 (PD) 接口在各种应用和市场(包括汽车领域)中越来越流行。USB 端口早已是大多数汽车型号的预期标准接口,而且通常同时具备充电和数据功能。USB Type-C改进了之前的USB设计,提供了一种更小且可反插的端口。它更容易插入,而且还将 USB 3.0 的传输速度提高了一倍。采用USB PD 协议的USB Type-C 通常可提供高达100W的功率,从而加速了新产品的普及。但是,汽车 USB Type-C设计还必须满足严格的汽车安全标准,例如 EMC 和散热法规。新车型的每一项新功能都会增加设计的复杂性,另外,为确保驾驶员和乘客的舒适性和便利性,所占空间也更加重要。 MPS的顶级汽车级产品组合包括 USB PD 控制器、电源模块、升降压控制器和变换器,以及降压变换器。这些部件均符合 AEC-Q100 标准,并以超小封装尺寸提供先进的集成功能,可以简化设计过... 
- 
            
                APPLICATION
 无线车充应用无线车充已成为新车型中越来越受欢迎的功能。它为用户提供了便利,想要为智能手机或其他便携式设备充电,只需将其放置在中控台托盘等指定区域即可,无需物理连接设备或插入充电槽。充电功能现在已是大多数汽车型号的预期标配,其设计目标是在提升效率的同时遵守严格的汽车安全标准,如EMC和散热要求。但每个新功能都会增加设计的复杂性,为确保驾驶员和乘员的舒适性和便利性,空间利用变得尤为重要。 MPS高效且可扩展的产品组合包括符合AEC-Q100标准的降压变换器和线性稳压器。这些组件同时支持感应式和谐振式无线充电拓扑。而且将耗散的热量降至最低,并有效防止电磁干扰(EMI),始终将安全性放在首位。 MPS紧凑而可靠的电源管理解决方案为驱动下一代无线车充提供了所需的一切。 
- 
            
                APPLICATION
 驾驶员监控系统应用驾驶员监控系统是汽车安全的最新技术之一。作为整体人机界面(HMI)的一部分,驾驶员监控系统可以跟踪生命体征参数和驾驶员的注意力,能在驾驶员无法操作车辆的情况下,为其提供帮助。当然,高级的新功能会增加设计的复杂性和工程设计的额外注意事项。但安全始终是头等大事,因此这些组件必须满足严格的EMI和温度要求,这样消费者和制造商才会对改善舒适性和便利性充满信心,还能最大程度地减少驾驶员分心。 我们的汽车级解决方案结合了高性能的电源模块,PMIC,降压变换器和线性稳压器。这些组件将顶级的灵活性和效率整合到一个小型封装中,大大节省了成本和电路板空间,缩短了上市时间。 MPS可靠、经济高效的电源管理解决方案可为您提供下一代驾驶员监控系统所需的一切。 
- 
            
                APPLICATION
 传感器融合域控制器应用感知传感系统是新型车辆中流行的高级驾驶辅助系统(ADAS)。随着雷达与摄像头、甚至激光雷达(LIDAR)系统的集成,感知传感系统也将更进一步发展。但是,每一种传感器都有其优势和局限性,而这正是传感器融合出现的契机。通过融合所有汽车感知系统的输入,驾驶员可以更好地获取信息,从而准确获知车辆周围的物体或潜在危险。但是,这些令人印象深刻的功能除了必须符合ISO26262安全标准和EMI要求之外,还意味更高的设计复杂性。 MPS可靠的汽车级电源管理解决方案组合包括电源模块、降压变换器和线性稳压器。这些器件均经过精心设计,以更小封装尺寸实现了更佳效率与性能,同时最大程度降低了EMI并确保符合安全性要求。制造商可以对自己设计的车辆充满信心,而消费者则可放心使用。 MPS可靠且可扩展的解决方案为下一代传感器融合供电设计提供了所需的一切。 
- 
            
                APPLICATION
 77GHZ 雷达应用77GHz雷达在汽车高级驾驶辅助系统(ADAS)中迅速普及。感知系统是ADAS技术中不断增长的市场,随着新汽车将雷达与摄像头甚至LIDAR系统集成在一起,感知系统也将继续扩张。汽车成像雷达被用作感测车辆周围物体或潜在危险的附加方式。77GHz雷达改进了其24GHz的前身,通过提供更大带宽实现了更大范围的分辨率和精度;而且,由于更高的频率意味着应用中使用的传感器可以更小,77GHz雷达还实现了更小的解决方案尺寸。但是,这些令人印象深刻的功能也意味设计更加复杂,除了要符合ISO26262安全标准和EMI规范以外,还要做更多考虑。 MPS的汽车级组件提供顶级的产品组合,包括电源模块和降压/升压变换器。所有这些器件均经过专门设计,能够以最小封装尺寸提供最佳效率和性能。这些器件还可以最大程度地降低EMI,确保符合安全要求,令消费者和制造商对车辆充满信心。 MPS可靠且高性价比的解决方案可以为... 
- 
            
                PRODUCT  
 MPQ4201-AEC1产品100V、同步、双向升降压控制器,具有 I2C 接口、电池充电功能以及可调节 OCP和PG 指示,符合 AEC-Q100 认证 
- 
            
                PRODUCT  
 MPQ8872-AEC1产品带 I2C 接口的36V、2A、4开关、同步升降压变换器,符合 AEC-Q100 认证 
- 
            
                PRODUCT  
 MPQ8835A-AEC1产品带 I2C 接口的36V、6A、四开关、同步升降压变换器,符合 AEC-Q100 认证 
- 
            
                PRODUCT  
 MPQ8874-AEC1产品36V、4A、四开关、同步升降压变换器,带 I2C 接口且符合 AEC-Q100 认证 
- 
            
                PRODUCT  
 MPQ4232-AEC1产品集成4个MOSFET 和数字接口的 5A 升降压变换器,符合 AEC-Q100 等级1 认证 
- 
            
                PRODUCT  
 MPQ4263-AEC1产品36V、140W 升降压 (Buck-Boost) 变换器,集成下管 MOSFET、高端电流采样和I²C接口,符合 AEC-Q100 认证 
- 
            
                PRODUCT  
 MPQ4483-AEC1产品支持DCP 模式、CDP 模式并提供电池接地短路保护功能的 3A、36V 汽车级降压变换器,符合 AEC-Q100 认证 
- 
            
                PRODUCT  
 MPQ4262-AEC1产品集成下管 MOSFET 和 I2C接口的汽车级36V、100W 升降压变换器,符合 AEC-Q100 认证 
- 
            
                PRODUCT  
 MPQ4214-AEC1产品40V 同步升降压控制器,带数字接口并可通过 IPWM 调节 OCP,符合 AEC-Q100 认证 
- 
            
                PRODUCT  
 MPQ8873-AEC1产品36V、3A 连续输出电流、全温、4 开关、同步升降压变换器、符合 AEC-Q100 认证 
- 
            
                PRODUCT  
 MPQ8875A-AEC1产品带 I2C 接口的 36V/5A 4 开关同步升降压变换器,符合 AEC-Q100 认证 
- 
            
                PRODUCT  
 MPQ4210产品40V、100W 同步升降压控制器,具有I2C接口和电流监控功能,符合 AEC-Q100 认证 
- 
            
                ARTICLE
 频谱扩展技术(FSS)中的参数选择技术文章频谱扩展(FSS)技术广泛应用于功率变换器中,用于降低电磁干扰(EMI)噪声。在实际应用中,设计人员需要仔细考量FSS设计中的多个参数,在优化EMI性能的同时尽量减少副作用。本文将介绍FSS的调制波形、频率和幅度等参数,并分析它们对EMI频谱的影响。文章还将讨论评估频谱扩展技术以优化FSS参数的三种关键方法,并介绍MPS能够在各种应用中实现FSS设计的灵活解决方案。 电源变换器中以高频运行的有源开关会在电路中产生高 dV/dt 节点和高 dI/dt 环路,这会导致不良 EMI 噪声流入电路。图 1 显示了降压变换器中 dV/dt 节点的开关波形。 当开关频率 (fSW) 固定时,EMI 噪声尖峰会在 fSW 的基波和谐波频率处(见图 2(a))出现,而EMI 标准(如 CISPR 25)要求峰值噪声频谱不能超过一定的阈值。FSS 技术的主要原理就是调制电源变换器的 fS... 
 
    
 
     
                   
                                     
                                             
                                             
                                             
         
                 
             
                 
                
直接登录
创建新帐号