- MPC42013
MPC42013
Session textval
Session Titefor popup
详情
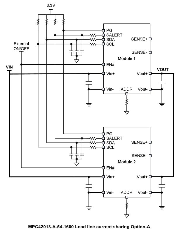
The MPC42013-X-54-1600 is a high-efficiency, non-isolated power module with quarter-brick form factor. It operates from a 40V to 60V DC primary bus voltage to a regulated 12V output voltage (VOUT), and can deliver up to 1600W of continuous power at a typical 54V input voltage (VIN).
The built-in multiple-time programmable (MTP) memory can store and restore device configurations. The fault status, VIN, VOUT, current, and temperature can be easily monitored via the PMBus/I2C interface.
The MPC42013-X-54-1600 is available in a through-hole (58.4mmx36.8mmx13.2mm) package.
-
显示更多
显示较少
产品特性和优势
- Supports Up to 1600W of Continuous Power
- Quarter-Brick: 58.4mmx36.8mmx13.2mm
- Built-In Multiple-Time Programmable (MTP) Memory to Store Custom Configurations
- Input Voltage (VIN), Output Voltage (VOUT), Output Current (IOUT), and Temperature Monitoring via the PMBus/I2C interface
- VIN Over-Voltage Protection (OVP) and Under-Voltage Protection (UVP), Output OVP/UVP, Over-Current Protection (OCP), and Over-Temperature Protection (OTP)
- Option for Parallel Load-Line Current Sharing or Differential Remote Sense
- PMBus Communication
- Supports Wave and Reflow Soldering
- Available in a Through-Hole (58.4mmx36.8mmx13.2mm) Package
正在供货产品型号
MPC42013-A-54-1600-0400-T MPC42013-B-54-1600-0420-T
MPC42013 Resources
-
APPLICATION
5G 电源解决方案应用 -
APPLICATION
MPS电子开关解决方案应用 -
PRODUCT CATEGORY
48V 模块产品类目 -
PRODUCT CATEGORY
48V 模块产品类目 -
PRODUCT
MPC10206-54-1000-0540产品Digital, Intermediate Bus Converter, DC/DC Power Module
-
ARTICLE
面向AI和HPC应用的MPS 开放式加速器模块 (OAM) 电源系统技术文章可持续发展是未来世界的必然趋势,能够降低碳排放的节能解决方案需求也随之不断增长,即使人工智能 (AI) 等新兴领域也不例外。为了顺应节能解决方案的发展趋势,MPS一直致力于提供效率更高的电源解决方案。我们的方案能够帮助客户实现人工智能和高性能计算(HPC)领域日益紧迫的节能减排目标。 MPS电源产品遵循模块化和智能化的方向,旨在打造效率高、性能稳的绿色节能数据中心。图 1 显示了 MPS 的 48V 开放式加速器模块 (OAM) 电源系统。 AI OAM电源系统采用智能调节、节能管理、实时监控等多种电源管理技术,能够满足AI技术和HPC应用的需求。 功能特性: MPC22167-130是一款能为处理器核心轨供电的两相 Intelli-ModuleTM器件。该器件专门针对 HPC 应用进行了优化,例如 OAM 外形尺寸的 AI 处理器、FPGA和ASI...
-
PRODUCT
MPC1100C-54-0002产品高效率、非隔离式、固定匝数比、300W、数字 DC/DC 电源模块
-
PRODUCT
MPC11057-54-0750-0100产品数字 10:1 750W DC/DC 电源模块
-
PRODUCT
MPC12106-54-0750-0220产品高效率、4:1 固定匝数比、800W 数字 DC/DC 电源模块
-
PRODUCT
MP87294产品100A, Intelli-PhaseTM DrMOS Solution in TLGA-34 (4mmx6mm) Package with Quiet SwitcherTM Technology
-
PRODUCT
MPC24180-260产品260A, Four-Phase Intelli-ModuleTM with Quiet SwitcherTM Technology
-
PRODUCT
MP87550产品Intelli-PhaseTM DrMOS Solution in TLGA-30 (4mmx5mm) Package
-
PRODUCT
MPC22157-A-130产品130A, Dual-Phase, High-Efficiency Intelli-ModuleTM
-
PRODUCT
MPC22175-130产品130A, Dual-Phase TLVR Intelli-ModuleTM with Quiet SwitcherTM Technology
-
PRODUCT
MP87120产品20A, Intelli-PhaseTM DrMOS Solution in TLGA-27 (4mmx5mm) Package with Quiet SwitcherTM Technology
-
PRODUCT
MP2421产品24V, 20A, Synchronous Step-Down Converter
-
PRODUCT
MP29540产品数字多相控制器
-
PRODUCT
MP29816-C产品双环路、数字式、16 相控制器,带 PMBus 和 AVSBus 接口
-
PRODUCT
MP5088产品5.5V、15A、2mΩ 低 RDS(ON) 电熔丝,带浪涌电流控制和电流监控功能
-
PRODUCT
MP87000-M产品90A Intelli-PhaseTM DrMOS 解决方案,采用 Quiet SwitcherTM 技术和TLGA-41(5mm x 6mm)封装
-
ARTICLE
满足阻抗容限要求:PDN设计与优化策略技术文章目标阻抗是电信应用中电源传输网络(PDN)设计的关键基准。通过定义芯片上电源轨的最大PDN阻抗,可确保芯片即使在最差的瞬态电流条件下,也能在可接受的电源轨电压噪声水平内运行。 本文将重点介绍如何利用MPQ8785负载点 (PoL) 器件实现目标阻抗的优化,同时为寻求优化PDN的设计人员提供有效建议和实用指导,助力实现可靠高效的电力传输。 随着高频信号的兴起和电路板功率需求的不断提升,电源设计人员越来越重视能够高效为集成电路 (IC) 供电的无噪声配电。控制PDN在特定频段的阻抗是确保高速系统正常运行且满足性能要求的一种方法。该阻抗的估算方法通常为:将最大允许纹波电压除以最大预期电流阶跃负载。PDN目标阻抗(ZTARGET)计算公式如下 : \[ Z_{\mathrm{TARGET}} = \frac{V_{\mathrm{SUPPLY}} \times \text{Ripple...
-
PRODUCT
MP2869A产品用于AMD的双环路数字 16 相控制器,带SVI3接口
-
PRODUCT
MPC22166-D-130产品采用 Quiet SwitcherTM 技术的5mm、130A、双相 Intelli-ModuleTM 电源模块
-
PRODUCT
MPQ8785产品支持PMBus 的 16V、40A、可扩展、数字、同步降压变换器
-
PRODUCT
MP5046产品具有可配置限流和反向电流保护功能的 60V、5A 电熔丝
直接登录
创建新帐号