- MPQ2178A-AEC1
MPQ2178A-AEC1
Session textval
Session Titefor popup
详情
MPQ2178A 是一款集成内部功率 MOSFET 的单片降压开关变换器。在 2.5V 至 5.5V 输入电压(VIN)范围内,它可以实现高达 2A 的连续输出电流(IOUT),且具有极好的负载和线性调整率。输出电压(VOUT) 可调节低至 0.6V。MPQ2178A 适用范围广泛,包括汽车仪表盘、通信设备和影音娱乐系统。恒定导通时间(COT)控制模式提供快速瞬态响应,并使环路更易稳定。全方位保护功能包括逐周期限流保护、过压保护(OVP)、具有打嗝保护模式的短路保护(SCP)和过温关断保护。
MPQ2178A 最大限度地减少了现有标准外部元器件的使用,采用超小型 QFN-8(1.5mmx2mm)封装。
-
显示更多
显示较少
产品特性和优势
- 适合汽车应用:
- 2.5V 至 5.5V 宽工作VIN范围
- 高达 2A 的输出电流(IOUT)
- 反馈精度为 1%
- 结温工作范围:-40°C 至+150°C
- 符合 AEC-Q100 1 级认证
- 提高电池使用寿命:
- 21μA 休眠模式静态电流(IQ)
- 高级异步调制(AAM)模式在轻载条件下可提高效率
- 用于提高散热性能:
- 70mΩ 和 40mΩ 内部功率 MOSFET
- 优化后可实现 EMC/EMI:
- 开关频率(fSW):2.4MHz
- Mesh-ConnectTM倒装芯片封装
- 针对电路板尺寸和 BOM 进行了优化
- 集成内部功率 MOSFET
- 集成补偿网络
- 采用紧凑型 QFN-8(1.5mmx2mm)封装
- 其他功能:
- 供电时序使能
- 电源正常指示(PG)
- 100% 占空比开启
- 外部软启动(SS)控制功能
- 输出放电功能
- 逐周期限流保护
- 输出过压保护(OVP)
- 带打嗝保护模式的短路保护(SCP)
- 过温关断保护
- 采用侧面镀锡封装
正在供货产品型号
MPQ2178AGQHE-AEC1-Z MPQ2178AGQHE-AEC1-P
以 P 和 Z 结尾的零件编号是相同的零件。P 和 Z 仅表示卷筒尺寸
P&Z的含义 
MPQ2178A-AEC1 Resources
-
PRODUCT CATEGORY
降压转换器产品类目 -
PRODUCT
MPQ2277A-AEC1产品6V, Dual 1A/1A, AAM Mode, 2.5MHz, Synchronous Step-Down Converter with Power Good and Soft Start, AEC-Q100 Qualified
-
PRODUCT
MPQ2279-AEC1产品6V, Dual 3A/3A, 2.5MHz, Synchronous Step-Down Converter with Power Good and Soft Start, AEC-Q100 Qualified
-
PRODUCT
MPQ2183-AEC1产品6V, 1A to 3A, 2.4MHz, Synchronous Step-Down Converter with Frequency Spread Spectrum, AEC-Q100 Qualified
-
PRODUCT
MPQ2279A-AEC1产品6V, Dual 3A/3A, AAM Mode, 2.5MHz, Synchronous Step-Down Converter with Power Good and Soft Start, AEC-Q100 Qualified
-
PRODUCT
MPQ4110-AEC1产品Low Quiescent Current, Synchronous Step-Down Converter, AEC-Q100 Qualified
-
PRODUCT
MPQ2294-AEC1产品6V, 30A, Synchronous Buck Converter with ZDPTM, AEC-Q100 Qualified
-
PRODUCT
MPQ4373-AEC1产品36V, 6A to 11A, Low-EMI, Synchronous Step-Down Converter with ZDPTM, AEC-Q100 Qualified
-
PRODUCT
MPQ4583-AEC1产品90V、3.5A、9μA IQ、同步降压 DC/DC 变换器,符合 AEC-Q100 认证
-
PRODUCT
MPQ4384-AEC1产品36V, 12A to 18A, Low-EMI, Synchronous Step-Down Converter with ZDPTM, AEC-Q100 Qualified
-
PRODUCT
MPQ2277-AEC1产品6V, Dual 1A/1A, 2.5MHz, Synchronous Step-Down Converter with Power Good and Soft Start, AEC-Q100 Qualified
-
PRODUCT
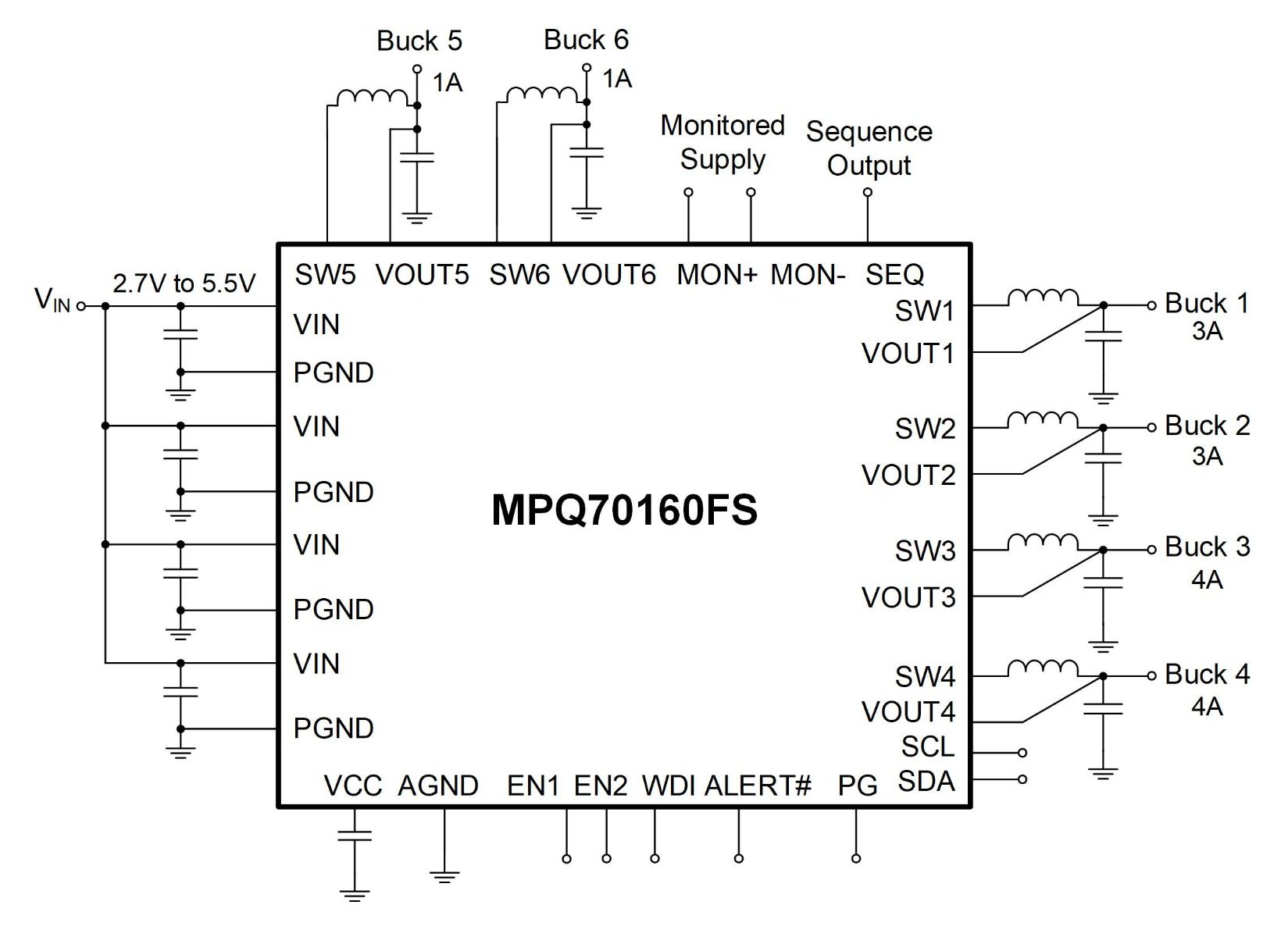
MPQ70160FS-AEC1产品基于MPSafeTM开发流程的ASIL D级、6.5V、电源管理IC,集成6 个降压变换器(2路 4A、2路 3A 和2路 1A),适用于汽车 ADAS应用,符合 AEC-Q100认证
-
PRODUCT
MPQ2183A-AEC1产品6V, 1A to 3A, 2.5MHz, Fixed-Output, Synchronous Step-Down Converter with FSS, AEC-Q100 Qualified
-
PRODUCT
MPQ2176B-AEC1产品5.5V、4A至6A、2.2MHz、同步降压变换器,符合 AEC-Q100认证
-
PRODUCT
MPQ71020FS-AEC1产品采用 MPSafeTM 开发流程的6V、30A、同步降压变换器,采用 ZDPTM 技术、符合 ASIL-D 标准和 AEC-Q100 认证
-
PRODUCT
MPQ71411FS-AEC1产品MPSafeTM ASIL-D, 6V, 30A, Synchronous Buck Converter with ZDPTM, AEC-Q100 Qualified
-
PRODUCT
MPQ2285-AEC1产品6V、10A、可配置、高频同步降压变换器,采用 ZDPTM 且符合 AEC- Q100认证
-
PRODUCT
MPQ2176-AEC1产品5.5V、4A至6A、2.2MHz、同步降压变换器,符合 AEC-Q100认证
-
PRODUCT
MPQ2177F-AEC1产品6V、1A、2.5MHz、AAM 模式、同步降压变换器,具有电源正常指示和软启动功能,符合 AEC-Q100 认证
-
PRODUCT
MPQ2177FGQHE-18-AEC1-Z产品6V、1A、2.5MHz、AAM 模式、同步降压变换器,具有电源正常指示和软启动功能,符合 AEC-Q100 认证
-
PRODUCT
MPQ2177FGQHE-12-AEC1-Z产品6V、1A、2.5MHz、AAM 模式、同步降压变换器,具有电源正常指示和软启动功能,符合 AEC-Q100 认证
-
PRODUCT
MPQ2284-AEC1产品6V、8A、可配置、高频同步降压变换器,采用 ZDPTM 且符合 AEC-Q100 认证
-
PRODUCT
MPQ8887-AEC1产品65V、9A、高效率降压变换器,具有 I2C 接口、可配置频率和可调 OCP,符合 AEC-Q100 认证
-
PRODUCT
MPQ2211-AEC1产品6V、12A、2.2MHz、同步降压变换器,具有可配置限流功能且符合 AEC-Q100 认证
-
PRODUCT
MPQ29261-AEC1产品18A 同步降压变换器,带 2 位 VID且符合 AEC-Q100 认证
立即购买
直接登录
创建新帐号