- MPQ2177A-AEC1
MPQ2177A-AEC1
Session textval
Session Titefor popup
详情
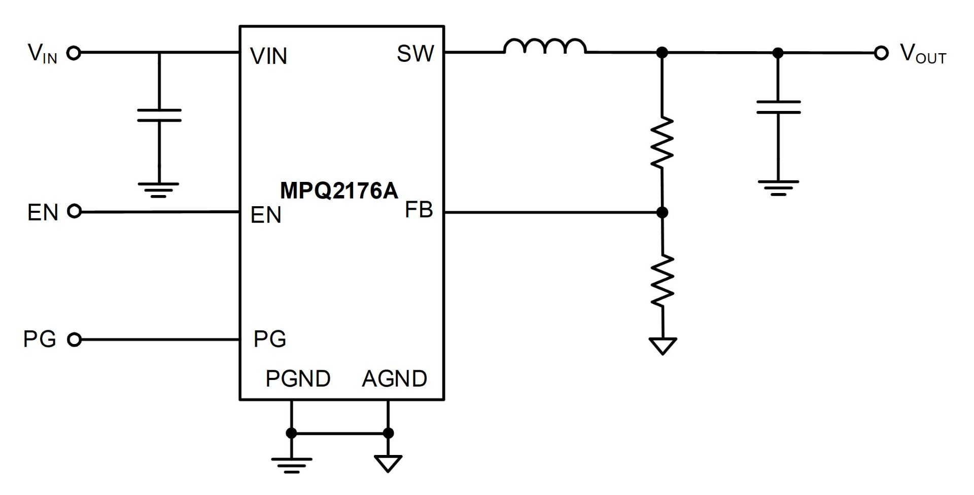
MPQ2177A 是一款集成内部功率 MOSFET 的单片降压开关变换器。在 2.5V 至 5.5V 输入电压(VIN)范围内,它可以实现高达 1A 的连续输出电流(IOUT),且具有极好的负载和线性调整率。输出电压(VOUT)可调节低至 0.6V。
MPQ2177A 适用范围广泛,包括汽车仪表盘、通信设备和影音娱乐系统。
恒定导通时间(COT)控制模式提供快速瞬态响应,并使环路更易稳定。全方位保护功能包括逐周期限流保护和过温关断保护。
MPQ2177A 最大限度地减少了现有标准外部元器件的使用,采用紧凑型 QFN-8(1.5mmx2mm)封装。
-
显示更多
显示较少
产品特性和优势
- 适合汽车应用
- 2.5V 至 5.5V 宽工作输入电压(VIN)范围
- 高达 1A 的输出电流(IOUT)
- 反馈(FB)精度为 1%
- -40℃ 至 +150℃ 工作结温(TJ)范围
- 符合 AEC-Q100 等级 1 认证
- 提高电池使用寿命:
- 21μA 休眠模式静态电流(IQ)
- 高级异步调制(AAM)模式在轻载条件下可提高效率
- 用于提高散热的高性能:
- 内部集成 75mΩ 和 45mΩ 功率 MOSFET
- 针对 EMC 和 EMI 进行优化:
- 开关频率(fSW):2.4MHz
- MeshConnect™ 倒装芯片封装
- 缩减电路板尺寸和 BOM:
- 集成内部功率 MOSFET
- 集成补偿网络
- 采用紧凑型 QFN-8(1.5mmx2mm)封装
- 其他功能:
- 用于供电时序的(EN)
- 电源正常输出指示(PG)
- 100% 占空比
- 外部软启动(SS)控制功能
- 输出放电功能
- 带打嗝保护模式的过压保护(OVP)
- 带打嗝保护模式的短路保护(SCP)
- 采用侧面镀锡封装
正在供货产品型号
MPQ2177AGQHE-AEC1-Z MPQ2177AGQHE-AEC1-P
以 P 和 Z 结尾的零件编号是相同的零件。P 和 Z 仅表示卷筒尺寸
P&Z的含义 
MPQ2177A-AEC1 Resources
-
PRODUCT CATEGORY
降压转换器产品类目 -
PRODUCT
MPQ2176A-AEC1产品5.5V, 4A to 6A, 2.2MHz, Synchronous Step-Down Converter in a TLGA-13 Package, AEC-Q100 Qualified
-
PRODUCT
MPQ4111-AEC1产品20V, 0.5A to 4A, Low Quiescent Current, Synchronous Step-Down Converter, AEC-Q100 Qualified
-
PRODUCT
MPQ2277A-AEC1产品6V, Dual 1A/1A, AAM Mode, 2.5MHz, Synchronous Step-Down Converter with Power Good and Soft Start, AEC-Q100 Qualified
-
PRODUCT
MPQ2279-AEC1产品6V, Dual 3A/3A, 2.5MHz, Synchronous Step-Down Converter with Power Good and Soft Start, AEC-Q100 Qualified
-
PRODUCT
MPQ2183-AEC1产品6V, 1A to 3A, 2.4MHz, Synchronous Step-Down Converter with Frequency Spread Spectrum, AEC-Q100 Qualified
-
PRODUCT
MPQ2279A-AEC1产品6V, Dual 3A/3A, AAM Mode, 2.5MHz, Synchronous Step-Down Converter with Power Good and Soft Start, AEC-Q100 Qualified
-
PRODUCT
MPQ4110-AEC1产品Low Quiescent Current, Synchronous Step-Down Converter, AEC-Q100 Qualified
-
PRODUCT
MPQ2294-AEC1产品6V, 30A, Synchronous Buck Converter with ZDPTM, AEC-Q100 Qualified
-
PRODUCT
MPQ4373-AEC1产品36V, 6A to 11A, Low-EMI, Synchronous Step-Down Converter with ZDPTM, AEC-Q100 Qualified
-
PRODUCT
MPQ4583-AEC1产品90V、3.5A、9μA IQ、同步降压 DC/DC 变换器,符合 AEC-Q100 认证
-
PRODUCT
MPQ4384-AEC1产品36V, 12A to 18A, Low-EMI, Synchronous Step-Down Converter with ZDPTM, AEC-Q100 Qualified
-
PRODUCT
MPQ2277-AEC1产品6V、双通道1A/1A、2.5MHz 同步降压变换器,带电源正常指示和软启动功能,符合AEC-Q100认证
-
PRODUCT
MPQ70160FS-AEC1产品采用 MPSafeTM 开发流程的5.5V PMIC,带6个降压变换器,符合ASIL-D标准和AEC-Q100认证
-
PRODUCT
MPQ2183A-AEC1产品6V、1A 至 3A、2.5MHz、固定输出、带 FSS 的同步降压变换器,符合AEC-Q100 认证
-
PRODUCT
MPQ2176B-AEC1产品5.5V、4A至6A、2.2MHz、同步降压变换器,符合 AEC-Q100认证
-
PRODUCT
MPQ71020FS-AEC1产品采用 MPSafeTM 开发流程的6V、30A、同步降压变换器,采用 ZDPTM 技术、符合 ASIL-D 标准和 AEC-Q100 认证
-
PRODUCT
MPQ71411FS-AEC1产品MPSafeTM ASIL-D, 6V, 30A, Synchronous Buck Converter with ZDPTM, AEC-Q100 Qualified
-
PRODUCT
MPQ2285-AEC1产品6V、10A、可配置、高频同步降压变换器,采用 ZDPTM 且符合 AEC- Q100认证
-
PRODUCT
MPQ2176-AEC1产品5.5V、4A至6A、2.2MHz、同步降压变换器,符合 AEC-Q100认证
-
PRODUCT
MPQ2177F-AEC1产品6V、1A、2.5MHz、AAM 模式、同步降压变换器,具有电源正常指示和软启动功能,符合 AEC-Q100 认证
-
PRODUCT
MPQ2177FGQHE-18-AEC1-Z产品6V、1A、2.5MHz、AAM 模式、同步降压变换器,具有电源正常指示和软启动功能,符合 AEC-Q100 认证
-
PRODUCT
MPQ2177FGQHE-12-AEC1-Z产品6V、1A、2.5MHz、AAM 模式、同步降压变换器,具有电源正常指示和软启动功能,符合 AEC-Q100 认证
-
PRODUCT
MPQ2284-AEC1产品6V、8A、可配置、高频同步降压变换器,采用 ZDPTM 且符合 AEC-Q100 认证
-
PRODUCT
MPQ8887-AEC1产品65V、9A、高效率降压变换器,具有 I2C 接口、可配置频率和可调 OCP,符合 AEC-Q100 认证
立即购买
直接登录
创建新帐号