MPQ4390-AEC1
正在供货产品型号
MPQ4390GQJTE-xxxx-AEC1-Z MPQ4390GQJTE-xxxx-AEC1-P MPQ4390GQJTE-0000-AEC1-Z MPQ4390GQJTE-0000-AEC1-P
P&Z的含义 
相关产品
MPQ73350FS-AEC1 采用 MPSafeTM、40V、高输出电流、同步双降压变换器,符合 AEC-Q100 认证
MPQ73350FS-AEC1 是一款专为汽车安全应用而设计的同步双降压变换器。它具有宽输入电压 (VIN) 范围,可实现快速瞬态响应、高效率以及出色的 EMI 性能,同时提供丰富的监控和保护功能。
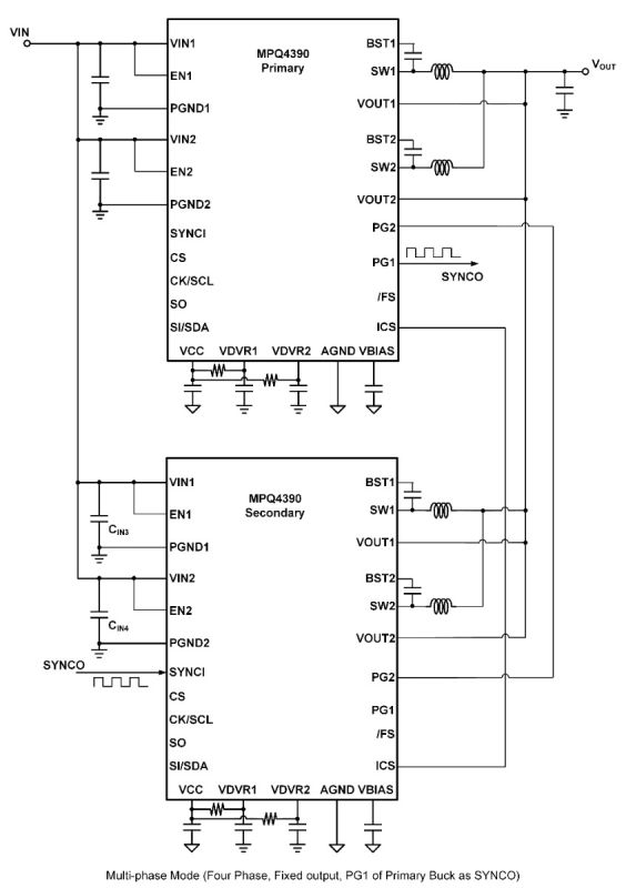
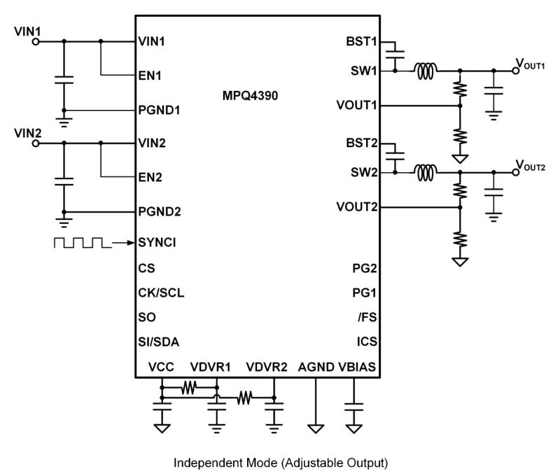
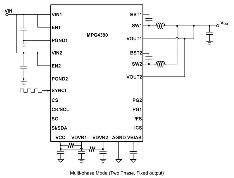
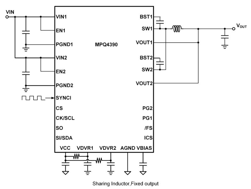
MPQ73350FS-AEC1 提供可选双通道模式或单输出多相模式。在双通道模式下,每个降压变换器都可提供高达 7A的输出电流 (IOUT) ,带散热器时更可高达 12A。该器件支持最多四相的多相并联操作。其开关频率 (fSW) 可在 200kHz 至 2.2MHz 范围内配置,也可通过外部时钟信号同步。此外,该器件还提供频谱扩展 (FSS) 功能以提高 EMI 性能。
MPQ73350FS-AEC1全面的保护功能包括输入欠压锁定 (UVLO)保护、输入过压保护 (OVP)、逐周期峰值电流限制、输出过压保护 (OVP)、输出短路保护 (SCP) 和过温关断保护。通过可选 SPI 或 I2C 接口,用户可轻松完成不同配置。一次性可编程 (OTP) 存储器也为应用提供了极大的灵活性。
MPQ73350FS-AEC1 采用 TQFN-28 (5mmx6mm) 封装,并符合 AEC-Q100 认证。
直接登录
创建新帐号