MPQ70171FS-AEC1
正在供货产品型号
MPQ70171FSGQQE-xxxxAEC1-Z MPQ70171FSGQQE-xxxxAEC1-P MPQ70171FSGQQE-0000AEC1-Z MPQ70171FSGQQE-0000AEC1-P
P&Z的含义 
相关产品
MPQ70170FS-AEC1 采用MPSafeTM、集成5 个降压变换器和4个LDO的5.5V PMIC,适用于安全相关应用且符合 AEC-Q100 认证
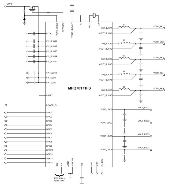
电源管理 IC (PMIC) MPQ70170FS-AEC1用于为汽车安全系统中使用的各种处理器和片上系统 (SoC) 供电。它集成了五个同步降压变换器和四个低压差 (LDO) 稳压器。降压变换器支持多相工作,其中四个变换器可配置为两个双相变换器或一个四相变换器。
该器件集成了 13 个 GPIO 引脚,每个引脚都具有多种功能,可实现高度灵活性。此外它还通过用户可配置状态机 (UCSM)、带数据包错误校验 (PEC) 的 I2C接口以及集成多次可编程 (MTP) 存储器实现了高度可配置性。
MPQ70170FS-AEC1符合 ISO 26262 硬件标准,并采用 MPS 先进的 MPSafeTM 功能安全产品开发流程开发,且已通过独立认证。
MPQ70170FS-AEC1 采用侧面镀锡的 QFN-56(8mmx8mm)封装,并符合 AEC-Q100 等级1认证。
直接登录
创建新帐号