MPQ70165FS-AEC1
正在供货产品型号
MPQ70165FSGUTE-xxxxAEC1-Z MPQ70165FSGUTE-xxxxAEC1-P MPQ70165FSGUTE-0001AEC1-Z MPQ70165FSGUTE-0001AEC1-P
P&Z的含义 
相关产品
EVQ70165FS-UT-00A MPSafeTM, ASIL-B, 5.5V PMIC with 6 Buck Converters Evaluation Board, AEC-Q100 Qualified
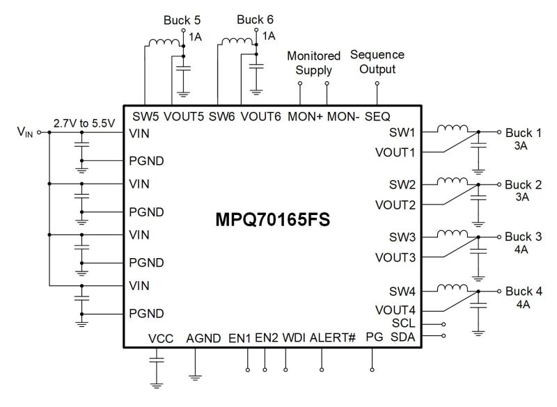
The EVQ70165FS-UT-00A is an evaluation board designed to demonstrate the capabilities of the MPQ70165FS-AEC1, a power management IC (PMIC) designed to meet the power management requirements of processors used in various safety-relevant automotive systems.
Six integrated, synchronous buck converters can be configured as 3-rail, dual-phase converters or 6-rail, single-phase converters. With dynamic voltage scaling, the output voltage (VOUT) of each converter can be changed during normal operation. The PMBus interface with packet error checking (PEC) and integrated, multi-page one-time programmable (OTP) memory (MOTP) allows for a high degree of configurability.
To prevent overshoot during start-up, soft-start (SS) functionality is featured on each converter. In addition, to allow proper discharge during shutdown, soft shutdown functionality is featured on each converter. The slew rate for both functions is configurable via the digital registers.
The MPQ70165FS-AEC1 provides a configurable windowed or Q&A watchdog and dedicated WDI pin, external voltage monitor, and sequence output pin (SEQ).
A 2MHz, fixed-frequency peak current mode control regulates VOUT, offers fast transient performance, and allows for a large reduction in external inductances and capacitances. In addition, frequency spread spectrum (FSS) reduces EMI noise. A full protection suite is included with under-voltage lockout (UVLO), under-voltage protection (UVP), over-voltage protection (OVP) and thermal shutdown.
Safety mechanisms such as built-in self-testing (BIST) provide high diagnostic coverage, which help the system achieve its target ASIL rating. The MPQ70165FS-AEC1 is developed under MPS’s advanced MPSafeTM Functional Safety Product Development process, which has been independently certified to meet ISO 26262 guidelines.
The EVQ70165FS-UT-00A is a fully assembled and tested evaluation board. The MPQ70165FS-AEC1 is available in a TQFN-32 (5mmx5mm) package with wettable flanks, and is AEC-Q100 qualified.
采用 MPSafeTM 开发流程的5.5V PMIC,带6个降压变换器,符合ASIL-D标准和AEC-Q100认证
立即购买
直接登录
创建新帐号