- MPQ72957FS-AEC1
MPQ72957FS-AEC1
MPSafeTM, ASIL-D, 4-Rail, 8-Phase Controller with Digital Interface, AEC-Q100 Qualified
Session textval
Session Titefor popup
详情
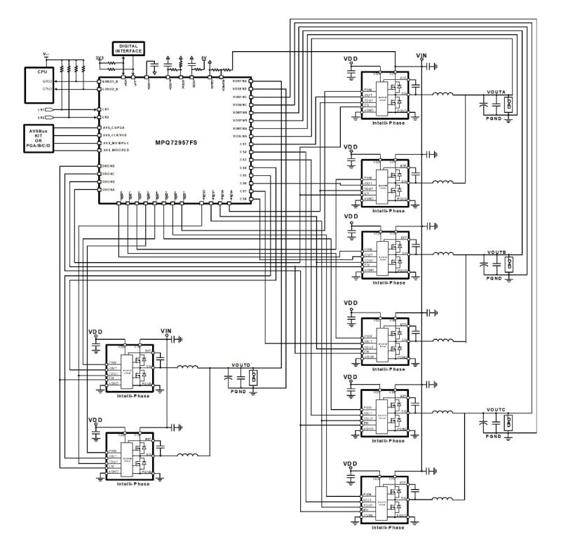
The MPQ72957FS-AEC1 is a four-rail, digital, multi-phase controller for autonomous driving applications. The device can work with MPS's Intelli-PhaseTM products to complete the multi-phase voltage regulator (VR) solution with minimal external components. It can be configured up to 8 phases for 4-rail operation.
The MPQ72957FS-AEC1 provides on-chip multiple-time programmable (MTP) memory to store and restore device configurations. Device configurations and fault parameters can be configured and monitored via the digital interface. The MPQ72957FS-AEC1 can also monitor and report the output current (IOUT) through the current sense (CS) output from Intelli-PhaseTM products.
The MPQ72957FS-AEC1 is based on a unique, digital, multi-phase non-linear control to provide fast transient response to load transients with minimal output capacitors. With only one power loop control method for both steady state and load transient, power loop compensation is simple to configure.
The MPQ72957FS-AEC1 is available in a TQFN-48 (7mmx7mm) package, and is available in AEC-Q100 Grade 1.
-
显示更多
显示较少
产品特性和优势
- 4-Rail, Up to 8-Phase Digital Pulse-Width Modulation (PWM) Controller
- Digital Interface for Configuring and Monitoring
- Built-In Multiple-Time Programmable (MTP) Memory to Store Custom Configurations
- Automatic Loop Compensation
- Automatic Phase-Shedding (APS) to Improve Overall Efficiency
- Phase-to-Phase Active Current Balancing
- Input Voltage (VIN) and Output Voltage (VOUT) Monitoring
- Output Current (IOUT) Monitoring
- Regulator Temperature Monitoring
- Under-Voltage Lockout (UVLO), Over-Voltage Protection (OVP), Under-Voltage Protection (UVP), Over-Current Protection (OCP), Over-Temperature Protection (OTP), and Reverse-Voltage Protection (RVP)
- Cyclic Redundancy Check (CRC) and Error Correction Code (ECC) for MTP Transformation
- Packet Error Checking (PEC) for Digital Interface Communication
- Configurable Load Line Configuration
- Available in a TQFN-48 (7mmx7mm) Package
- Available in AEC-Q100 Grade 1
正在供货产品型号
MPQ72957FSGQNTE-xxxxAEC-Z MPQ72957FSGQNTE-xxxxAEC-P
以 P 和 Z 结尾的零件编号是相同的零件。P 和 Z 仅表示卷筒尺寸
P&Z的含义 
MPQ72957FS-AEC1 Resources
-
PRODUCT CATEGORY
SOC核心电源 - 数字多相控制器产品类目 -
APPLICATION
传感器融合域控制器应用感知传感系统是新型车辆中流行的高级驾驶辅助系统(ADAS)。随着雷达与摄像头、甚至激光雷达(LIDAR)系统的集成,感知传感系统也将更进一步发展。但是,每一种传感器都有其优势和局限性,而这正是传感器融合出现的契机。通过融合所有汽车感知系统的输入,驾驶员可以更好地获取信息,从而准确获知车辆周围的物体或潜在危险。但是,这些令人印象深刻的功能除了必须符合ISO26262安全标准和EMI要求之外,还意味更高的设计复杂性。 MPS可靠的汽车级电源管理解决方案组合包括电源模块、降压变换器和线性稳压器。这些器件均经过精心设计,以更小封装尺寸实现了更佳效率与性能,同时最大程度降低了EMI并确保符合安全性要求。制造商可以对自己设计的车辆充满信心,而消费者则可放心使用。 MPS可靠且可扩展的解决方案为下一代传感器融合供电设计提供了所需的一切。
-
PRODUCT
MPQ29164-AEC1产品带 I2C 接口的数字 6 相控制器,符合IMVP8/9/9.1规范和AEC-Q100认证
-
PRODUCT
MPQ29125-AEC1产品3轨多相控制器,符合 AEC-Q100 认证
-
USE CASE
INTELLI-PHASETM 解决方案用例:中央计算机应用案例本用例将介绍 MPQ2946 和 MPQ86760 在自动驾驶汽车中央计算机中的应用。 MPQ2946 和 MPQ86760 为自动驾驶汽车的中央计算机提供了两种先进的电源转换解决方案,具备高功率密度、多功能性以及高度集成的设计特性。 自动驾驶汽车内的中央计算机承担着非常繁重的工作,例如实时数据处理、环境感测和监控,以及与运动控制有关的关键决策等。增加电源变换器的尺寸可以满足中央计算机所需的更高功耗和供电要求,但同时,笨重的电源变换器也会增加车身重量,从而降低车辆的整体行驶里程和性能。因此,汽车设计师们一直致力于寻找一种简单、又能适应中央计算单元强大处理能力的电源变换器设计。 MPQ2946 和 MPQ86760 为自动驾驶汽车的中央计算机提供了两种先进的电源转换解决方案,具有高功率密度、多功能性和高度集成的设计特性。MPQ2946 最多可配置为 8 相 3 轨运行,...
-
PRODUCT
MPQ2946产品具有三条电源轨的数字8 相控制器, 符合 AEC-Q100 认证
-
ARTICLE
MPS自动驾驶解决方案技术文章2004年到2007年,美国先后举办了三场无人驾驶挑战赛,催生了自动驾驶这一赛道。由此,自动驾驶步入了产业化时代,各汽车强国都在争相抢占产业制高点。在中国,伴随着新能源汽车市场的火热,自动驾驶也步入了发展快车道。 自动驾驶汽车(Autonomous Vehicle),是指一种通过传感器和运算单元实现无人驾驶的智能汽车,其核心硬件模块包括电子控制单元(ECU, Electronic Control Unit)/域控制器(DCU, Driving Control Unit)和传感器(感知元件)两大部分。根据美国汽车工程师协会(SAE)发布的SAEJ3016标准和2021年8月中国出台的《汽车驾驶自动化分级》国家标准,自动驾驶被分为L0至L5 六个等级,从L0级应急辅助驾驶到L5级完全自动驾驶,如下图所示: 自动驾驶市场的在世界范围内不同程度的增长是毋庸置疑的...
-
PRODUCT
MPQ2977-AEC1产品带串行接口的数字 6 相控制器,符合 AEC-Q100 认证
-
PRODUCT
MPQ2967-AEC1产品带PMBus接口的双轨、数字4 相控制器,符合 AEC-Q100 认证
-
PRODUCT
MPQ2277-AEC1产品6V, Dual 1A/1A, 2.5MHz, Synchronous Step-Down Converter with Power Good and Soft Start, AEC-Q100 Qualified
-
PRODUCT
MPQ4232A-AEC1产品带4个集成 MOSFET 和 I²C 接口的36V、6A 升降压变换器,符合 AEC-Q100 认证
-
PRODUCT
MPQ2183A-AEC1产品6V, 1A to 3A, 2.5MHz, Fixed-Output, Synchronous Step-Down Converter with FSS, AEC-Q100 Qualified
-
PRODUCT
MPQ77240FS-AEC1产品MPSafeTM、16V、180mΩ、0.8A、四通道上管开关,符合 AEC-Q100 认证和ASIL-B 标准
-
PRODUCT
MPQ79570FS-AEC1产品MPSafeTM, ASIL-D, Wide 70V VIN, Window Voltage Supervisor, AEC-Q100 Qualified
-
PRODUCT
MPQ2176B-AEC1产品5.5V、4A至6A、2.2MHz、同步降压变换器,符合 AEC-Q100认证
-
PRODUCT
MPQ5884-AEC1产品80V、4.5mΩ、电熔丝和智能上管电源开关,符合 AEC-Q100 认证
-
PRODUCT
MPQ71020FS-AEC1产品采用 MPSafeTM 开发流程的6V、30A、同步降压变换器,采用 ZDPTM 技术、符合 ASIL-D 标准和 AEC-Q100 认证
-
VIDEO
汽车级四通道高边开关:MPQ77240FS-AEC1视频MPQ77240FS-AEC1是一款专为严苛汽车应用设计的可扩展、高灵活度、四通道高边开关。该器件支持5V至16V输入电压范围和高达0.8A的每通道负载,同时可通过电池短路保护、过流保护(OCP)和过温关断等保护功能确保系统安全的运行。MPQ77240FS-AEC1采用TQFN-17(3mmx4mm)紧凑型封装,能够在极小空间内实现功率控制功能,同时符合AEC-Q100认证和ASIL-B标准。观看视频以了解MPQ77240FS-AEC1如何助力优化您的汽车系统设计。 功能特性: 功能安全 高精度电流采样功能 完备诊断与保护机制 相关产品详情页: MPQ77240FS-AEC1 MPQ5864-AEC1
-
PRODUCT
MPQ5862-AEC1产品16V、1.5A、90mΩ RDS(ON) 、双通道上管开关,符合 AEC-Q100 认证
-
PRODUCT
MPQ7935-AEC1产品5.5V、5 通道 PMIC,具有4个 1A 降压变换器、1个300mA LDO、I2C 接口和 MOTP,符合 AEC-Q100 认证
-
PRODUCT
MPQ5864-AEC1产品16V、0.8A、180mΩ RDS(ON)、4通道上管开关,符合 AEC-Q100 认证
-
PRODUCT
MPQ4390-AEC1产品40V、大电流输出、同步、双降压变换器,符合 AEC-Q100 认证
-
PRODUCT
MPQ70171FS-AEC1产品采用 MPSafeTM 开发流程的 5.5V 安全相关应用 PMIC,带5个降压变换器和4个 LDO,符合 ASIL-B 标准和 AEC-Q100 认证
-
PRODUCT
MPQ7970-AEC1产品采用 MPSafeTM 开发流程的 5.5V SoC PMIC,带5个 LDO、4个GPIO和两个电压监控器,符合AEC-Q100 认证
-
PRODUCT
MPQ2285-AEC1产品6V、10A、可配置、高频同步降压变换器,采用 ZDPTM 且符合 AEC- Q100认证
直接登录
创建新帐号